GM Service Manual Online
For 1990-2009 cars only
Makes
🢒
Pontiac
🢒
1985
🢒
Demonstrator
🢒
Body
🢒
Doors
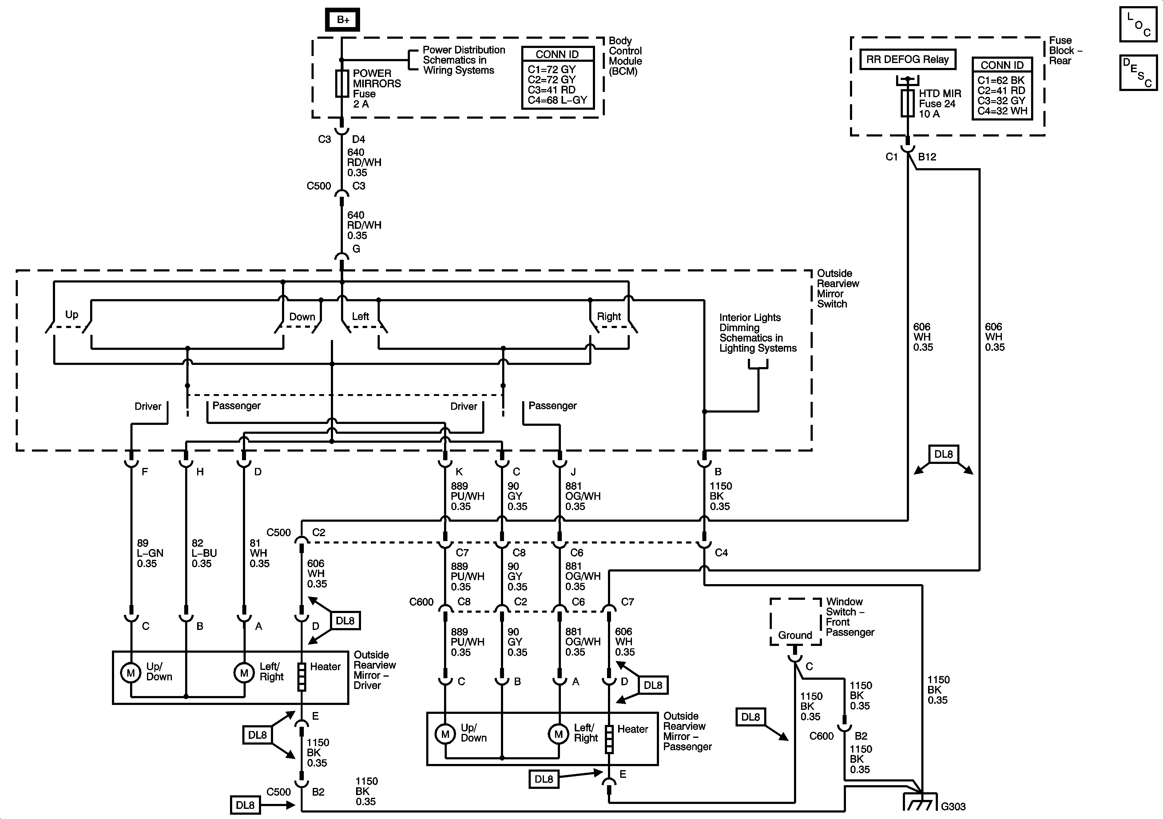
🢒 Outside Rearview Mirror Schematics
Master Electrical Component List
Outside Mirror Description and Operation
BCM - ONSTAR, PEDAL and POWER MIRRORS Fuses
BCM - ONSTAR, PEDAL and POWER MIRRORS Fuses
Defogger
Steering Wheel and Doors
G303