GM Service Manual Online
For 1990-2009 cars only
Makes
🢒
Pontiac
🢒
1985
🢒
Demonstrator
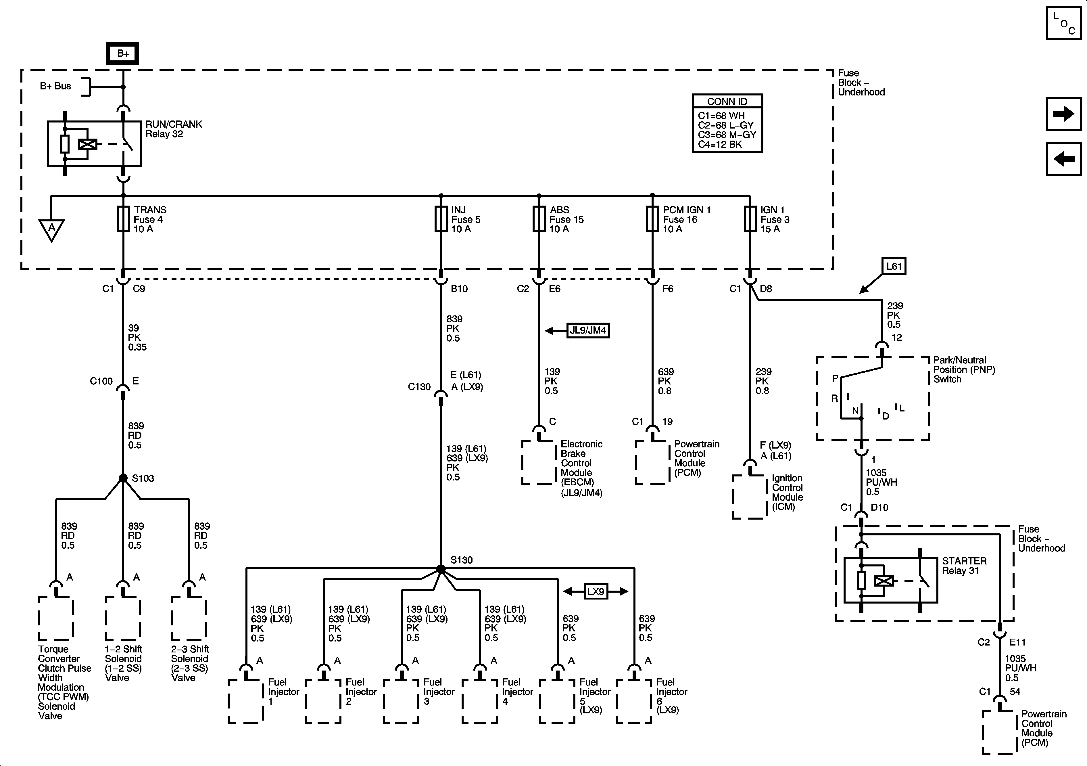
🢒 Fuse Block - Underhood - ABS, IGN, INJ, PCM IGN, TRANS Fuses and RUN/CRANK Relay
Fuse Block - Underhood - ABS, IGN, INJ, PCM IGN, TRANS Fuses and RUN/CRANK Relay
Fuse Block - Underhood - ABS, IGN1, INJ, PCM IGN 1, TRANS Fuses, and RUN/CRANK Relay
Master Electrical Component List
Fuse Block - Underhood - IBCM R/C Fuse, BCM - AIRBAG (IGN), EPS, and RUN/CRANK Fuses
Fuse Block - Underhood - ABS, EPS, LH HIGH LH LOW PCM, RH HIGH, RH LOW Fuses
Fuse Block Underhood Bussing
Fuse Block Underhood Bussing
Fuse Block - Underhood - IBCM R/C Fuse, BCM - AIRBAG (IGN), EPS, and RUN/CRANK Fuses