GM Service Manual Online
For 1990-2009 cars only
Makes
🢒
Pontiac
🢒
1985
🢒
Demonstrator
🢒 Charging
Charging
Charging
Master Electrical Component List
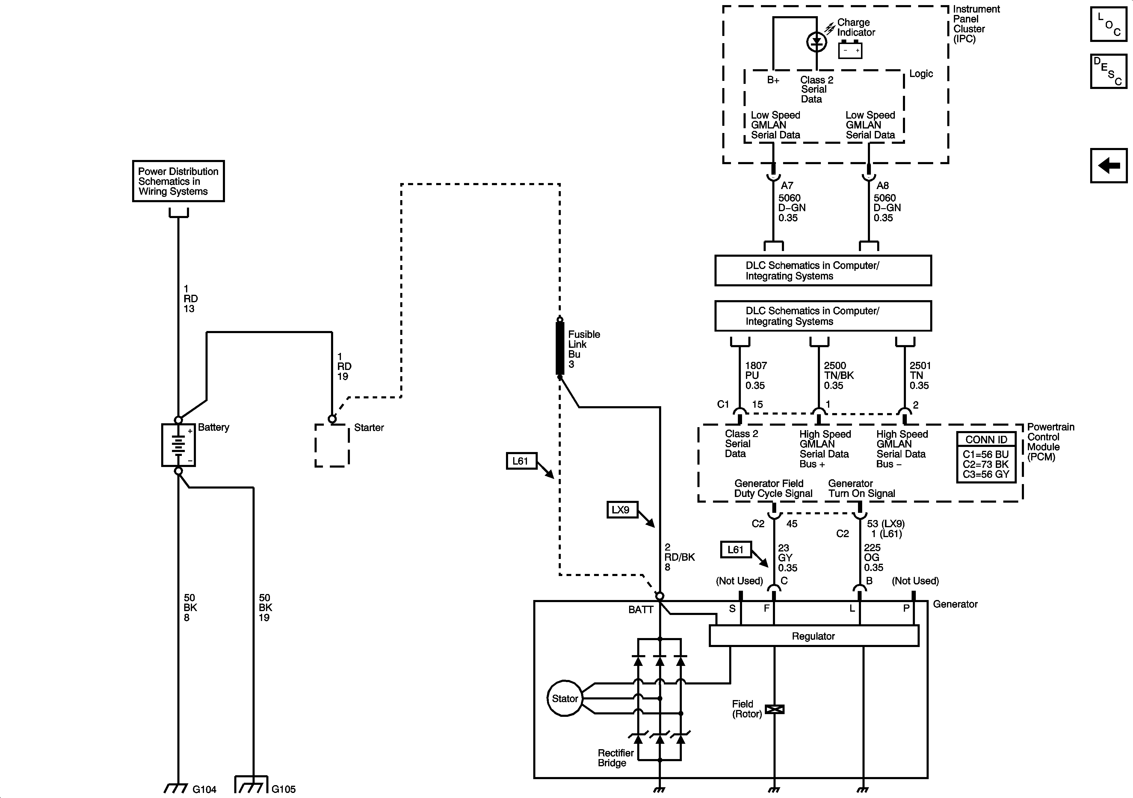
Charging System Description and Operation
Starting
Fuse Block Underhood Bussing
Low Speed Serial Data
Power, Ground and High Speed Serial Data
G103, G104, and G105
G103, G104, and G105