GM Service Manual Online
For 1990-2009 cars only
Makes
🢒
Pontiac
🢒
1985
🢒
Demonstrator
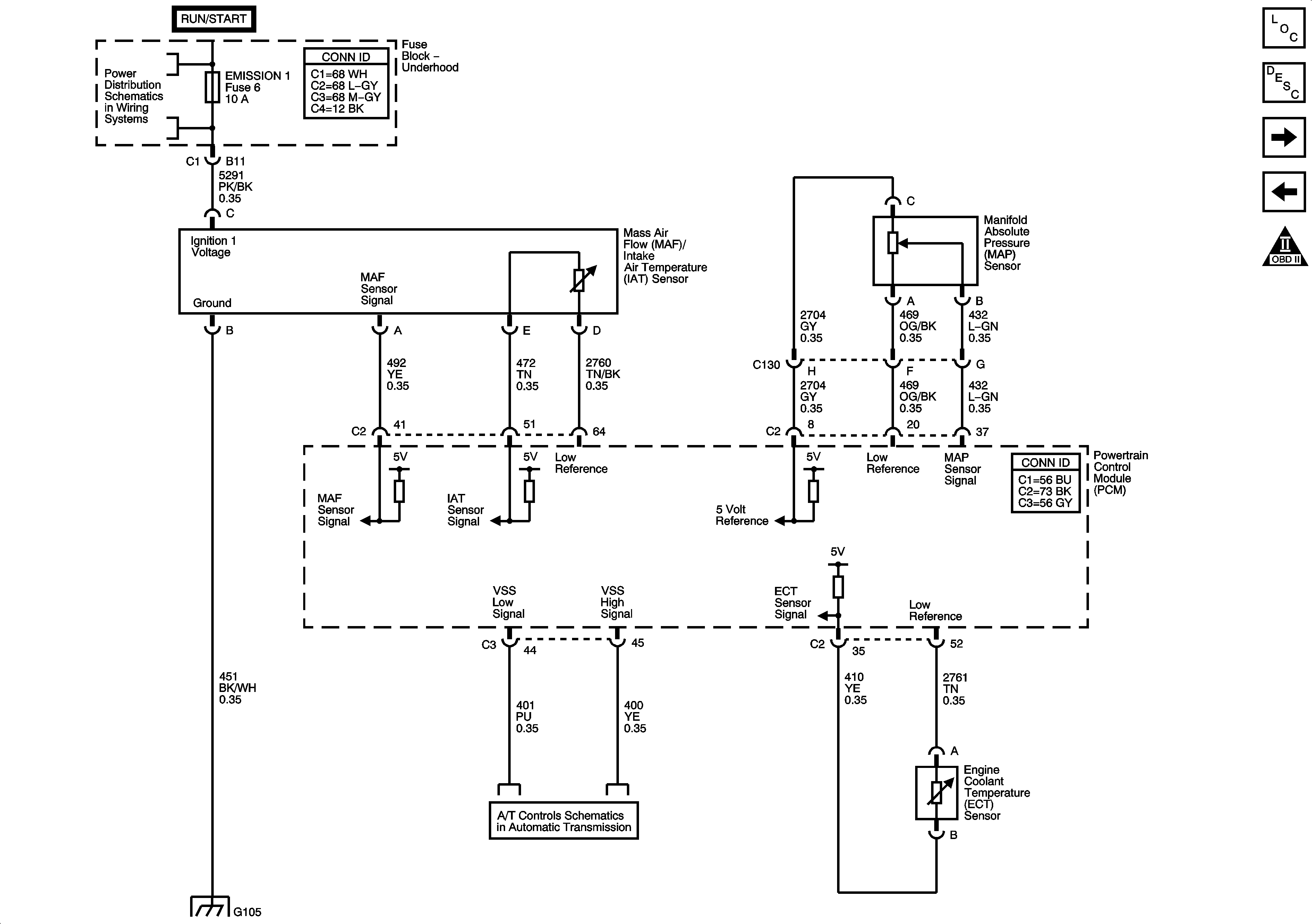
🢒 ECT, MAF/IAT and MAP Sensors
ECT, MAF/IAT and MAP Sensors
ECT, MAF/IAT, and MAP Sensors
Master Electrical Component List
Powertrain Control Module Description
Heated Oxygen Sensors
5-Volt and Low Reference Bussing
Engine Controls Schematic Icons
Fuse Block - Underhood - EMISSION 1, ETC Fuses, and A/C Clutch, P0WERTRAIN Relays
Fuse Block - Underhood - EMISSION 1, ETC Fuses, and A/C Clutch, P0WERTRAIN Relays
Transmission Solenoids and VSS
G103, G104, and G105