GM Service Manual Online
For 1990-2009 cars only
Makes
🢒
Pontiac
🢒
1985
🢒
Demonstrator
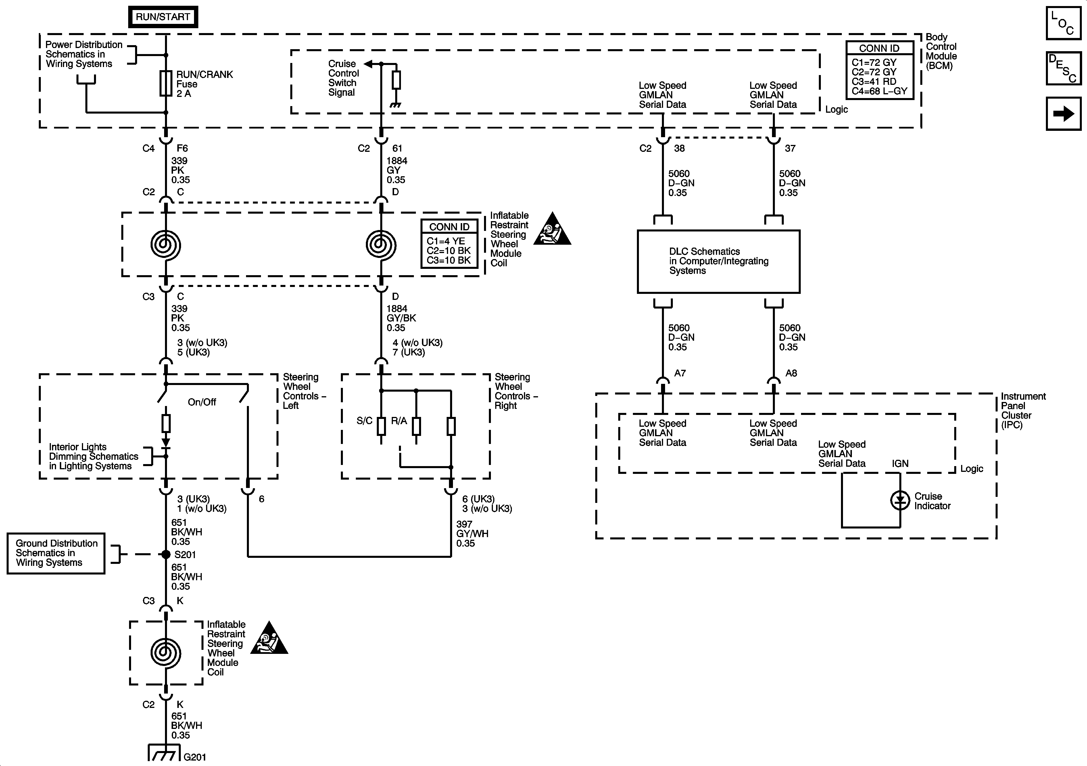
🢒 Power, Ground, Data Link, and Steering Wheel Controls Switches
Power, Ground, Data Link, and Steering Wheel Controls Switches
Power, Ground, Data Link, and Steering Wheel Controls Switches
Master Electrical Component List
Cruise Control Description and Operation 3.5L
Brake Pedal Position Sensor and Stop Lamp Switch Signal
Fuse Block - Underhood - IBCM R/C Fuse, BCM - AIRBAG (IGN), EPS, and RUN/CRANK Fuses
Fuse Block - Underhood - IBCM R/C Fuse, BCM - AIRBAG (IGN), EPS, and RUN/CRANK Fuses
Cruise Control Schematic Icons
Low Speed Serial Data
Steering Wheel and Doors
G201
Cruise Control Schematic Icons
G201