GM Service Manual Online
For 1990-2009 cars only
Makes
🢒
Pontiac
🢒
1985
🢒
Demonstrator
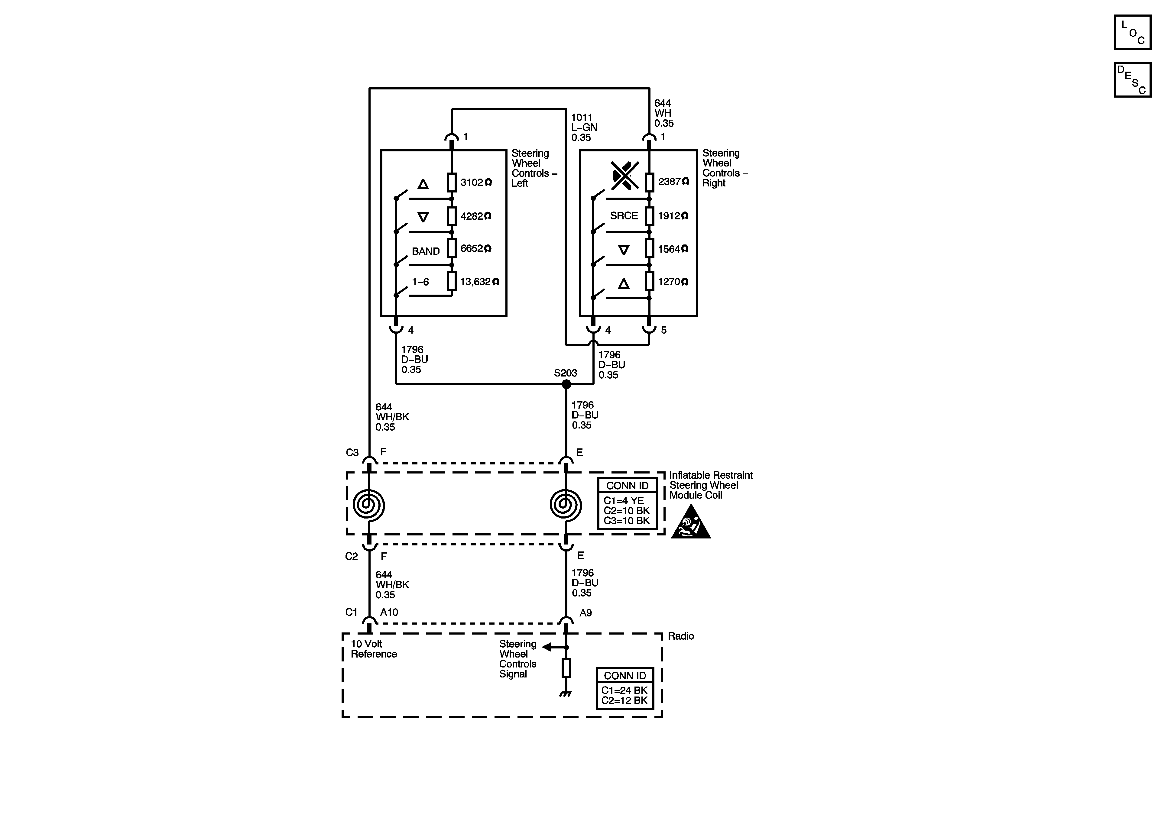
🢒 Steering Wheel Controls
Steering Wheel Controls
Master Electrical Component List
Radio/Audio System Description and Operation
Entertainment Schematic Icons