GM Service Manual Online
For 1990-2009 cars only
Makes
🢒
Pontiac
🢒
1985
🢒
Demonstrator
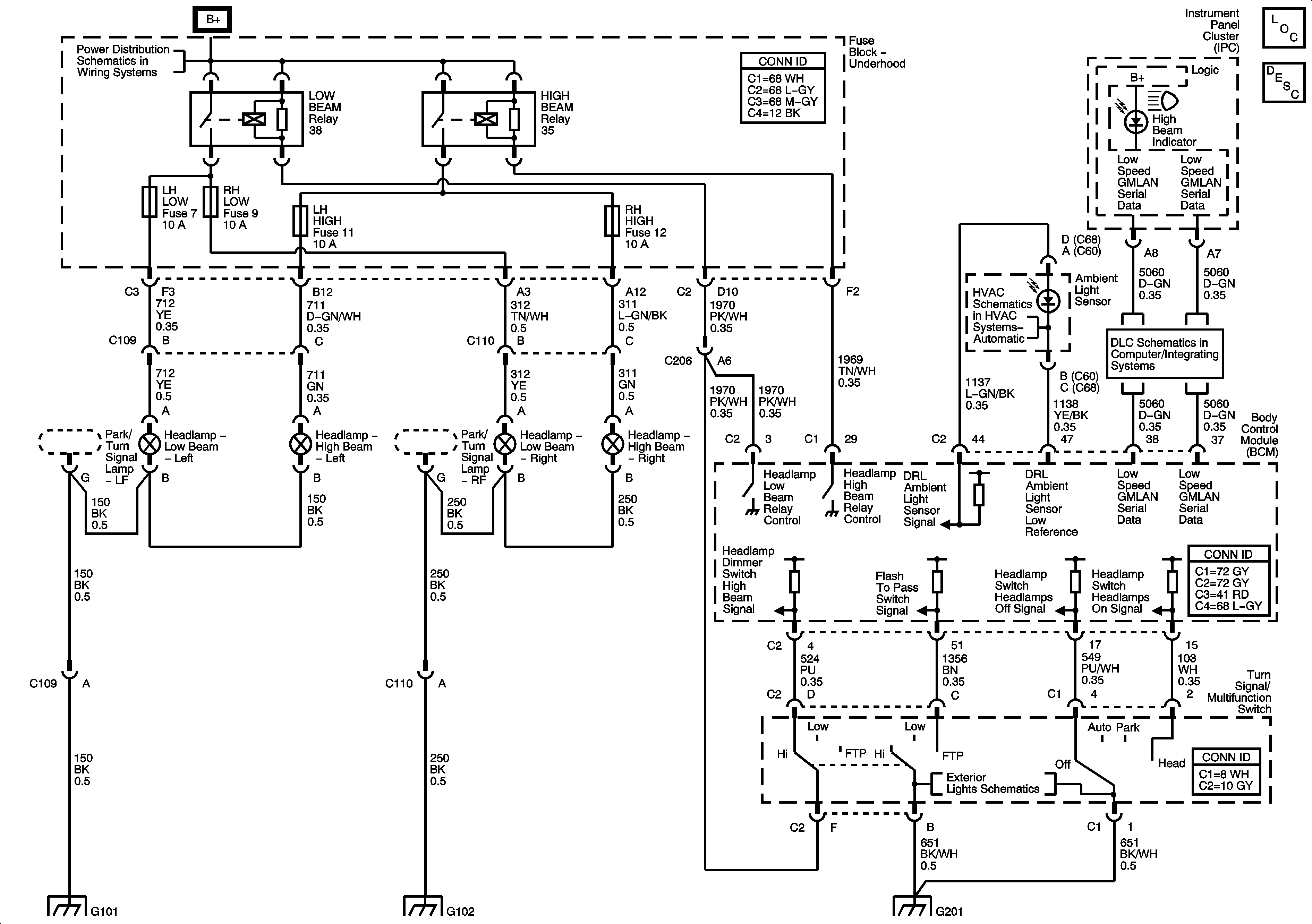
🢒 Headlamps/DRL
Headlamps/DRL
Master Electrical Component List
Exterior Lighting Systems Description and Operation
Fuse Block Underhood Bussing
Fuse Block Underhood Bussing
Low Speed Serial Data
Mode and Air Temperature Controls
Ambient Light Sensor, Brake Pedal Position Sensor, Grounds, Hazard Switch, Serial Data and Turn Signal/Multifunction Switch
G101 and G102
G101 and G102
G201