GM Service Manual Online
For 1990-2009 cars only
Makes
🢒
Pontiac
🢒
1985
🢒
Demonstrator
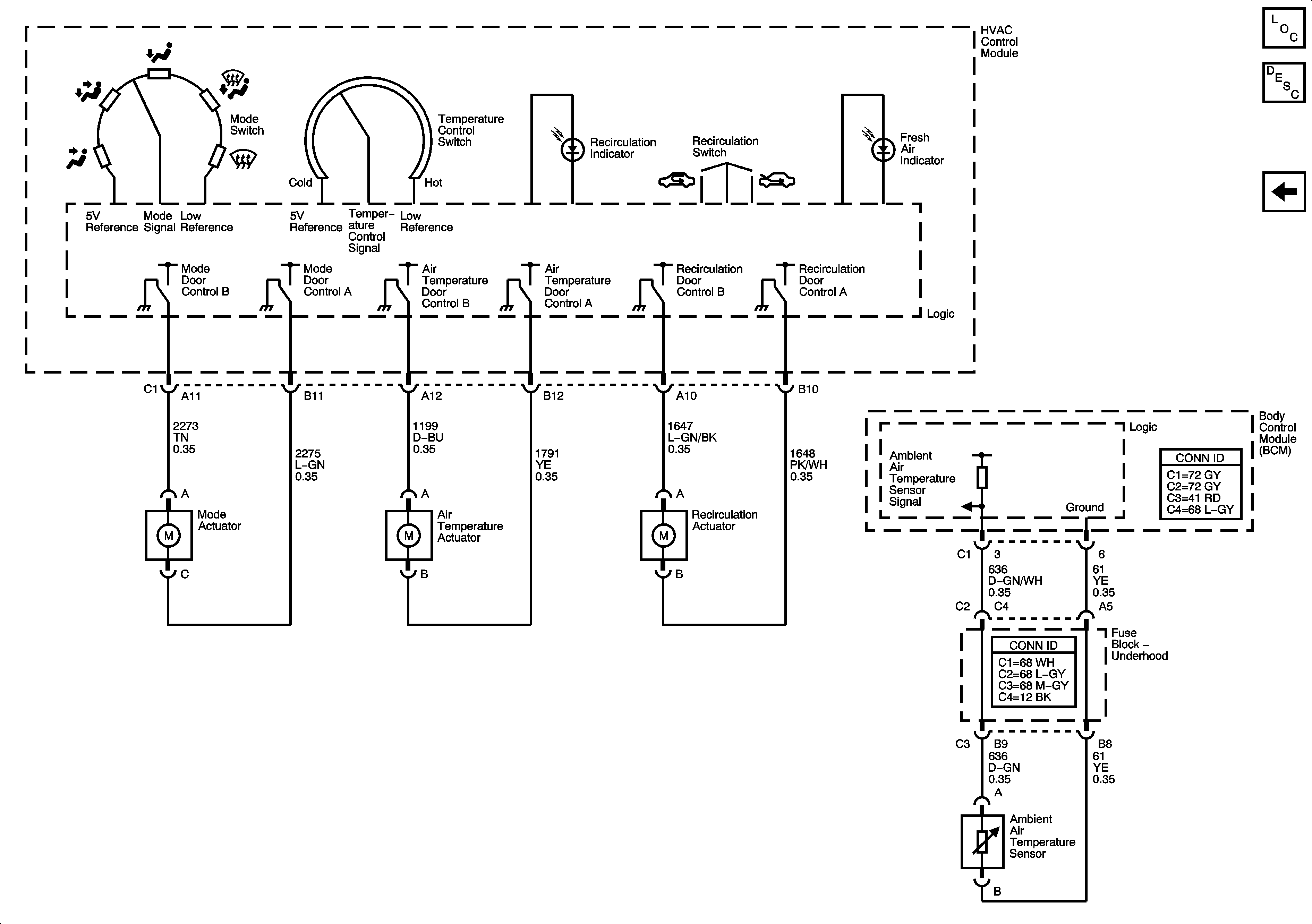
🢒 Mode and Air Temperature Controls
Mode and Air Temperature Controls
Mode and Air Temperature Controls
Master Electrical Component List
Air Temperature Description and Operation
Power, Ground, A/C Compressor, Clutch, and Blower Motor Controls