GM Service Manual Online
For 1990-2009 cars only

RELOCATION OF ENGINE CHASSIS GROUND STRAP-PROCEDURE

1984 FIERO

Some 1984 Fiero vehicles equipped with automatic transmissions may have engine-to-chassis ground straps that may contact the transmission oil cooler lines.

Should a contact condition be noted, the following ground cable relocation procedure should be used:

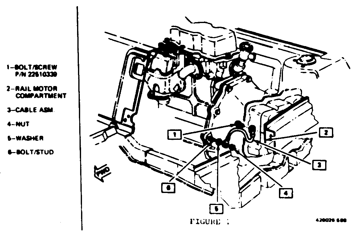
1. Remove nut, washer, ground cable, and screw from body rail (see Figure 1).

2. Remove bolt/stud from transmission that the ground cable was attached to. This is bolt position #1 (see Figure 2).

3. Remove bolt from transmission at bolt position #6 (Figure 2). Install bolt/stud from position #1 into hole at position #6. Torque bolt/stud to 65-85 N m.

4. Install bolt from position #6 into hole at position #1. Torque bolt to 65-85 N m.

5. Install large eyelet of ground cable to the transmission stud end. Add the washer and nut (removed in step #1) and torque nut to 40-65 N m.

6. Remove screw from purge pipe assembly (Figure 3), insert ground strap end and screw. Torque screw to 3.0-4.6 N m.

NOTICE: Reroute ground strap so that it will not touch other components.


Object Number: 77430  Size: FS


Object Number: 79385  Size: FS


Object Number: 76237  Size: FS

General Motors bulletins are intended for use by professional technicians, not a "do-it-yourselfer". They are written to inform those technicians of conditions that may occur on some vehicles, or to provide information that could assist in the proper service of a vehicle. Properly trained technicians have the equipment, tools, safety instructions and know-how to do a job properly and safely. If a condition is described, do not assume that the bulletin applies to your vehicle, or that your vehicle will have that condition. See a General Motors dealer servicing your brand of General Motors vehicle for information on whether your vehicle may benefit from the information.