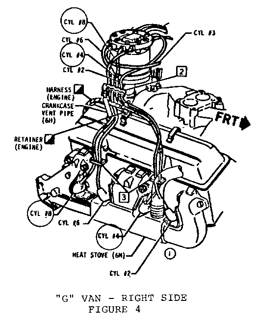
The spark plug wire routing on the 1983 5.OL V-8 (VIN Code H and S) engines has been revised to minimize the possibility of crossfire between cylinders 5 and 7 on the left side and cylinders 4 and 8 on the right side.
It is important that the new routings be maintained during service and restored to original configuration when wires are disconnected or replaced. The correct wire routings are shown below in Figures 1 and 2.
General Motors bulletins are intended for use by professional technicians, not a "do-it-yourselfer". They are written to inform those technicians of conditions that may occur on some vehicles, or to provide information that could assist in the proper service of a vehicle. Properly trained technicians have the equipment, tools, safety instructions and know-how to do a job properly and safely. If a condition is described, do not assume that the bulletin applies to your vehicle, or that your vehicle will have that condition. See a General Motors dealer servicing your brand of General Motors vehicle for information on whether your vehicle may benefit from the information.