GM Service Manual Online
For 1990-2009 cars only

SP. POLICY: REPLACE FLEX VANE WINDSHIELD WASHER PUMP

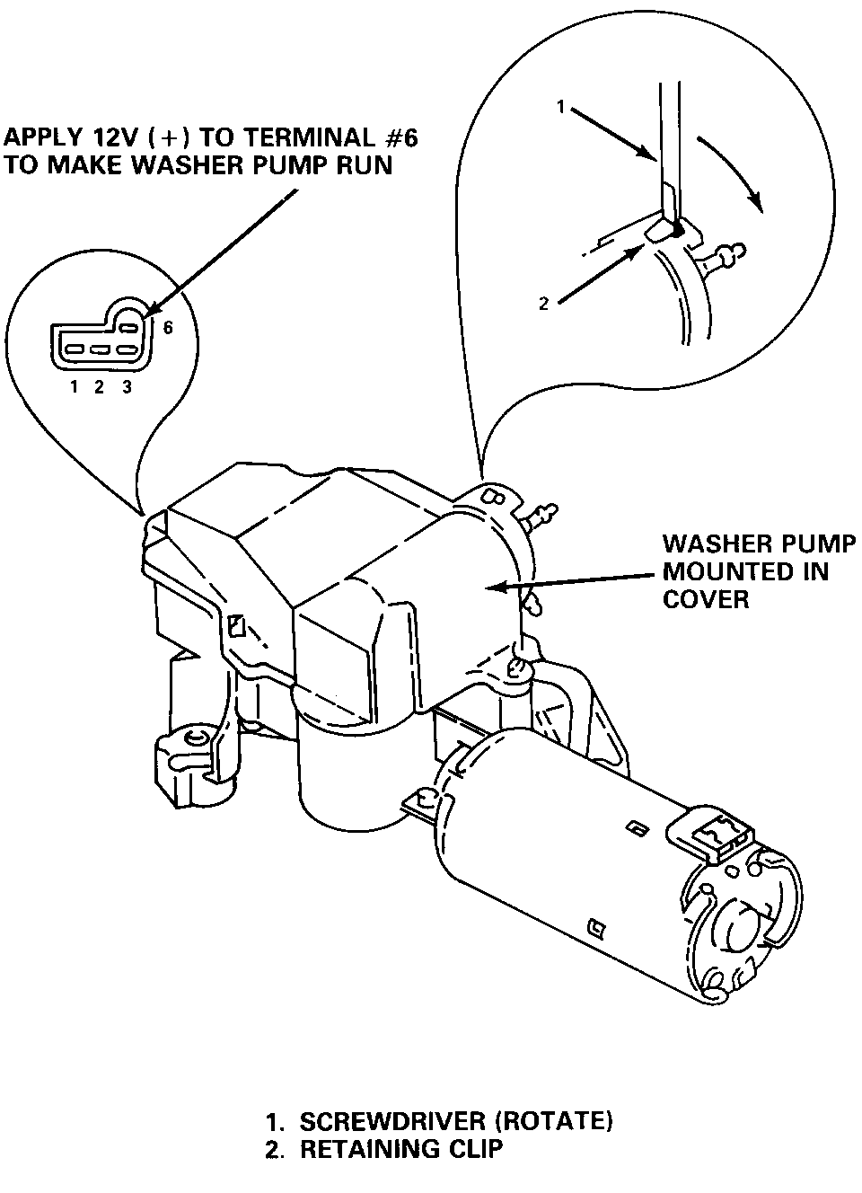
SOME 1984-85 AB, FB, CB, AND NB MODELS MAY EXPERIENCE AN INADEQUATE OR INOPERATIVE FLEX VANE WINDSHIELD WASHER PUMP. VEHICLES INVOLVED INVOLVED ARE ALL 1984-85 CHEVROLET CELEBRITY AND CAMARO MODELS MODEL YEAR MODEL PLANT FROM THROUGH 1984 CELEBRITY (A) FRAMINGHAM EG100001 EG196089 OKLAHOMA CITY E6800001 E6983220 OSHAWA (1) E1100001 E1152025 1985 CELEBRITY (A) FRAMINGHAM FG100001 FG161034 OKLAHOMA CITY F6100001 F6209436 OSHAWA (1) F1100001 F1212596 1984 CAMARO (F) NORWOOD EN100001 EN200729 VAN NUYS EL100001 EL261128 1985 CAMARO (F) NORWOOD FN100001 FN176295 VAN NUYS FL400001 FL503778 INVOLVED ARE ALL 1984-85 OLDSMOBILE CUTLASS CIERA MODELS AND ALL 1985 OLDSMOBILE CALAIS AND NINETY-EIGHT MODELS. 1984 CUTLASS CIERA DORAVILLE (D) S.O.P.* E.O.P.** FRAMINGHAM (G) S.O.P. E.O.P. 1985 CUTLASS CIERA DORAVILLE (D) S.O.P. E.O.P. FRAMINGHAM (G) S.O.P. E.O.P. OSHAWA (9) S.O.P. E.O.P. 1985 NINETY-EIGHT WENTZVILLE (1) S.O.P. E.O.P. LAKE ORION (4) S.O.P. E.O.P. 1985 CALIAS LANSING (C) S.O.P. E.O.P. LANSING (M) S.O.P. E.O.P. * START OF PRODUCTION ** END OF PRODUCTION OWNER NOTIFICATION OWNERS OF VEHICLES INVOLVED IN THIS SPECIAL POLICY WILL BE NOTIFIED BY CHEVROLET MOTOR DIVISION (SEE COPY OF OWNER LETTER INLCUDED WITH THIS BULLETIN). SPECIAL POLICY ADJUSTMENT SHOULD AN INOPERATIVE FLEX VANE WINDSHIELD PUMP BE ENCOUNTERED, GENERAL MOTORS WILL INSPECT, AND IF NECESSARY, REPLACE THE PUMP. THIS SPECIAL POLICY COVERS BOTH PARTS AND LABOR FOR A PERIOD OF FIVE (5) YEARS OR 50,000 MILES, WHICHEVER OCCURS FIRST, FROM THE DATE THE VEHICLE WAS ORIGINALLY PLACED IN SERVICE. THIS "SPECIAL POLICY ADJUSTMENT BULLETIN" SHOULD BE FILED IN A 3 RING BINDER FURNISHED TO THE DEALER BY GENERAL MOTORS. PARTS INFORMATION PARTS ARE TO BE OBTAINED FROM GENERAL MOTORS WAREHOUSING AND DISTRIBUTION DIVISION (GMWDD). THIS PART, WHEN REQUIRED, SHOULD BE ORDERED FROM GMWDD ON A C.I.O. ORDER WITH NO SPECIAL INSTRUCTION CODE, BUT ON AN ADVISE CODE (2). PART NUMBER QUANTITY DESCRIPTION USAGE 22049373 1 WINDSHIELD WASHER PUMP A,F (EXC BERLINETTA 22948375 1 WINDSHIELD WASHER PUMP F (BERLINETTA ONLY) SERVICE PROCEDURE ITEMS COVERED BY SPECIAL POLICY, STEPS 1-4 (INCLUDES 10-15) CHECK WASHER PUMP OPERATION BEFORE REMOVING FROM VEHICLE. 1. REMOVE COVER HARNESS CONNECTOR. (SEE ILLUSTRATION). 2. APPLY 12V(+) TO NO. 6 TERMINAL. 3. PUMP SHOULD RUN AND FLUID SHOULD SPRAY ON WINDSHIELD. 4. IF WASHER PUMP DOES NOT RUN, REPLACEMENT IS REQUIRED, GO TO STEP 11. ITEMS NOT COVERED BY SPECIAL POLICY. STEPS 5-9 5. IF WASHER PUMP RUN BUT FLUID DOES NOT SPRAY ON WINDSHIELD, FOLLOW STEPS BELOW. 6. REMOVE WASHER BOTTLE CAP AND EXAMINE FILTER SCREEN AT BOTTOM OF HOSE. CLEAN IF NECESSARY, ADD WASHER FLUID AS REQUIRED. IF GUMMY RESIDUE IS FOUND ON FILTER SCREEN, EMPTY WASHER BOTTLE, CLEAN FILTER SCREEN AND BOTTLE AND REFILL WITH APPROVED GM WASHER FLUID. 7. CHECK FOR DISCONNECTED, LEAKING OR PINCHED HOSES. CORRECT AS NECESSARY. 8. INSPECT FLUIDIC NOZZLES AND CHECK VALVE (IF SO EQUIPPED) FOR DIRT, ETC., CLEAN IF NECESSARY. 9. RECONNECT ALL HOSES AND REPEAT STEPS 2-3. 10. IF NO FLUID SPRAYS, REPLACE WASHER PUMP. 11. DISCONNECT WASHER PUMP RETAINING CLIP (SEE ILLUSTRATION). 12. REMOVE WASHER PUMP WITH SIDE-TO-SIDE MOVEMENT WHILE PULLING OUTWARD ON PUMP. 13. INSTALL NEW WASHER PUMP. ALIGN WASHER PUMP NOZZLE WITH NOTCH IN COVER AND THEN MAKE SURE NEW WASHER PUMP IS PUSHED IN ALL THE WAY INTO THE WASHER COVER FEMALE TERMINALS. 14. CONNECT WASHER PUMP RETAINING CLIP AND REPEAT STEPS 2 AND 3. 15. CONNECT COVER HARNESS CONNECTOR. WARRANTY CLAIM INFORMATION WHEN PERFORMING THE REPAIRS OUTLINED IN THE SERVICE PROCEDURE OF THIS BULLETIN, SUBMIT A WARRANTY CLAIM FOR CREDIT AS FOLLOWS: FAILED PARTS LABOR LABOR REPAIR PERFORMED PC PART NO. ALLOW FC OP HRS O REPLACE WASHER PUMP CELEBRITY 1 22049373 ** 00 T1174 .2 O REPLACE WASHER PUMP CAMARO 1 22049373 ** 00 T1174 .4 **THE PARTS ALLOWANCE SHOULD BE THE SUM TOTAL OF THE CURRENT GMWDD DEALER NET PLUS 30% OF ALL PARTS REQUIRED FOR THIS REPAIR. DEALERS WILL AUTOMATICALLY RECEIVE THE CORRECT LABOR AND MATERIAL ALLOWANCE BASED ON THE LABOR OPERATION PERFORMED. REFER TO THE CHEVROLET CLAIMS PROCESSING MANUAL FOR DETAILS ON PRODUCT CAMPAIGN CLAIM SUBMISSION. REIMBURSEMENT CLAIMS FOR CUSTOMER REIMBURSEMENT FOR PREVIOUSLY PAID REPAIRS ARE TO BE SUBMITTED TOTHE ZONE OFFICE FOR REVIEW AND DISPOSITION.


Object Number: 87762  Size: FS

General Motors bulletins are intended for use by professional technicians, not a "do-it-yourselfer". They are written to inform those technicians of conditions that may occur on some vehicles, or to provide information that could assist in the proper service of a vehicle. Properly trained technicians have the equipment, tools, safety instructions and know-how to do a job properly and safely. If a condition is described, do not assume that the bulletin applies to your vehicle, or that your vehicle will have that condition. See a General Motors dealer servicing your brand of General Motors vehicle for information on whether your vehicle may benefit from the information.