GM Service Manual Online
For 1990-2009 cars only

NO COOLING FAN OPERATION IN DEFROST MODE/PRESS. SWITCH

1984-89 F-CAR W/5.0L

Some 1984 through 1989 F-cars with A/C and the above V8 engines may have condensation on the windshield, compressor nolse, rough or low engine idle slow when the A/C system is in the DEFROST mode, during idle or city traffic driving.

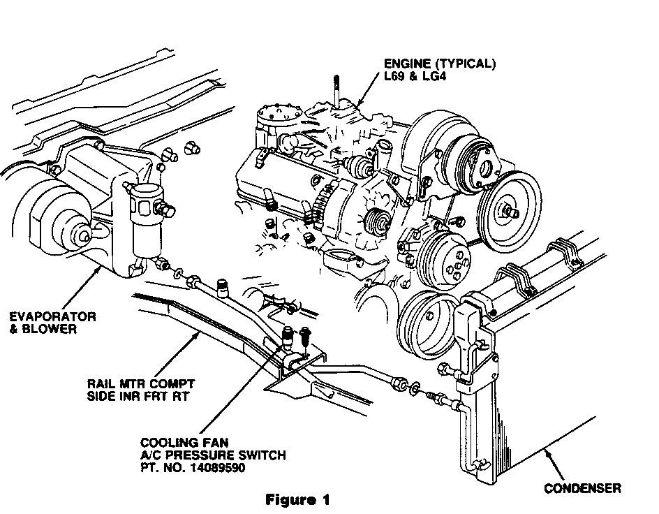
The probable cause for any and all of these conditions is that the engine cooling fan does not run in the DEFROST mode. This may be addressed by installing an A/C pressure switch in the A/C system and wiring it to the cooling fan circuit; using the following two sets of service parts and procedures as specified.

The first set of parts should be used when working on the 1984-85 vehicles with the L69 engine and the 1986-87 vehicles with the LG4 engine.

Part Number Part Name ----------- --------- 14089590 A/C Pressure Switch

12058922 Switch connector with pigtail wires colored dark blue and black

Procedure:

---------- 1. Disconnect the negative battery cable.

2. Install the A/C pressure switch in the valve fitting of the A/C pipe from the evaporator to the condenser (As shown in Figure 1).

3. Locate and pull the cooling fan switch wire out of the conduit on the lower right hand side of the engine. The cooling fan switch is located at the rear right hand side of the engine, between #6 and #8 cylinders, above the starter motor solenoid.

4. Splice the dark blue wire of pressure switch connector to the cooling fan switch wire, Tape the splice and reinstall the cooling fan switch wire in the conduit. Cut a small notch in the conduit for the breakout point of the dark blue wire to the pressure switch and tape the conduit on each side of the breakout point.

5. Install a ground wire ring terminal on the end of the black wire of the connector and attach it to the sheet metal body ground connection located above pressure switch near the battery.

6. Reconnect the negative battery cable.

7. Start the engine, put the A/C control selector in DEFROST mode and FULL COLD and check for cooling fan operation.

The following second set of parts and procedure are to be used when working on the 1988-89 vehicles with the L03 engine.

Part Number Part Name ----------- --------- 14089590 A/C Pressure Switch

12090235 Wire Assembly - A/C Pressure Fan Switch

Procedure:

----------

1. Disconnect the negative battery cable.

2. Install the A/C pressure switch in the valve fitting of the A/C pipe from the evaporator to the condenser (as shown in Figure 3).

3. Connect the wire assembly to the engine harness and the A/C harness and route the wire assembly around the A/C accumulator and connect to the pressure switch (as shown in Figure 3).

4. Reconnect the negative battery cable.

5. Start the engine, put the A/C control selector in DEFROST mode and FULL COLD and check for the cooling fan operation.

The VIN breakpoints for 1989 vehicles with (VIN E) engines that already have A/C pressure switch and wire assembly are as follows:

Chevrolet - KL184401

Pontiac - KL251704


Object Number: 87939  Size: LF


Object Number: 89753  Size: MF


Object Number: 85363  Size: FS

General Motors bulletins are intended for use by professional technicians, not a "do-it-yourselfer". They are written to inform those technicians of conditions that may occur on some vehicles, or to provide information that could assist in the proper service of a vehicle. Properly trained technicians have the equipment, tools, safety instructions and know-how to do a job properly and safely. If a condition is described, do not assume that the bulletin applies to your vehicle, or that your vehicle will have that condition. See a General Motors dealer servicing your brand of General Motors vehicle for information on whether your vehicle may benefit from the information.