GM Service Manual Online
For 1990-2009 cars only

VEHICLE ANTI-THEFT SYSTEM REPAIR DIAGNOSIS

VEHICLE ANTI-THEFT SYSTEM (VATS) COMPONENT LOCATION UPDATE

VEHICLES AFFECTED: 1988 F AND Y W/ VATS ------------------

VATS COMPONENT LOCATION CHANGE

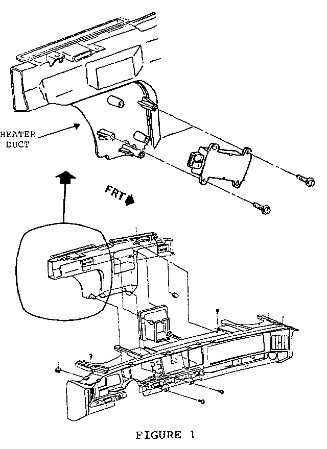
The 1988 F Service Manual indicates incorrect locations for the following components:

1. VATS Anti-Theft Decoder Module 2. Starter Interrupt Relay

The Anti-Theft relay is located on the heater duct near the center of the instrument panel.

The starter interrupt relay is located on the left kick panel.


Object Number: 90468  Size: LF


Object Number: 79201  Size: FS

General Motors bulletins are intended for use by professional technicians, not a "do-it-yourselfer". They are written to inform those technicians of conditions that may occur on some vehicles, or to provide information that could assist in the proper service of a vehicle. Properly trained technicians have the equipment, tools, safety instructions and know-how to do a job properly and safely. If a condition is described, do not assume that the bulletin applies to your vehicle, or that your vehicle will have that condition. See a General Motors dealer servicing your brand of General Motors vehicle for information on whether your vehicle may benefit from the information.