GM Service Manual Online
For 1990-2009 cars only

SERVICE MANUAL UPDATE-SEC. 3D REAR SUSP. TRACK BAR FASTENER

SUBJECT: SERVICE MANUAL UPDATE - SECTION 3D - REAR SUSPENSION TRACK BAR FASTENER TORQUES CHANGED)

VEHICLES AFFECTED: 1989 - 91 'F' CAR

This information should be added to the 1989-91 Chevrolet Camaro and Pontiac Firebird Service Manual - Section 3D.

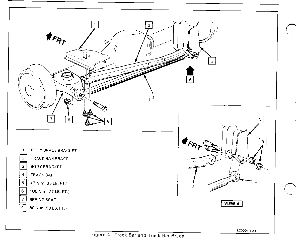
The updated Rear Suspension Track Bar Fastener Torques (Section 3D) were changed to the following:

Nut (6) was changed from 83 N.m (61 ft.lbs.) to 105 N.m 77 ft.lbs.).

Nuts (9) were changed from 108 N.m (80 ft.lbs.) to 80 N.m (59 ft.lbs.).

See attached copies of updated Service Manual pages.

3. Position track bar at spring seat. Install bolt and nut.

() Tighten - Nut to 83 N-m (61 lb. ft.).

4. Tighten track bar nut at body bracket.

() Tighten - Nut to 108 N-m (80 lb. ft.).

5. Remove rear axle support and lower vehicle.

TRACK BAR BRACE

() Remove or Disconnect Figure 4

1. Hoist vehicle and support rear axle. 2. Heat shield screws from track bar brace. 3. Three track bar brace-to-body brace bracket screws. 4. Nut and bolt at body bracket. Remove track bar brace.

() Install or Connect

NOTICE: See "Notice" on page 3D-1 of this section for steps 2 and 3.

1. Position track bar brace and loosely install nut and bolt at body bracket.

2. Position other end of track bar brace at body brace bracket. Install three screws and tighten screws.

() Tighten - Screws to 47 N - m (35 lb. ft.).

3. Tighten track bar nut at body bracket.

() Tighten - Nut to 108 N-m (80 lb. ft.).

4. Heat shield screws to track bar brace.

5. Remove rear axle support and lower vehicle.


Object Number: 76847  Size: FS

General Motors bulletins are intended for use by professional technicians, not a "do-it-yourselfer". They are written to inform those technicians of conditions that may occur on some vehicles, or to provide information that could assist in the proper service of a vehicle. Properly trained technicians have the equipment, tools, safety instructions and know-how to do a job properly and safely. If a condition is described, do not assume that the bulletin applies to your vehicle, or that your vehicle will have that condition. See a General Motors dealer servicing your brand of General Motors vehicle for information on whether your vehicle may benefit from the information.