GM Service Manual Online
For 1990-2009 cars only

SERVICE MANUAL UPDATE SEC. 8A ELECTRICAL DIAGNOSIS

SERVICE MANUAL UPDATE

SECTION 8A

THE 1991 PONTIAC FIREBIRD SERVICE MANUAL DOES NOT CONTAIN SERVICE PROCEDURES FOR THE CONVERTIBLE TOP. TO SERVICE THE CONVERTIBLE TOP PERFORM PROCEDURES ON THE ATTACHED PAGES.


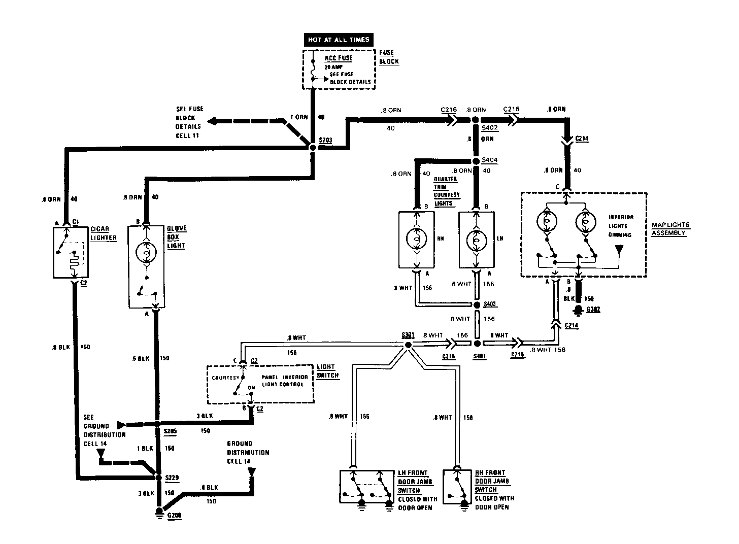
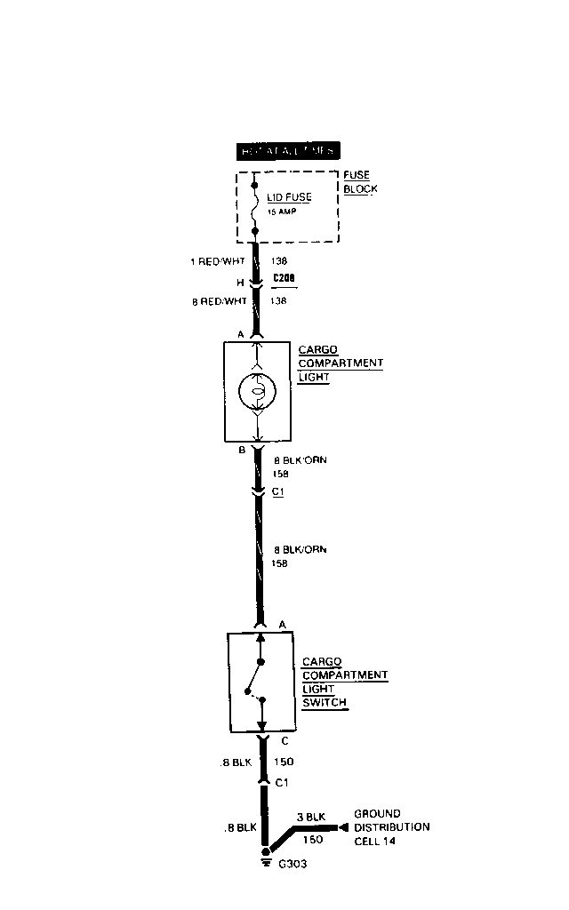
Object Number: 88619  Size: FS


Object Number: 75298  Size: FS


Object Number: 90446  Size: FS


Object Number: 85923  Size: FS


Object Number: 75195  Size: FS

General Motors bulletins are intended for use by professional technicians, not a "do-it-yourselfer". They are written to inform those technicians of conditions that may occur on some vehicles, or to provide information that could assist in the proper service of a vehicle. Properly trained technicians have the equipment, tools, safety instructions and know-how to do a job properly and safely. If a condition is described, do not assume that the bulletin applies to your vehicle, or that your vehicle will have that condition. See a General Motors dealer servicing your brand of General Motors vehicle for information on whether your vehicle may benefit from the information.

COPYRIGHT 1991 GENERAL MOTORS CORPORATION. ALL RIGHTS RESERVED.