GM Service Manual Online
For 1990-2009 cars only

VEHICLE WINDNOISE/WATERLEAK (INFORMATIONAL)

SUBJECT: VEHICLE WINDNOISE/WATERLEAK

MODELS: 1993 CHEVROLET CAMARO 1993 PONTIAC FIREBIRD

THE INFORMATION IN THIS BULLETIN WILL IDENTIFY SOME POTENTIAL AREAS OF WINDNOISE OR WATERLEAKS.

AS AN AID IN DIAGNOSING WINDNOISE AND WATERLEAKS, THE FOLLOWING VIDEOS SHOULD BE REVIEWED. FOR PONTIAC - "TECH LINE VIDEO" AND CHEVROLET - "CHEVROLET PRO SERVICE NEWS".

THE AREAS IDENTIFIED WILL BE RELATED TO ONE OF THREE (3) AREAS OF THE VEHICLE.

- WEATHERSTRIPS TO BODY - GLASS OR APPLIQUE TO WEATHERSTRIPS - DOOR INNER PANEL AND COMPONENTS

EACH POTENTIAL ITEM WILL BE IDENTIFIED AS A WINDNOISE OR WATERLEAK ISSUE AND IF THE VEHICLE HAS A T-TOP OR FULL ROOF.

WINDNOISE

THE VEHICLE SHOULD BE ROAD TESTED TO DETERMINE THE LOCATION AND DEGREE OF WINDNOISE/TURBULENCE ON THE VEHICLE. IT IS IMPORTANT TO REMEMBER THAT WINDNOISE CAN BEST BE DESCRIBED AS AIR LEAKING FROM THE INSIDE OF THE VEHICLE OUTWARD WHILE TRAVELING AT HIGHWAY SPEEDS. TURBULENCE OR WINDRUSH IS BEST DESCRIBED AS AIR PASSING OVER AND AROUND BODY OPENINGS AND MOLDINGS.

PROPER DIAGNOSIS MAY BE MADE WITH A VARIETY OF TOOLS AND METHODS INCLUDING STETHOSCOPES, DUST GUNS, MASKING TAPE, SONIC INSTRUMENTS, VISUAL INSPECTIONS, DOLLAR BILL METHOD, ETC.

WATERLEAKS

THE VEHICLE SHOULD BE VISUALLY INSPECTED AND MAY BE WATERTESTED WITH WATERTEST STANDS (AS DESCRIBED IN SERVICE MANUALS), LOCALIZED WATERTEST METHODS, AIR PRESSURE/BUBBLE TESTING, ETC. IN THE CASE OF T-TOP EQUIPPED VEHICLES, THE GARNISH MOLDINGS ON THE WINDSHIELD PILLAR, REAR RECEIVER AND ROOF PANEL SHOULD BE REMOVED PRIOR TO WATERTESTING TO AID IN DIAGNOSIS.

IMPORTANT:

SERVICE REPLACEMENT WEATHERSTRIPS FOR T-TOP EQUIPPED VEHICLES MAY NOT HAVE SEALING MATERIAL INCLUDED UNDER THE MOLDED DETAIL AT THE FRONT ROOF GUTTER LOCATION. USE SEALING KIT P/N 10193836 WHEN INSTALLING THESE WEATHERSTRIPS, AND APPLY THE MATERIAL TO THE ROOF SHEET METAL AS INDICATED IN ITEM 1, VIEWS B AND C.

THE MATERIAL IN SEALING KIT P/N 10193836 IS A FOAM MATERIAL COVERED WITH BUTYL ADHESIVE. THIS KIT CONTAINS 54" OF MATERIAL AND IS USED TO MAKE REPAIRS TO SEVERAL LOCATIONS.

NOTE: THE LATEST T-TOP OPTION VEHICLES ARE EQUIPPED WITH AN "AWNING" BETWEEN THE T-TOP PANEL AND WEATHERSTRIP RETAINER. THE FOAM SEAL PAD ON THESE ASSEMBLIES IS ON THE "AWNING" SURFACE, NOT THE RETAINER SURFACE AS IN PAST MODELS.

THESE "AWNINGS" PROVIDE AN IMPROVED WEATHERSTRIP TO GLASS SEAL AND "BUTT JOINT" PERFORMANCE.

WHENEVER THESE AWNINGS OR WEATHERSTRIPS ARE REPLACED OR ADJUSTED, PLACE A PIECE OF MATERIAL FROM SEALING KIT P/N 10193836 UNDER BOTH ENDS OF THE WEATHERSTRIP TO RETAINER ON THE OUTBOARD EDGE TO THE END OF THE WEATHERSTRIP. THIS WILL AID IN SEALING THE WEATHERSTRIP TO THE RETAINER AND TO THE T-TOP GLASS.

EARLY MODEL VEHICLES MAY BE REWORKED WITH THESE PARTS TO IMPROVE WINDNOISE AND WATERLEAK PERFORMANCE. USE GM P/N 10254484 (RIGHT) AND 10254483 (LEFT).

WATERLEAK DIAGNOSIS CHART

NOTE: SOME ITEMS MAY APPEAR IN MORE THAN ONE AREA.

BEST DESCRIBED CONDITION MOST PROBABLE CAUSE IN ITEM --------- ------------------- --------------

FRONT FLOOR A. SKIPS OR VOIDS IN SEALING 1 CARPET WET MATERIAL UNDER WEATHERSTRIP MOLDED AREA B. MISPOSITIONED OR IMPROPERLY 11 INSTALLED WATER DEFLECTOR C. DOOR MOUNTED SPEAKERS 12 IMPROPERLY SEALED TO THE DOOR SURFACE D. APPLIQUE IN/OUT ADJUSTMENT 10 SLOT MAY NOT BE SEALED E. THE WEATHERSTRIP MOLDED DETAIL 2 MAY NOT BE SEALED TO THE SHEET METAL GUTTER

DOOR GLASS A. DOOR GLASS MAY NOT BE ADJUSTED 6, 7 W/S LEAK PROPERLY FOR HEIGHT B. STUFFER INSIDE WEATHERSTRIP MAY 6 BE MISPOSITIONED OR MISSING C. STEPS OR UNEVEN JOINT LINES IN 8 THE WEATHERSTRIP D. DOOR GLASS MAY BE ADJUSTED TOO 8 FAR REARWARD OR FORWARD

REAR FLOOR WET A. GAPS OF THE REAR BELT SEAL TO 13 CARPET THE LOCK PILLAR WEATHERSTRIP SURFACE B. SEALING PATCH UNDER RETAINERS 3 BRIDGES TO SHEET METAL (FULL ROOF ONLY) C. SKIPS OR VOIDS IN SEALING MATERIAL 4 BEHIND WEATHERSTRIP ON THE LOCK PILLAR MOLDED AREA D. MISPOSITIONED OR IMPROPERLY 11 INSTALLED WATER DEFLECTOR

WATER DRIPPING A. BUTT JOINT SURFACES MAY HAVE 7 FROM ROOF IMPROPER CONTACT B. THE WEATHERSTRIP MOLDED DETAIL 2 MAY NOT BE SEALED TO THE SHEET METAL GUTTER C. SMALL HOLES OR TEARS MAY EXIST 2 IN THE MOLDED DETAIL AT THE ATTACHING INSERT

WEATHERSTRIP TO BODY ITEMS

ITEM 1 MOLDED WEATHERSTRIP DETAIL AT BASE OF WINDSHIELD PILLAR. WINDNOISE/WATERLEAK. FULL ROOF OR T-TOP. THIS ITEM MAY ALLOW NOISE FROM ENGINE COMPARTMENT TO ENTER THE BODY.

CAUSE:

THE MATERIAL SEALING THE WEATHERSTRIP DETAIL TO THE BODY SURFACE BETWEEN THE PILLAR RETAINER AND THE MOUNTING FLANGE ON THE HINGE PILLAR MAY BE MISPOSITIONED OR MISSING.

CORRECTION:

USING MATERIAL FROM SEALING KIT P/N 10193836, APPLY NEW SEAL AS SHOWN IN FIGURE 1, VIEW A (ALMOST A STRAIGHT LINE FROM THE OUTER EDGE OF THE PILLAR RETAINER TO INNER HINGE PILLAR FLANGE) AND REINSTALL THE WEATHERSTRIP TO THE FLANGE AND RETAINER.

ITEM 2 FRONT OR REAR ROOF GUTTER MOLDED WEATHERSTRIP DETAIL TO ROOF SHEET METAL. WATERLEAK T-TOP ONLY FIGURE 1, VIEWS B AND C.

- INSERT ART WORK (FIGURE 1) -

CAUSE:

A. THE WEATHERSTRIP MOLDED DETAIL MAY NOT BE SEALED TO THE SHEET METAL GUTTER.

B. SMALL HOLES OR TEARS MAY EXIST IN THE MOLDED DETAIL AT THE ATTACHING INSERT.

CORRECTION:

A. APPLY MATERIAL FROM SEALING KIT P/N 10193836 TO THE END OF THE ROOF GUTTER, UNDER THE MOLDED WEATHERSTRIP DETAIL AS SHOWN IN FIGURE 1, VIEWS B AND C.

B. APPLY AN AMOUNT OF GM P/N 12345097, 3M P/N 08011 OR EQUIVALENT TO THE HOLE OR TEAR FOR SEALING.

ITEM 3 REAR UPPER CORNER OF ROOF AT SEALING PATCH FOR ROOF RAIL AND LOCK PILLAR WEATHERSTRIP RETAINERS. WATERLEAK. FULL ROOF ONLY (NO ILLUSTRATION)

CAUSE:

SEALING PATCH UNDER RETAINERS "BRIDGED" TO SHEET METAL.

CORRECTION:

LOOSEN WEATHERSTRIP RETAINERS, REMOVE SEALING PATCH AND APPLY A BEDDING AND GLAZING COMPOUND (SUCH AS 3M P/N 08509 OR DOMINION/AMERICAN SURE SEAL #CBG IN CORNER TO BRIDGE AREA BETWEEN RETAINERS.

ITEM 4 MOLDED WEATHERSTRIP DETAIL AT BASE OF LOCK PILLAR. WINDNOISE/WATERLEAK FULL ROOF OR T-TOP

CAUSE:

THE MATERIAL SEALING THE WEATHERSTRIP DETAIL TO THE BODY SURFACE BETWEEN THE LOCK PILLAR RETAINER AND THE MOUNTING FLANGE ON THE QUARTER PANEL MAY BE MISPOSITIONED OR MISSING.

CORRECTION:

USING MATERIAL FROM SEALING KIT P/N 10193836, APPLY NEW SEAL AS SHOWN IN FIGURE 1, VIEW D (STRAIGHT LINE FROM THE INNER EDGE OF THE LOCK PILLAR RETAINER TO THE BASE OF THE MOUNTING TAB AND THEN 90 DEGREES INBOARD TO THE LOCK PILLAR FLANGE) AND REINSTALL THE WEATHERSTRIP TO THE FLANGE AND THE RETAINER.

GLASS AND APPLIQUE TO WEATHERSTRIPS

ITEM 5 FRONT LOWER CORNER OF THE APPLIQUE TO THE FRONT DOOR FACING. WINDNOISE. FULL ROOF OR T-TOP.

CAUSE:

GAP BETWEEN FRONT OF APPLIQUE AND DOOR SURFACE UNDER FRONT BELT SEAL MAY BE PRESENT.

CORRECTION:

REMOVE THE FRONT BELT SEAL PLASTIC ATTACHING PIN, POSITION SEAL TO PROVIDE ACCESS TO AREA, FILL GAP WITH 3M AUTO TECH MOISTURE RESISTANT WRAP P/N 03748 OR SIMILAR MATERIAL AND REINSTALL BELT SEAL IN POSITION WITH ATTACHING PIN (SEE FIGURE 2, VIEW A.).

- INSERT ART WORK (FIGURE 2) -

ITEM 6 TOP OF APPLIQUE AND DOOR GLASS TO WINDSHIELD PILLAR WEATHERSTRIP. WINDNOISE/WATERLEAK. FULL ROOF OR T-TOP.

CAUSE:

A. THE DOOR GLASS MAY NOT BE ADJUSTED PROPERLY FOR HEIGHT.

B. THE "STUFFER" (A FOAM STIFFENER INSIDE THE WEATHERSTRIP) MAY BE MISPOSITIONED OR MISSING. (SEE FIGURE 2, VIEW B).

CORRECTION:

A. ADJUST DOOR GLASS TO CREATE A SLIGHT "BUMP" IN THE SEAL AT THE TOP OF THE APPLIQUE AS SHOWN IN FIGURE 2, VIEW B.

B. IF "STUFFER" CAN'T BE FELT IN WEATHERSTRIP ABOVE THE APPLIQUE AREA, REPLACE THE WEATHERSTRIP.

ITEM 7 BUTT JOINT LOCATIONS AT FRONT OR REAR OF ROOF PANEL WEATHERSTRIP TO BODY MOUNTED MOLDED DETAILS. WINDNOISE/WATERLEAK T-TOP ONLY

CAUSE:

A. THE BUTT JOINT SURFACES BETWEEN PANEL AND BODY DETAILS MAY HAVE IMPROPER CONTACT.

B. THE DOOR GLASS MAY NOT BE ADJUSTED PROPERLY FOR HEIGHT OR "TIP-IN" CONTACT.

CORRECTION:

A. ADJUST THE BUTT JOINTS FOR "SLIGHT CONTACT". DO NOT ALLOW HARD CONTACT (INTERFERENCE) OR NO CONTACT (GAPS), SEE FIGURE 3, VIEWS A AND B.

- INSERT ART WORK (FIGURE 3) -

B. ADJUST THE DOOR GLASS TO OBTAIN SEALING IN BUTT JOINT AREA.

NOTE: ON FRAMELESS DOOR GLASS, ALWAYS CHECK AND VERIFY DOOR ALIGNMENT TO BODY PRIOR TO ADJUSTING DOOR GLASS. SOME ITEMS MAY REQUIRE THAT THE DOOR GLASS BE ADJUSTED. IT IS IMPORTANT THAT THE DOOR GLASS BE ABLE TO CONTACT AND SEAL TO THE WEATHERSTRIP WHEN OPERATING THE GLASS WITH THE DOOR CLOSED ("REROLL"). ALWAYS CHECK THE ABILITY TO "REROLL THE DOOR GLASS" WITH THE DOOR IN THE CLOSED POSITION WHEN DOOR GLASS ADJUSTMENTS ARE MADE.

ITEM 8 REAR OF DOOR GLASS TO LOCK PILLAR WEATHERSTRIP. WINDNOISE/WATERLEAK FULL ROOF OR T-TOP

CAUSE:

A. STEPS OR UNEVEN JOINT LINES IN THE WEATHERSTRIP.

B. THE DOOR GLASS MAY NOT BE ADJUSTED FORWARD/REARWARD FOR PROPER CONTACT.

CORRECTION:

A. SHIM THE WEATHERSTRIP ASSEMBLY OUTWARD FROM THE LOCK PILLAR RETAINER.

B. ADJUST THE DOOR GLASS FORWARD OR REARWARD TO OBTAIN A STANDARD DIMENSION OF NO MORE THAN 12 MM FROM THE EDGE OF GLASS TO THE RETAINER SURFACE, SEE FIGURE 4, SECTION A-A.

- INSERT ART WORK (FIGURE 4) -

ITEM 9 REAR ROOF WEATHERSTRIP (FLANGE MOUNTED PORTION) GAPPED TO UNDERSIDE OF T-TOP PANEL. WINDNOISE T-TOP ONLY

CAUSE:

A. THE T-TOP PANEL MAY BE ADJUSTED TOO HIGH TO THE REAR OUTER ROOF PANEL.

B. THE ROOF FLANGE FOR THE WEATHERSTRIP MAY BE TOO LOW.

CORRECTION:

A. ADJUST THE T-TOP RECEIVER BRACKETS TO OBTAIN A FLUSH APPEARANCE OF THE ROOF PANEL TO THE T-TOP PANEL, SEE FIGURE 5, SECTION A-A.

- INSERT ART WORK (FIGURE 5) -

- THE RECEIVER BRACKETS ADJUST UP OR DOWN BY ADDING OR REMOVING SHIMS.

- THE BRACKET ADJUSTS IN OR OUT IN SLOTS IN THE ROOF SHEET METAL.

B. SHIM THE WEATHERSTRIP HIGHER ON THE FLANGE USING A PIECE OF WIRE EMBEDDED IN THE MOUNTING PORTION OF THE WEATHERSTRIP.

NOTE: THE REAR UNDERSIDE OF THE T-TOP PANEL SHOULD HAVE A SMALL FOAM PATCH THAT CONTACTS THE WEATHERSTRIP, AIDING IN WINDNOISE REDUCTION.

DOOR INNER PANEL AND COMPONENTS

ITEM 10 APPLIQUE IN/OUT ADJUSTMENT SLOT ON INNER PANEL. WATERLEAK FULL ROOF OR T-TOP

CAUSE:

ADJUSTMENT SLOT NOT SEALED OR MAY HAVE MASKING TAPE OVER SLOT NOT SEALING AGAINST WATER.

CORRECTION:

APPLY A PIECE OF CLOTH BODY TAPE (DUCT TAPE) OVER SLOTTED AREA AS SHOWN IN FIGURE 6, VIEW A.

- INSERT ART WORK (FIGURE 6) -

ITEM 11 FRONT OR REAR FLOOR AREA OR ALONG BOTTOM OF DOOR. WATERLEAK FULL ROOF OR T-TOP.

CAUSE:

MISPOSITIONED OR IMPROPERLY INSTALLED WATER DEFLECTOR.

CORRECTION:

ENSURE WATER DEFLECTOR SEALS FULLY TO THE DOOR INNER PANEL SURFACE.

NOTE: IN SOME CASES, IT MAY BE NECESSARY TO USE CLOTH BODY TAPE (DUCT TAPE) TO SEAL HOLES OR EDGES OF WATER DEFLECTOR. IN SOME INSTANCES, IT MAY BE NECESSARY TO TOTALLY REPLACE THE WATER DEFLECTOR. USE P/N'S 10241666 (RH) AND 10241667 (LH). SEE FIGURE 6, VIEW A.

IT MAY BE NECESSARY TO MAKE FOUR SMALL 3" X 3" WATER DEFLECTORS (SEE FIGURE 6, VIEW B) AND INSTALL TO THE INSIDE OF THE DOOR INNER PANEL AT THE FOUR (4) LOCATIONS INDICATED IN FIGURE 6, NUMBER 4. USING A PIECE OF PLASTIC FROM THE SHIPPING PROTECTIVE MATERIAL FROM EITHER THE DOOR TRIM PANEL OR THE SEAT ASSEMBLIES (OR SIMILAR MATERIAL).

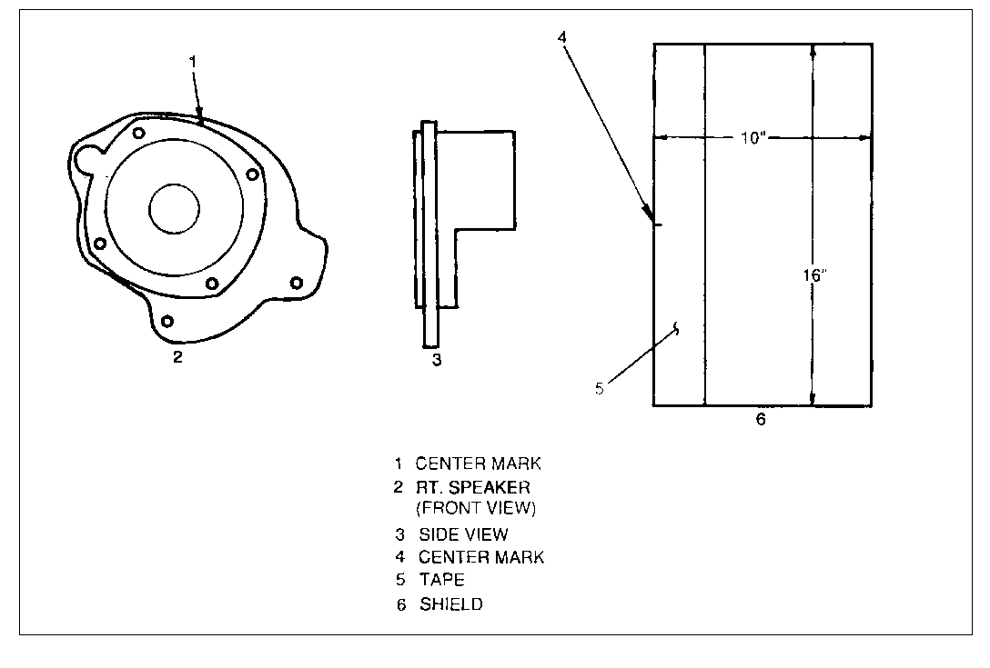
ITEM 12 DOOR MOUNTED SPEAKERS LEAKING AT THE LOWER FRONT CORNER OF DOOR TRIM OR ON FRONT FLOOR AREA. WATERLEAK FULL ROOF OR T-TOP.

CAUSE:

GAPS OR VOIDS IN:

A. FRONT DOOR SPEAKER SEALING TO HOUSING.

B. FRONT SPEAKER HOUSING SEAL TO INNER PANEL.

NOTE: EARLY VEHICLES HAD SPEAKER HOUSINGS THAT INSTALLED TO THE INNER PANEL BY LOCATING NOTCHES AND ROTATED TO THE RETAINING SCREW LOCATIONS. THESE CAN BE IDENTIFIED AS HAVING A WHITE (APPROXIMATELY 1/8" THICK) SEALING GASKET, AND CAN BE MODIFIED TO USE THE NEW SEALING PROCESS (SEE CORRECTION B.) BY USING THE PROCEDURE BELOW. IN ADDITION, WET REAR FLOOR CARPET MAY BE CAUSED BY A SPEAKER HOUSING NOT SEALED TO THE INNER PANEL.

SPEAKER MODIFICATION (SPEAKER REMOVED FROM DOOR), SEE FIGURE 7.

- REMOVE THE THREE "J" OR "U" CLIPS FROM THE HOUSING TABS, AND TRANSFER CLIPS TO THE DOOR INNER PANEL SCREW HOLE LOCATIONS.

- CUT OFF THE TABS FROM THE SPEAKER HOUSING USING A UTILITY KNIFE, SIDE CUTTERS, HACKSAW BLADE OR OTHER SUITABLE TOOL.

- TRIM ANY TAB EXCESS FROM THE SPEAKER HOUSING SURFACE THAT MIGHT CREATE A "STANDOFF" CONDITION.

CORRECTION:

A. MAKE A PLASTIC "BAG" SHIELD AND INSTALL ON SPEAKER HOUSING USING THE FOLLOWING PROCEDURE:

- PRIOR TO REMOVING SPEAKER/HOUSING FROM DOOR, MARK A TOP CENTER LOCATION ON THE HOUSING WITH A GREASE PENCIL OR OTHER MARKER (SEE FIGURE 7-A).

- INSERT ART WORK (FIGURE 7-A) -

- CUT A 10" X 16" PIECE OF PLASTIC FROM THE SHIPPING PROTECTIVE MATERIAL FROM EITHER THE DOOR TRIM PANEL OR THE SEAT ASSEMBLIES (OR SIMILAR MATERIAL). (SEE FIGURE 7-A)

- APPLY A 16" PIECE OF CLOTH BODY TAPE (OR DUCT TAPE) TO A LONG EDGE OF THE SHIELD AND MARK THE CENTER OF THE TAPE (8" LOCATION) ON THE EDGE. (SEE FIGURE 7-A)

- ALIGN THE CENTERING MARKS AND APPLY SHIELD TO THE BACK SIDE OF THE SPEAKER HOUSING AS SHOWN IN FIGURE 7-B (MAKE SURE TAPE SEALS TO ALL SURFACE CONTOURS).

- INSERT ART WORK (FIGURE 7-B) -

- PLACE THE SPEAKER AND HOUSING FACE DOWN, AND AT THE BACK OF THE HOUSING, FOLD THE SIDES OF THE SHIELD TOWARD THE CENTER, AND THE TOP OF THE SHIELD DOWNWARD. (SEE FIGURE 7-B)

- APPLY A LENGTH OF CLOTH BODY TAPE (DUCT TAPE) OVER THE FOLDED PORTIONS OF THE SHIELD TO MAINTAIN SHIELD SHAPE. (SEE FIGURE 7-B)

- CUT THE EXCESS SHIELD MATERIAL EVEN WITH THE BOTTOM OF THE SPEAKER TO PROVIDE ACCESS TO CONNECT THE WIRING CONNECTOR FOR THE SPEAKER.

- THE FINISHED SHIELD SHOULD HAVE (APPROXIMATELY) A 1" OPENING AT THE BOTTOM FOR WIRING CONNECTOR INSTALLATION AND VENTING.

NOTE: ON SPEAKERS WITH AMPLIFIERS, CLIP THE WIRING CONNECTOR TO THE SIDE OF THE SPEAKER HOUSING, NEAR ITS ORIGINAL LOCATION.

B. USING SEAL KIT P/N 10193836, SEAL THE HOUSING TO THE INNER PANEL BY APPLYING THE SEAL IN THE PATTERN SHOWN IN FIGURE 8, SECTION A-A.

- INSERT ART WORK (FIGURE 8) -

- PLACE THE SEALING MATERIAL NEXT TO THE EDGE OF THE OPENING, EXCEPT IN AREAS OF CLIPS.

- PLACE THE SEALING MATERIAL AROUND THE OUTER LOCATIONS IN AREAS OF CLIPS AS SHOWN IN FIGURE 8.

ITEM 13 REAR BELT SEAL TO LOCK PILLAR WEATHERSTRIP. WINDNOISE/WATERLEAK FULL ROOF OR T-TOP

CAUSE:

GAPS OF THE REAR BELT SEAL TO THE LOCK PILLAR WEATHERSTRIP SURFACE.

CORRECTION:

ADD SHIM MATERIAL BETWEEN THE WEATHERSTRIP AND RETAINER TO "STIFFEN" THE WEATHERSTRIP IN THE SEAL CONTACT AREA.

USING AN X-ACTO R KNIFE AND #11 BLADE, CAREFULLY CUT A TRIANGLE SHAPED HOLE IN THE REAR BELT SEAL TO CREATE A DRAIN AS SHOWN IN FIGURE 9, VIEW A. THIS DRAIN WILL MINIMIZE WATER RUNNING DOWN THE INSIDE OF THE REAR WEATHERSTRIP AND COLLECTING AT THE CARPET RETAINER.

- INSERT ART WORK (FIGURE 9) -

GENERAL INFORMATION ON DOOR GLASS ADJUSTMENTS (SEE FIGURE 10A AND B)

NOTE: ON FRAMELESS GLASS, ALWAYS CHECK AND VERIFY DOOR ALIGNMENT TO THE BODY PRIOR TO ADJUSTING DOOR GLASS. SOME ITEMS MAY REQUIRE THAT THE DOOR GLASS BE ADJUSTED. IT IS IMPORTANT THAT THE DOOR GLASS BE ABLE TO CONTACT AND SEAL TO THE WEATHERSTRIP WHEN OPERATING THE GLASS WITH THE DOOR CLOSED ("REROLL"). ALWAYS CHECK THE ABILITY TO "REROLL THE DOOR GLASS" WITH THE DOOR IN THE CLOSED POSITION WHEN DOOR GLASS ADJUSTMENTS ARE MADE.

I GLASS NOT PARALLEL TO WEATHERSTRIP, OR NOT CONTACTING UP STOPS AT SAME TIME (FIGURE 10A, VIEW A).

A. LOWER GLASS PART WAY AND RAISE TO WITHIN 25 MM (1") OF WEATHERSTRIP.

B. LOOSEN INNER PANEL CAM ATTACHMENTS (FRONT SLOTTED FOR ADJUSTMENT).

C. POSITION GLASS TO PARALLEL AND TIGHTEN ATTACHMENTS TO 10 N.M (89 LB.IN.).

- INSERT ART WORK (FIGURE 10A) -

II GLASS FORWARD OR REARWARD (FIGURE 10A, VIEW B AND C).

A. LOOSEN REAR GUIDE CHANNEL ATTACHMENTS.

B. POSITION GLASS TO DESIRED LOCATION AND TIGHTEN ATTACHMENTS TO 27 N.M (20 LB.FT.).

III GLASS UP OR DOWN AT FRONT (FIGURE 10B, VIEW D).

A. LOOSEN FRONT UP STOP ATTACHMENT.

B. POSITION TO DESIRED LOCATION AND TIGHTEN ATTACHMENT TO 10 N.M (89 LB.IN.).

- INSERT ART WORK (FIGURE 10B)

IV GLASS UP OR DOWN AT REAR (FIGURE 10A, VIEW B).

A. LOOSEN REAR UP STOP ATTACHMENT IN REAR GUIDE CHANNEL.

B. POSITION TO DESIRED LOCATION AND TIGHTEN ATTACHMENT TO 10 N.M (89 LB.IN.).

V UPPER EDGE OF GLASS INBOARD OR OUTBOARD (FIGURE 10A, VIEW B).

A. LOOSEN REAR GUIDE CHANNEL ATTACHMENTS.

B. LOOSEN FRONT UP STOP IN/OUT ATTACHMENT (ACCESS THROUGH HOLE ON INNER PANEL REARWARD OF FRONT UP STOP).

C. ADJUST REAR GUIDE CHANNEL JACKSCREWS IN OR OUT AS DESIRED.

NOTE: THE FRONT UP STOP WILL "FLOAT" IN OR OUT AS THE JACKSCREWS ARE ADJUSTED IN OR OUT.

D. TIGHTEN THE REAR GUIDE CHANNEL ATTACHMENTS TO 27 N.M (20 LB. FT.).

E. TIGHTEN THE FRONT UP STOP IN/OUT ATTACHMENT TO 10 N.M (89 LB.IN.).

VI BELT STABILIZERS TO REDUCE NOISE DURING GLASS TRAVEL OR IMPROVE GLASS STABILITY (FIGURE 10B, VIEW E). THE PROPER ADJUSTMENT IS TO:

A. WITH THE GLASS IN THE FULL UP POSITION, LOOSEN THE STABILIZER ATTACHING SCREW.

B. APPLY SLIGHT OUTBOARD PRESSURE ON THE GLASS.

C. TIGHTEN THE STABILIZER ATTACHING SCREW.

NOTE: IF GLASS BINDS DURING TRAVEL OR MOANS/SQUEAKS DURING TRAVEL, LOOSEN STABILIZER AND REPOSITION SLIGHTLY INBOARD TO REDUCE PRESSURE ON DOOR GLASS.

PART AVAILABILITY:

PARTS ARE CURRENTLY AVAILABLE FROM GMSPO.

WARRANTY INFORMATION:

LABOR OPERATION: T3406 (RIGHT SIDE) T3407 (LEFT SIDE) LABOR TIME: 0.6 HR. BASIC OPERATION: WATER DEFLECTOR REFERENCE ITEMS 10 OR 11 INCLUDES TAPE AT APPLIQUE ADJUSTMENT

ADD:

- FOR DOOR GLASS ADJUSTMENTS (REFERENCE ITEMS 6, 7 OR 8) 0.2 HR. - FOUR 3" X 3" WATER DEFLECTORS (REFERENCE ITEM 11) 0.2 HR. - FOR SPEAKER MODIFICATION (REFERENCE ITEM 12) 0.3 HR. - RESEALING FRONT OF APPLIQUE (REFERENCE ITEM 5) 0.1 HR.

NOTE: TIME FOR DOOR RELATED ITEMS NOT TO EXCEED 1.4 HRS./SIDE

LABOR OPERATION: T3408 (RIGHT) T3409 (LEFT) LABOR TIME: 0.2 HR. BASIC OPERATION: RESEAL SINGLE WEATHERSTRIP LOCATION AND SHIMMING - (ITEM 1)

ADD:

- FOR EACH ADDITIONAL LOCATION (UP TO 3 LOCATIONS 0.1 HR. EACH MAXIMUM) (REFERENCE ITEMS 1, 2 OR 4) - FOR UPPER REAR CORNER SEALING (ON BASE ROOF ONLY) 0.2 HR. (REFERENCE ITEM 3) - REAR BELT SEAL MODIFICATION (REFERENCE ITEM 13) 0.1 HR. - TO ADD SHIM (WIRE) AT T-TOP OPENING 0.1 HR. (REFERENCE ITEM 9)

NOTE: TIME FOR WEATHERSTRIP RELATED ITEMS NOT TO EXCEED 0.7 HR./SIDE

FIGURES: 12 VIDEO: ONE FOR CHEVROLET AND ONE FOR PONTIAC


Object Number: 81185  Size: FS


Object Number: 81184  Size: FS


Object Number: 81183  Size: FS


Object Number: 81182  Size: LF


Object Number: 81181  Size: FS


Object Number: 81180  Size: FS


Object Number: 83073  Size: FS


Object Number: 83072  Size: FS


Object Number: 80678  Size: FS


Object Number: 81179  Size: FS


Object Number: 81178  Size: FS


Object Number: 81177  Size: FS

GENERAL MOTORS BULLETINS ARE INTENDED FOR USE BY PROFESSIONAL TECHNICIANS, NOT A "DO-IT-YOURSELFER". THEY ARE WRITTEN TO INFORM THOSE TECHNICIANS OF CONDITIONS THAT MAY OCCUR ON SOME VEHICLES, OR TO PROVIDE INFORMATION THAT COULD ASSIST IN THE PROPER SERVICE OF A VEHICLE. PROPERLY TRAINED TECHNICIANS HAVE THE EQUIPMENT, TOOLS, SAFETY INSTRUCTIONS AND KNOW-HOW TO DO A JOB PROPERLY AND SAFELY. IF A CONDITION IS DESCRIBED, DO NOT ASSUME THAT THE BULLETIN APPLIES TO YOUR VEHICLE, OR THAT YOUR VEHICLE WILL HAVE THAT CONDITION. SEE A GENERAL MOTORS DEALER SERVICING YOUR BRAND OF GENERAL MOTORS VEHICLE FOR INFORMATION ON WHETHER YOUR VEHICLE MAY BENEFIT FROM THE INFORMATION.

COPYRIGHT 1993 GENERAL MOTORS CORPORATION. ALL RIGHTS RESERVED.