GM Service Manual Online
For 1990-2009 cars only

SERVICE MANUAL UPDATE-SEC. 8A & 9A VARIOUS INFO. UPDATES

SUBJECT: SERVICE MANUAL UPDATE - SECTIONS 8A AND 9A - VARIOUS INFORMATION UPDATES

VEHICLES AFFECTED: 1993 "F" MODELS

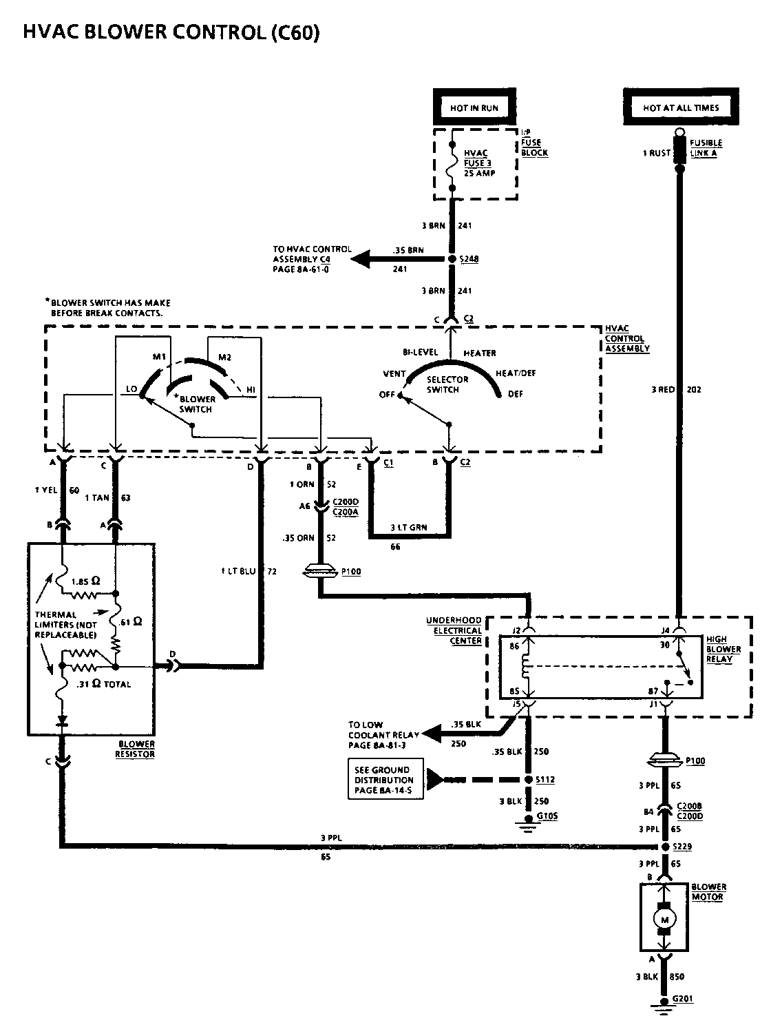
The schematic on page 8A-63-0 for Chevrolet and Pontiac is revised to illustrate a diode within the Blower Resistor.

The Lead-In Cable Resistance Value for Table 1 on page 8A-150-16 (Chevrolet) and 8A-150-18 (Pontiac) is revised from 0.2 ohms to 3.5 ohms for probing points A and B, C and D.

The Terminals on the Instrument Cluster Connector are revised on page 8A-30-1 (Pontiac).

The Amperage Rating for the "Defog/Seats" and the "Windows" Circuit breakers are revised to 30 AMPS on several pages.

The setting and unlocking procedures for the Delco-Loc II Anti-Theft feature are revised on page 9A-6 for Chevrolet and Pontiac.

When replacing an In-Harness Diode, the chart below lists the proper GMSPO Replacement Diodes and their specifications recommended to be used for replacement of the diode(s) named in the Service Manual.

Amperage Peak Inverse Service Manual Name Rating Voltage GMSPO P/N ------------------- -------- ------------ --------- A/C Clutch Diode 1 400 12112421 Isolation Diode (Low Coolant) 1 400 12112421 Isolation Diode (RAP) 3 400 12112422 Isolation Diode (Wipers) 3 400 12112422


Object Number: 78532  Size: FS


Object Number: 78531  Size: FS

General Motors bulletins are intended for use by professional technicians, not a "do-it-yourselfer". They are written to inform those technicians of conditions that may occur on some vehicles, or to provide information that could assist in the proper service of a vehicle. Properly trained technicians have the equipment, tools, safety instructions and know-how to do a job properly and safely. If a condition is described, do not assume that the bulletin applies to your vehicle, or that your vehicle will have that condition. See a General Motors dealer servicing your brand of General Motors vehicle for information on whether your vehicle may benefit from the information.