GM Service Manual Online
For 1990-2009 cars only
Figure 1:

Grounds, Serial Data, DLC


Object Number: 1240156  Size: FS
Engine Controls Components
Data Link Connector Diagnosis
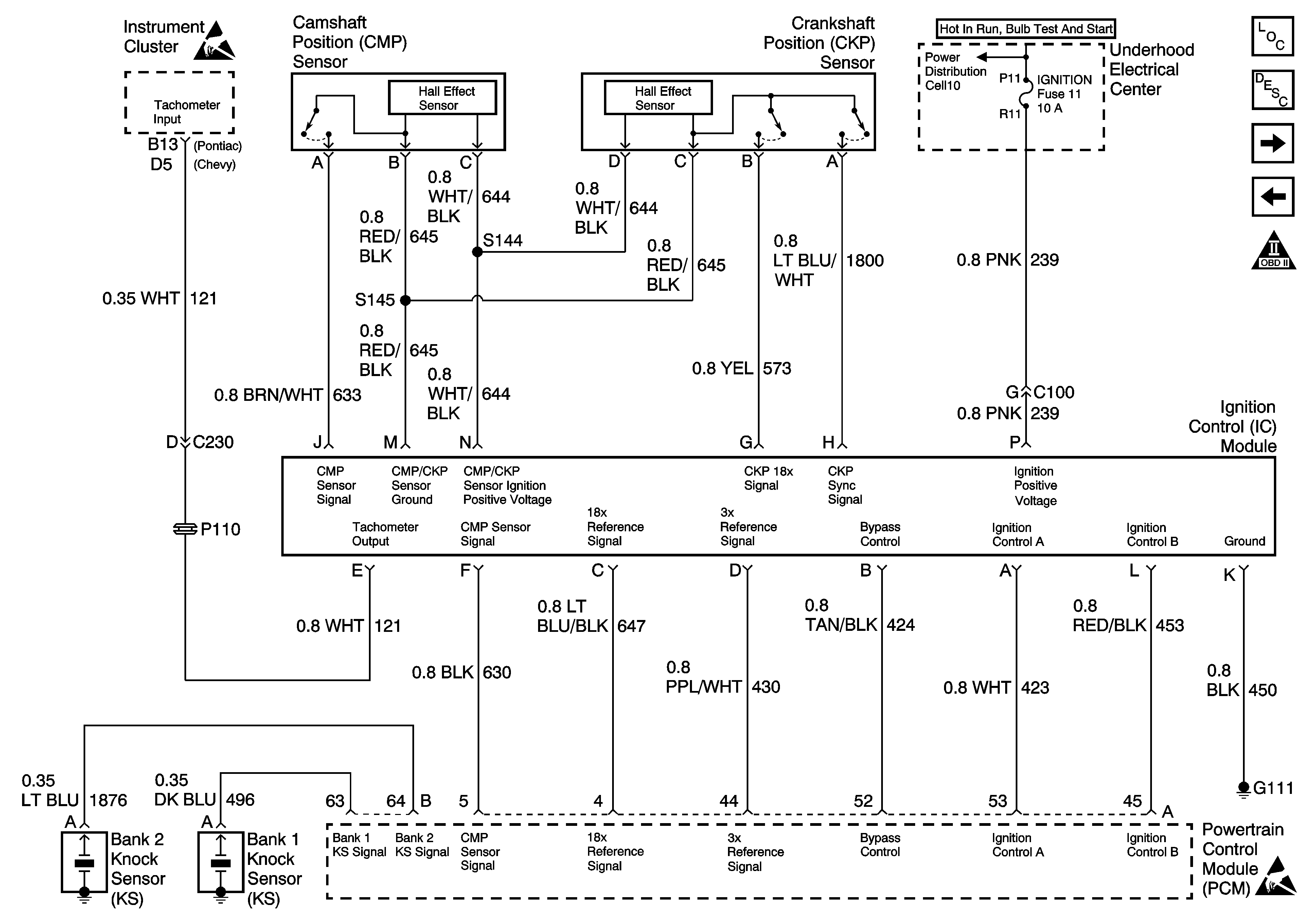
Ignition Control, Knock Sensors
OBD II Symbol Description Notice
Handling ESD Sensitive Parts Notice
Handling ESD Sensitive Parts Notice
Figure 2:

Ignition Control, Knock Sensors


Object Number: 1240162  Size: FS
Engine Controls Components
Engine Cranks but Does Not Run
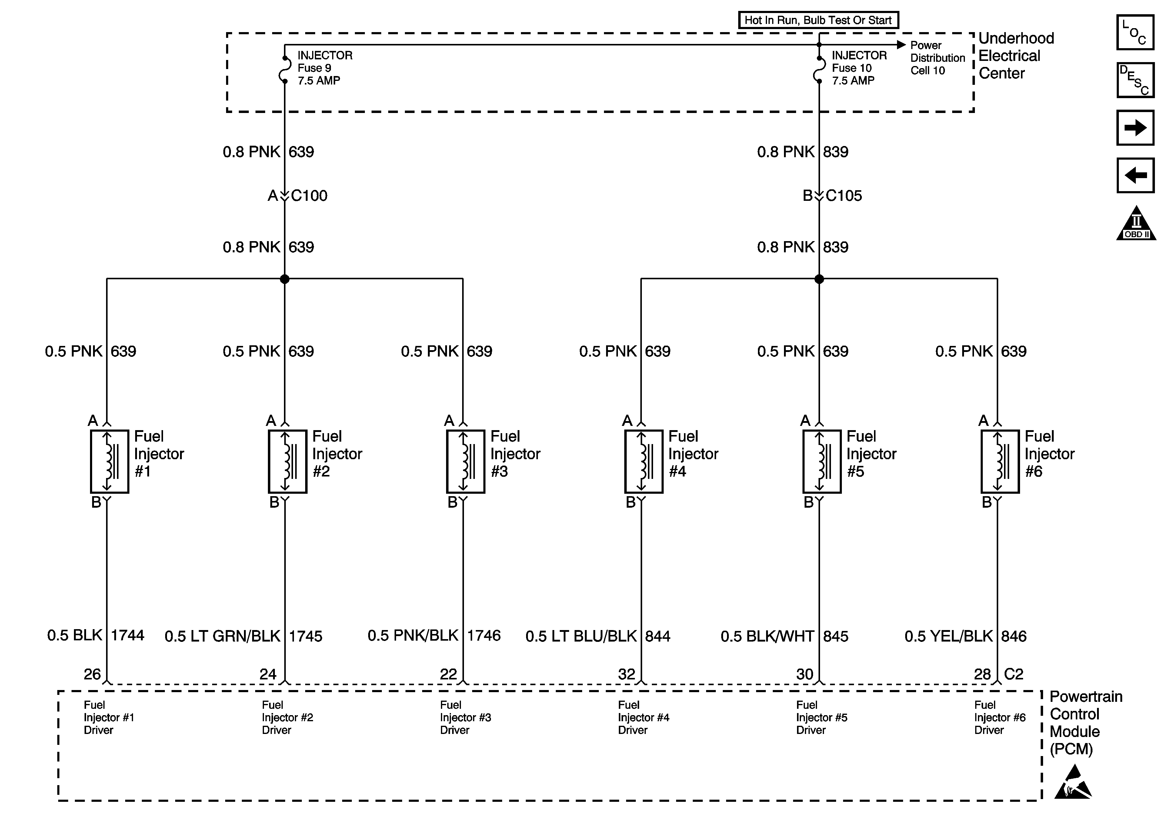
Fuel Injectors
PCM Power, Grounds, Serial Data, MIL Control
OBD II Symbol Description Notice
Handling ESD Sensitive Parts Notice
Handling ESD Sensitive Parts Notice
Figure 3:

Fuel Injectors


Object Number: 1241373  Size: FS
Engine Controls Components
DTC P1200 Injector Control Circuit
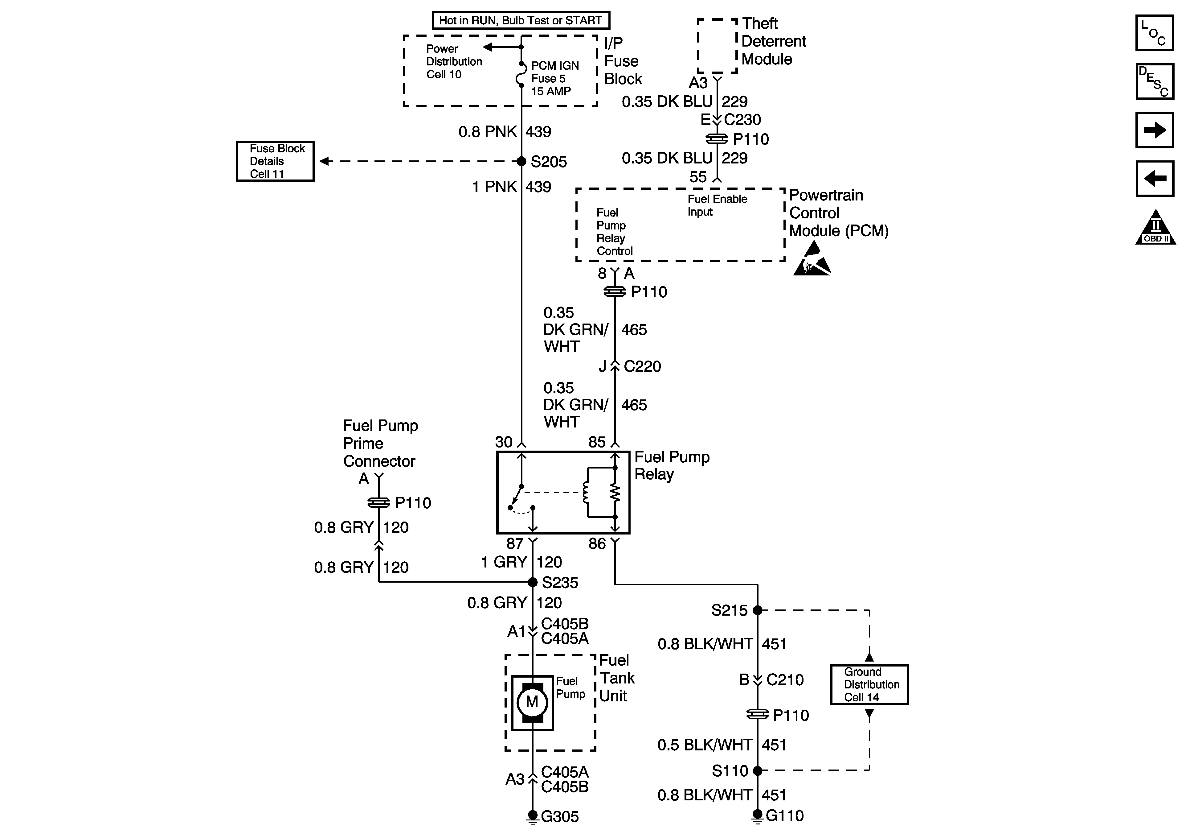
Fuel Pump Control
Ignition Control, Knock Sensors
OBD II Symbol Description Notice
Handling ESD Sensitive Parts Notice
Figure 4:

Fuel Pump Control


Object Number: 1241427  Size: FS
Engine Controls Components
Fuel Pump Electrical Circuit Diagnosis
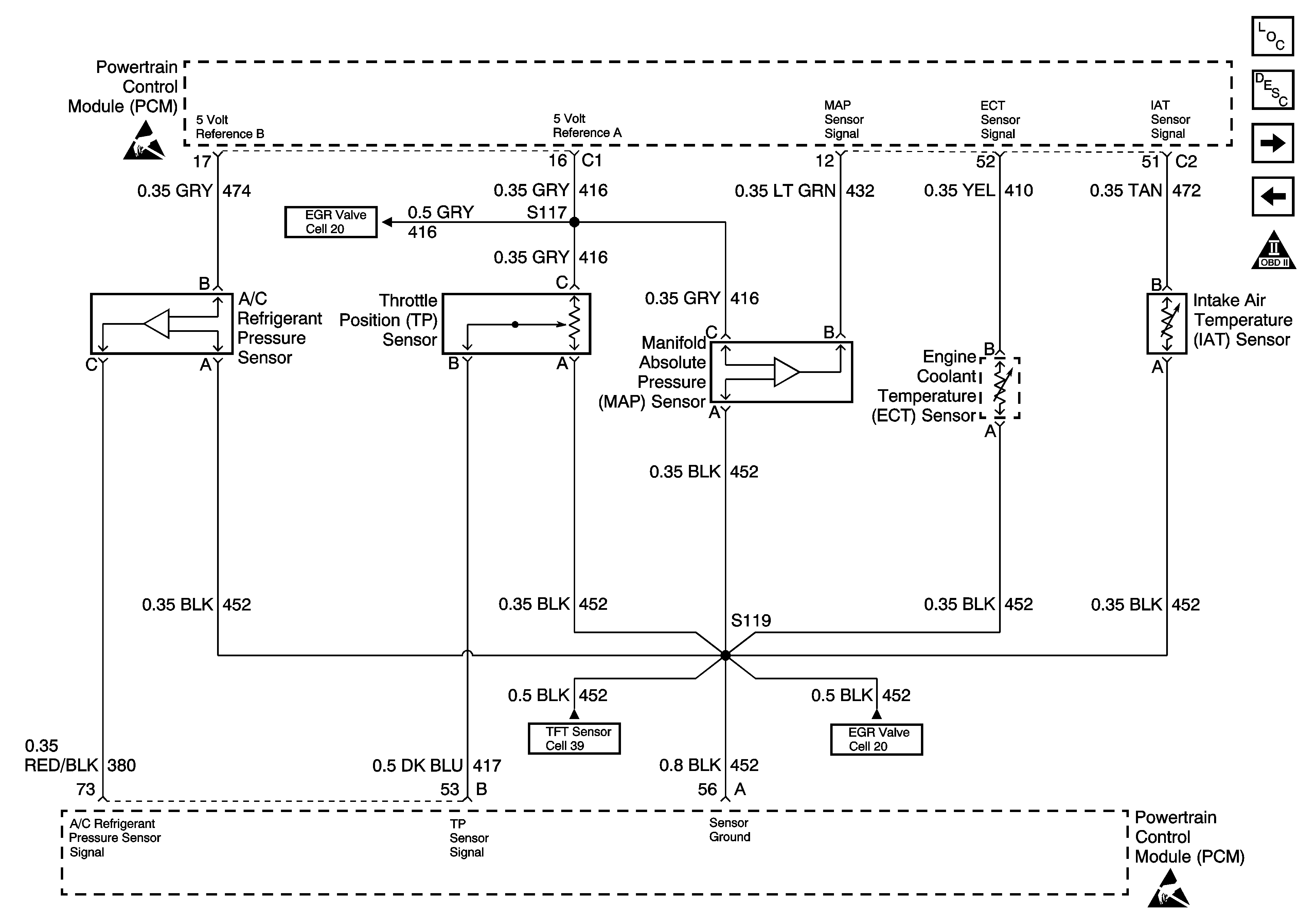
A/C Pressure, TP, MAP, ECT, IAT Sensors
Fuel Injectors
OBD II Symbol Description Notice
Handling ESD Sensitive Parts Notice
Handling ESD Sensitive Parts Notice
Figure 5:

A/C Pressure, TP, MAP, ECT, IAT Sensors


Object Number: 1242469  Size: FS
Engine Controls Components
Information Sensors
MAF Sensor, EVAP System, EGR Valve
Fuel Pump Control
OBD II Symbol Description Notice
Handling ESD Sensitive Parts Notice
Handling ESD Sensitive Parts Notice
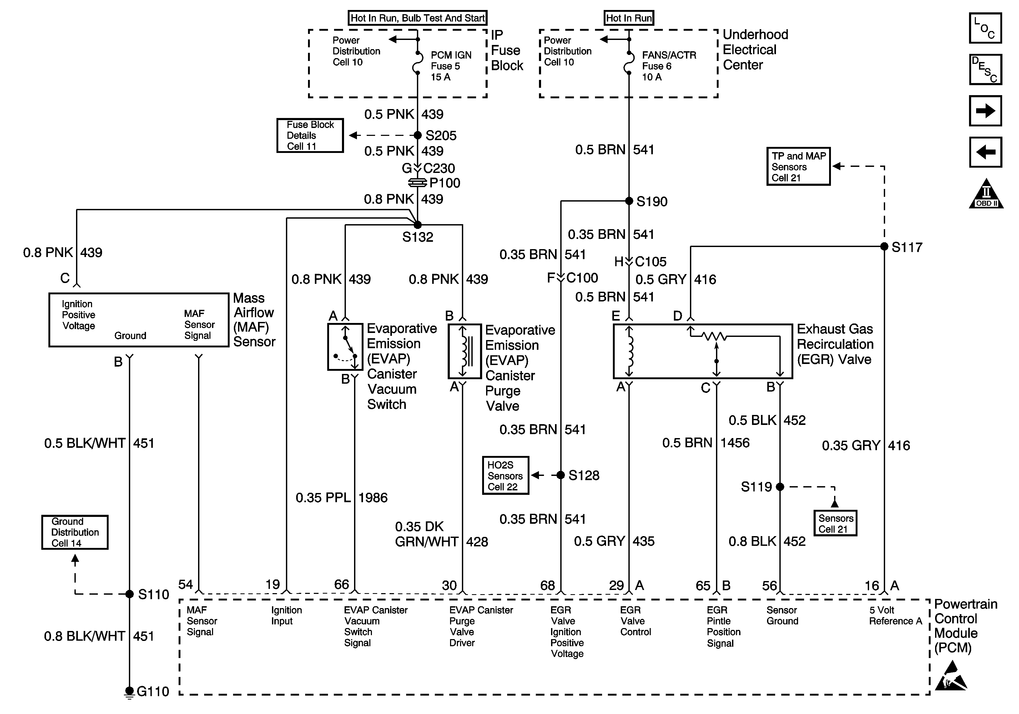
Figure 6:

MAF Sensor, EVAP System, EGR Valve


Object Number: 1242471  Size: FS
Engine Controls Components
Information Sensors
MAF Sensor, EVAP System, EGR Valve
A/C Pressure, TP, MAP, ECT, IAT Sensors
OBD II Symbol Description Notice
Handling ESD Sensitive Parts Notice
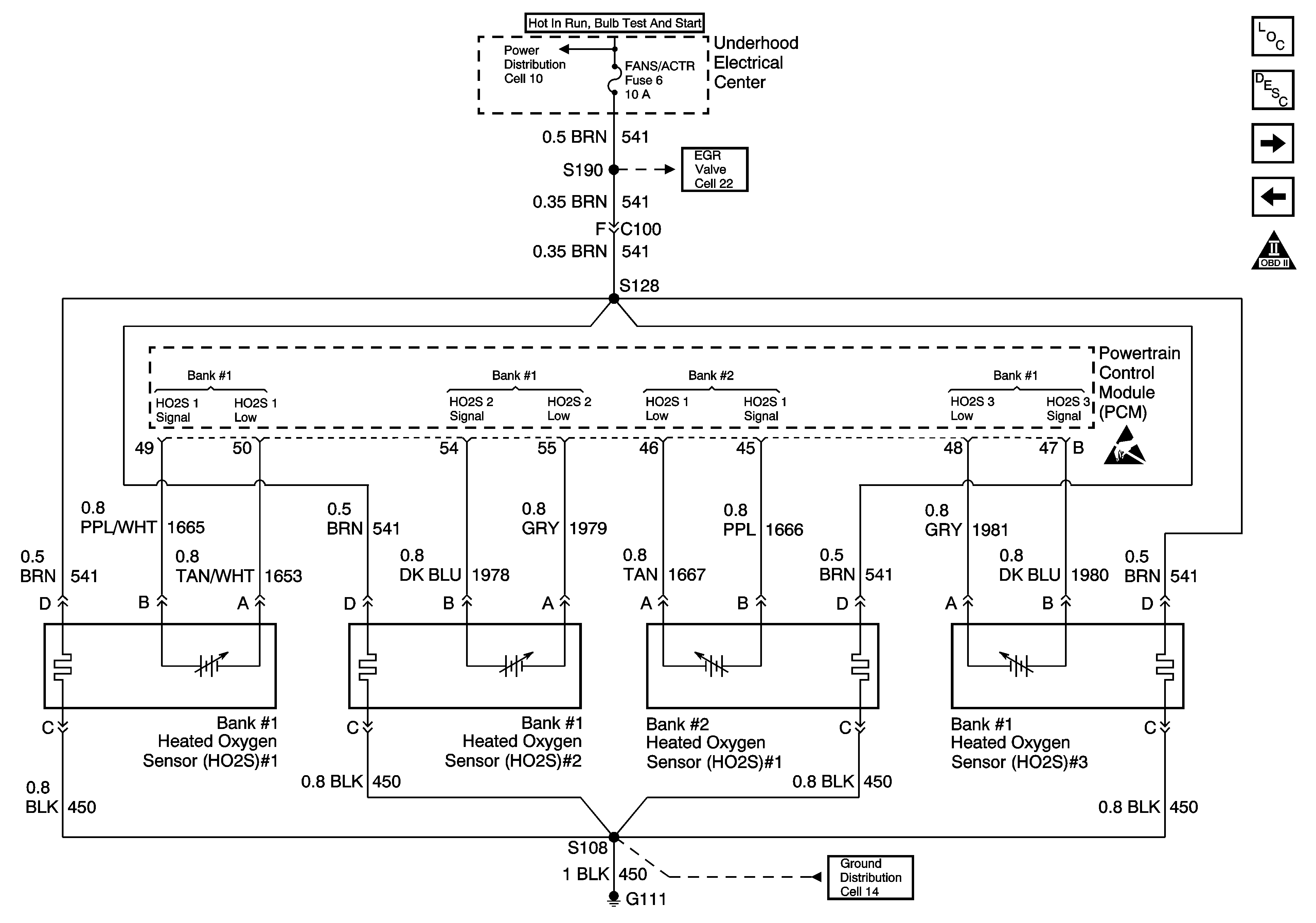
Figure 7:

HO2S Sensors


Object Number: 1242477  Size: FS
Engine Controls Components
Information Sensors
Cruise Control, VSS
MAF Sensor, EVAP System, EGR Valve
OBD II Symbol Description Notice
Handling ESD Sensitive Parts Notice
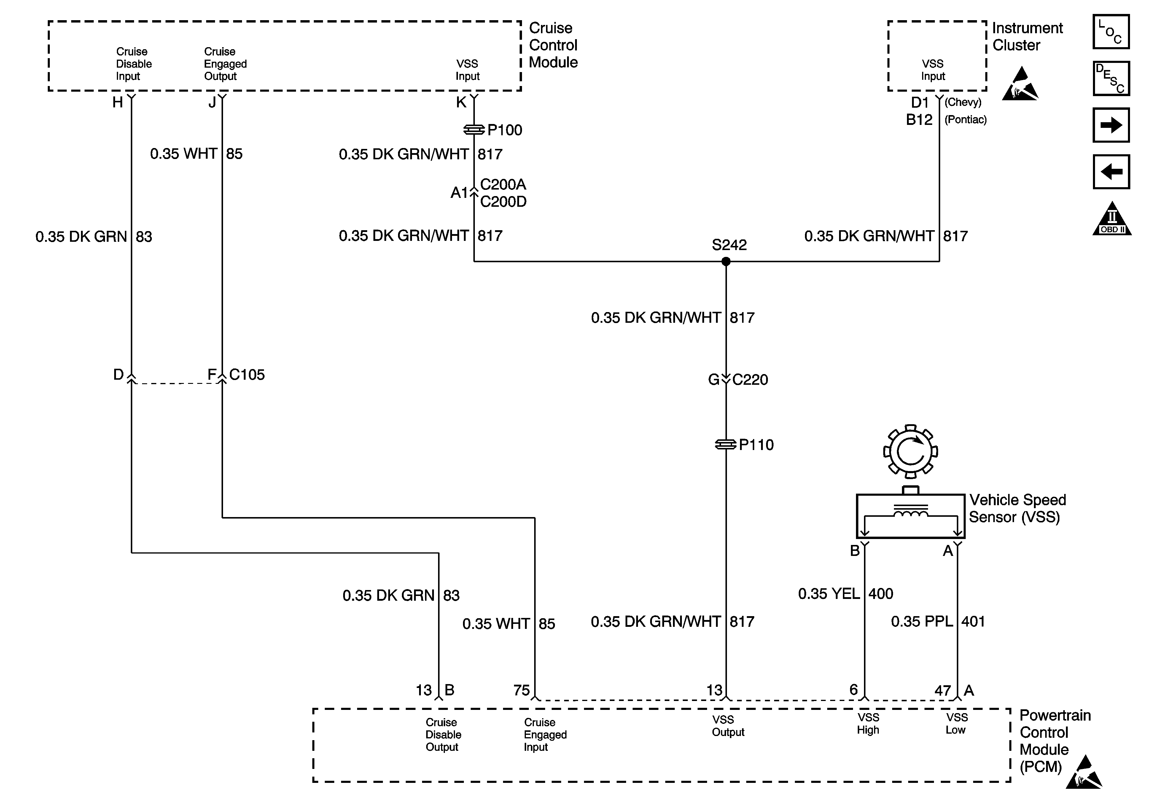
Figure 8:

Cruise Control, VSS


Object Number: 1242481  Size: FS
Engine Controls Components
DTC P1662 Cruise Control Inhibit Output Circuit
Gen Control, IAC, Check Gauges Lamp
MAF Sensor, EVAP System, EGR Valve
OBD II Symbol Description Notice
Handling ESD Sensitive Parts Notice
Handling ESD Sensitive Parts Notice
Figure 9:

Gen Control, IAC,Check Gauges Lamp


Object Number: 1242482  Size: FS
Engine Controls Components
Information Sensors
2nd Gear, Clutch Anticipated Switch
Cruise Control, VSS
OBD II Symbol Description Notice
Handling ESD Sensitive Parts Notice
Handling ESD Sensitive Parts Notice
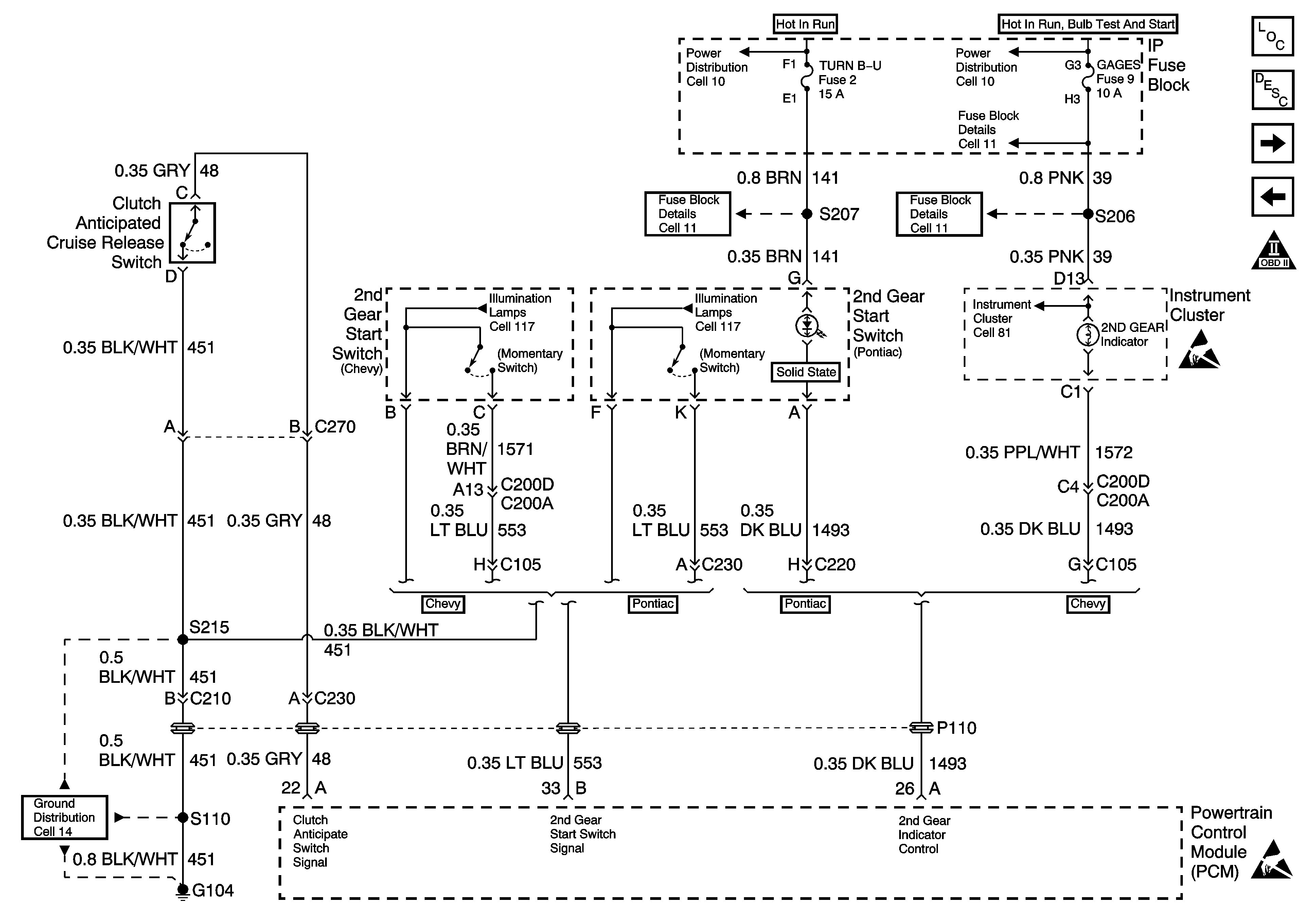
Figure 10:

2nd Gear, Clutch Anticipated Switch


Object Number: 1242484  Size: FS
Engine Controls Components
DTC P0704 Clutch Switch Circuit
Brake Switch, TCC Solenoid
Gen Control, IAC, Check Gauges Lamp
OBD II Symbol Description Notice
Handling ESD Sensitive Parts Notice
Handling ESD Sensitive Parts Notice
Figure 11:

Brake Switch, TCC Solenoid


Object Number: 1242486  Size: FS
Engine Controls Components
Information Sensors
A/C HAVOC Control
2nd Gear, Clutch Anticipated Switch
OBD II Symbol Description Notice
Handling ESD Sensitive Parts Notice
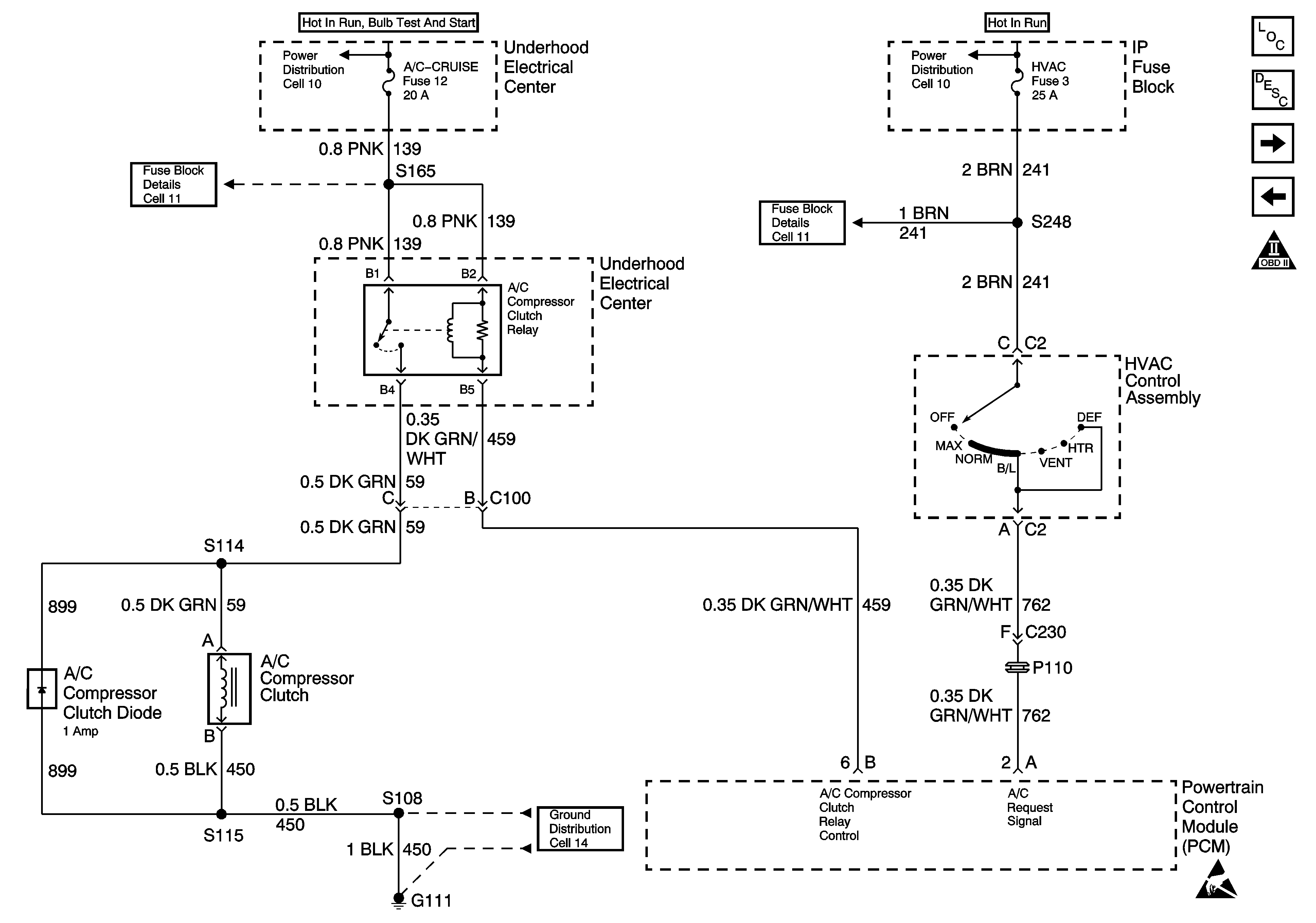
Figure 12:

A/C HVAC Control


Object Number: 1242504  Size: FS
Engine Controls Components
Powertrain Control Module Controlled Air Conditioning
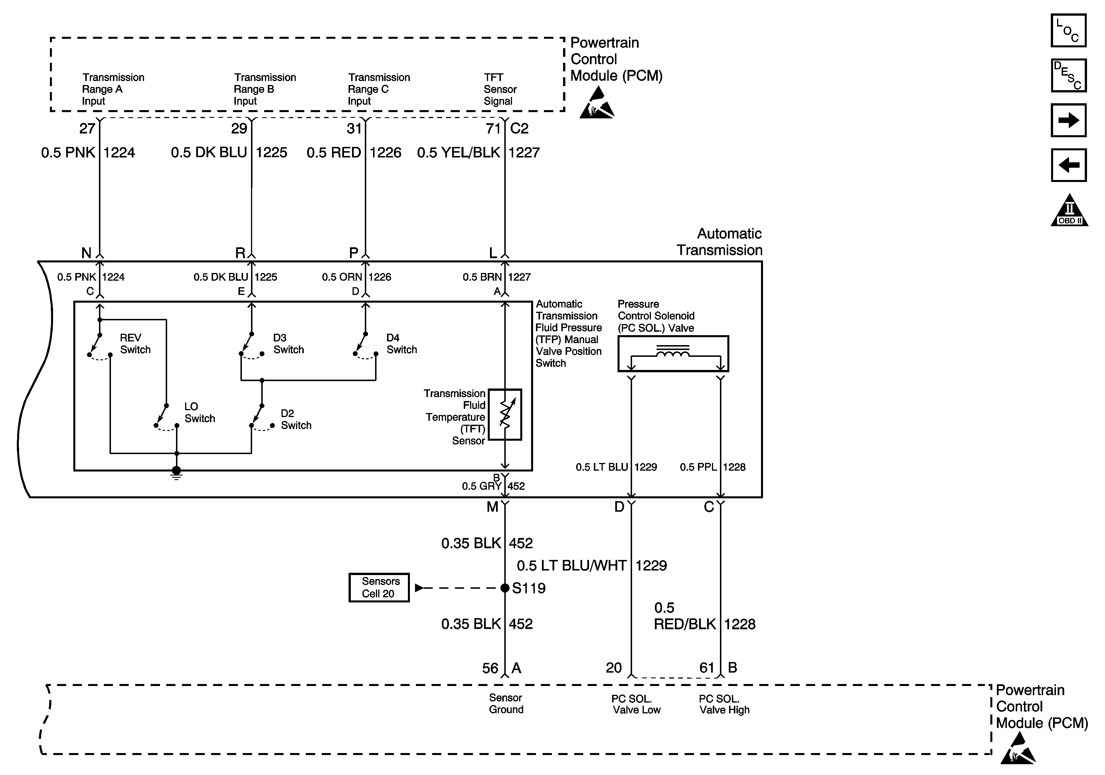
Trans Range
Brake Switch, TCC Solenoid
OBD II Symbol Description Notice
Handling ESD Sensitive Parts Notice
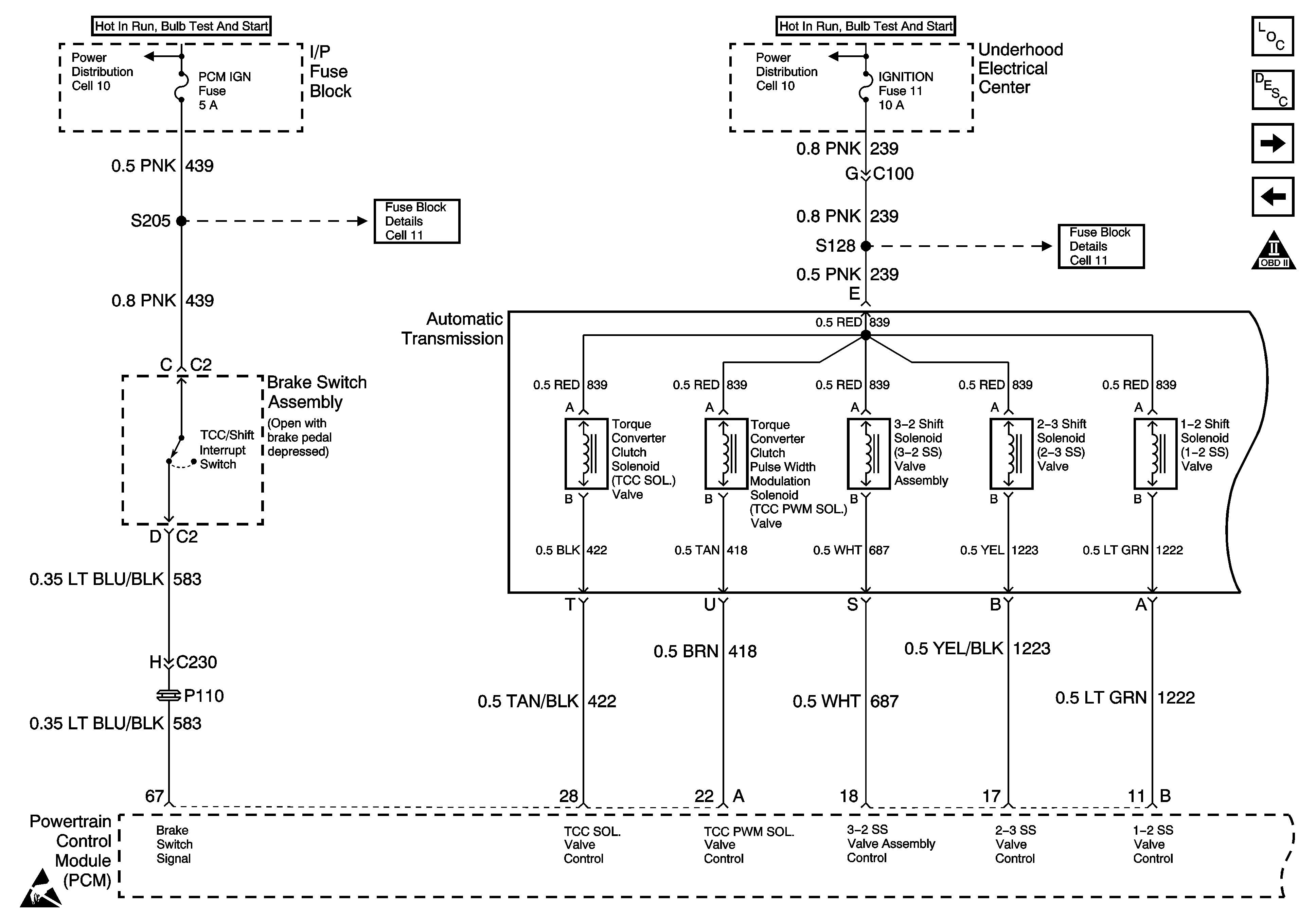
Figure 13:

Trans Range


Object Number: 1242510  Size: FS
Engine Controls Components
Information Sensors
Cooling Fans
A/C HAVOC Control
OBD II Symbol Description Notice
Handling ESD Sensitive Parts Notice
Handling ESD Sensitive Parts Notice
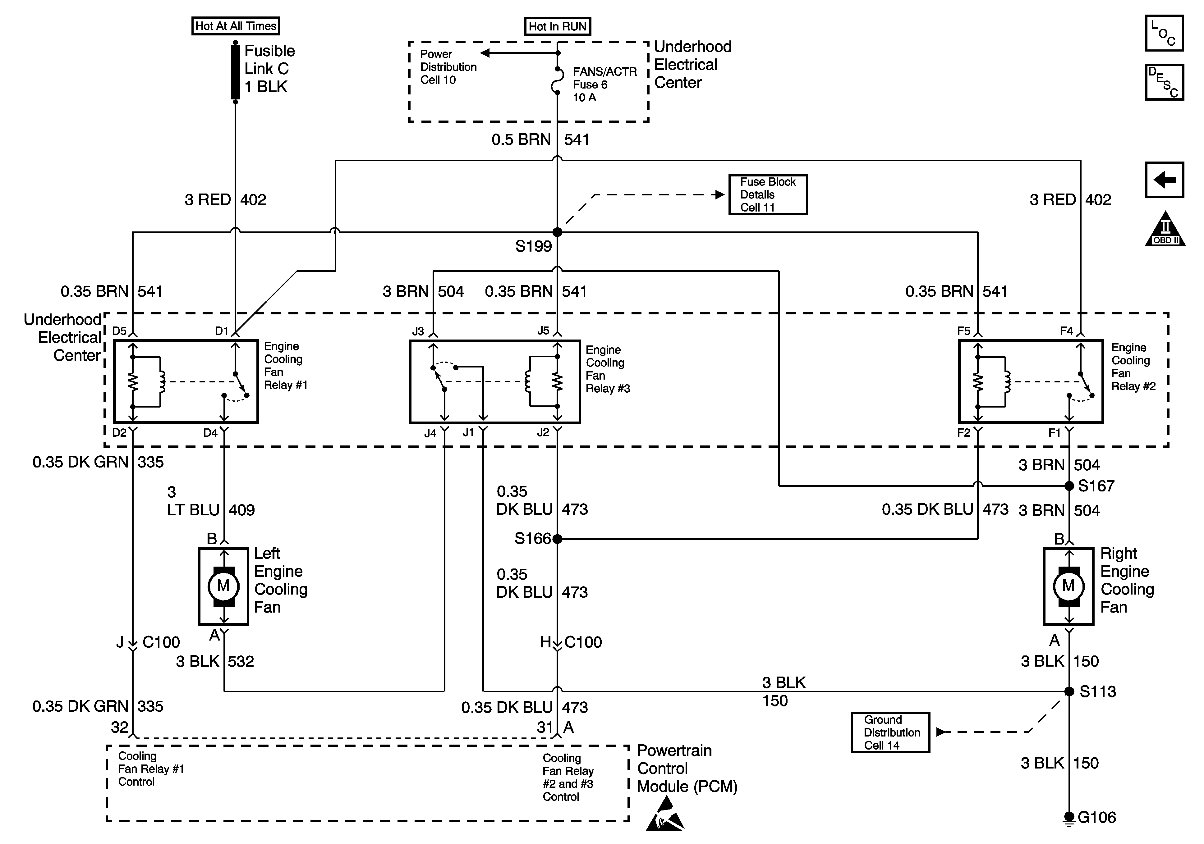
Figure 14:

Cooling Fans


Object Number: 1242513  Size: FS
Engine Controls Components
Electric Cooling Fan
Trans Range
OBD II Symbol Description Notice
Handling ESD Sensitive Parts Notice