GM Service Manual Online
For 1990-2009 cars only

HEADLAMP FLUTTER / PREMATURE LAMP BURN

SUBJECT: HEADLAMP FLUTTER/PREMATURE LAMP BURN OUT (ADD SPACERS)

MODELS: 1995 PONTIAC FIREBIRD

CONDITION:

SOME CUSTOMERS MAY EXPERIENCE HEADLAMP FLUTTER OR EARLY LAMP REPLACEMENT.

CAUSE:

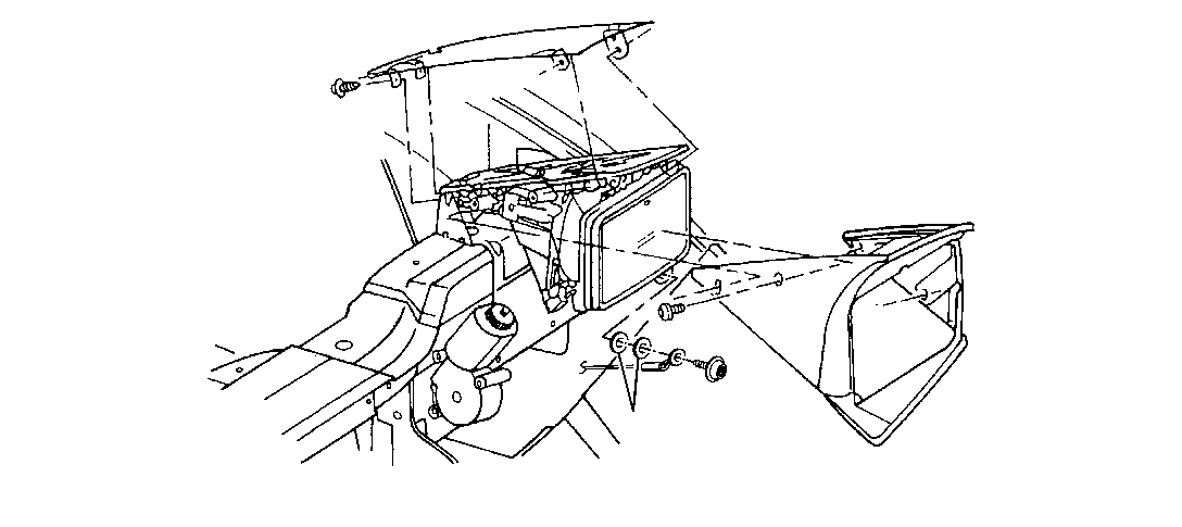
THIS MAY BE CAUSED BY A LONG HEADLAMP MODULE UP STOP CABLE. IF THE CABLE IS NOT TAUT WHEN THE HEADLAMP MODULE IS IN THE RAISED POSITION, VIBRATION OF THE LAMP MAY RESULT WHEN DRIVING. THIS MAY SHORTEN LAMP LIFE OR CAUSE HEADLIGHT FLUTTER. THIS CABLE IS VISIBLE WITH THE HOOD OPEN AND THE HEADLAMP MODULE RAISED. IT IS JUST BELOW THE HEADLAMP AND OUTBOARD OF THE LAMP CENTERLINE.

CORRECTION:

PROCEDURE:

1. WITH THE HOOD OPEN AND THE LAMP MODULE IN THE RAISED POSITION, TOUCH THE CABLE TO DETERMINE IF IT IS TAUT. IF LOOSE, REMOVE THE HEADLAMP BEZEL (FOUR (4) PHILLIPS SCREWS), AND THE FORWARD CABLE ATTACHING SCREW (#15 TORX DRIVER) LOCATED JUST BELOW THE LAMP.

2. BY TRIAL AND ERROR, ADD SMALL, CORROSION PROTECTED, WASHERS BETWEEN THE CABLE END FITTING AND THE ATTACHING BOSS, UNTIL THE CABLE BECOMES TAUT. THICKNESS OF STACKED WASHERS MAY RANGE BETWEEN 1.0 AND 2.0MM (0.40" - 0.80").

3. AIM HEADLAMP.

4. REINSTALL BEZEL.

5. TORQUE FASTENERS TO 1.7 N.M (15 LB IN).

REFER TO SERVICE MANUAL, SECTION 8B.

WARRANTY INFORMATION:

FOR VEHICLES REPAIRED UNDER WARRANTY, USE: LABOR OPERATION: N0225 LABOR TIME: 0.3 HR ADD: 0.3 HR FOR ONE CABLE ADJUSTMENT ADD: 0.5 HR FOR BOTH CABLE ADJUSTMENTS MATERIAL ALLOWANCE: $0.50

FIGURES: 1


Object Number: 82767  Size: FS

GENERAL MOTORS BULLETINS ARE INTENDED FOR USE BY PROFESSIONAL TECHNICIANS, NOT A "DO-IT-YOURSELFER". THEY ARE WRITTEN TO INFORM THOSE TECHNICIANS OF CONDITIONS THAT MAY OCCUR ON SOME VEHICLES, OR TO PROVIDE INFORMATION THAT COULD ASSIST IN THE PROPER SERVICE OF A VEHICLE. PROPERLY TRAINED TECHNICIANS HAVE THE EQUIPMENT, TOOLS, SAFETY INSTRUCTIONS AND KNOW-HOW TO DO A JOB PROPERLY AND SAFELY. IF A CONDITION IS DESCRIBED, DO NOT ASSUME THAT THE BULLETIN APPLIES TO YOUR VEHICLE, OR THAT YOUR VEHICLE WILL HAVE THAT CONDITION. SEE A GENERAL MOTORS DEALER SERVICING YOUR BRAND OF GENERAL MOTORS VEHICLE FOR INFORMATION ON WHETHER YOUR VEHICLE MAY BENEFIT FROM THE INFORMATION.

COPYRIGHT 1995 GENERAL MOTORS CORPORATION. ALL RIGHTS RESERVED.