GM Service Manual Online
For 1990-2009 cars only

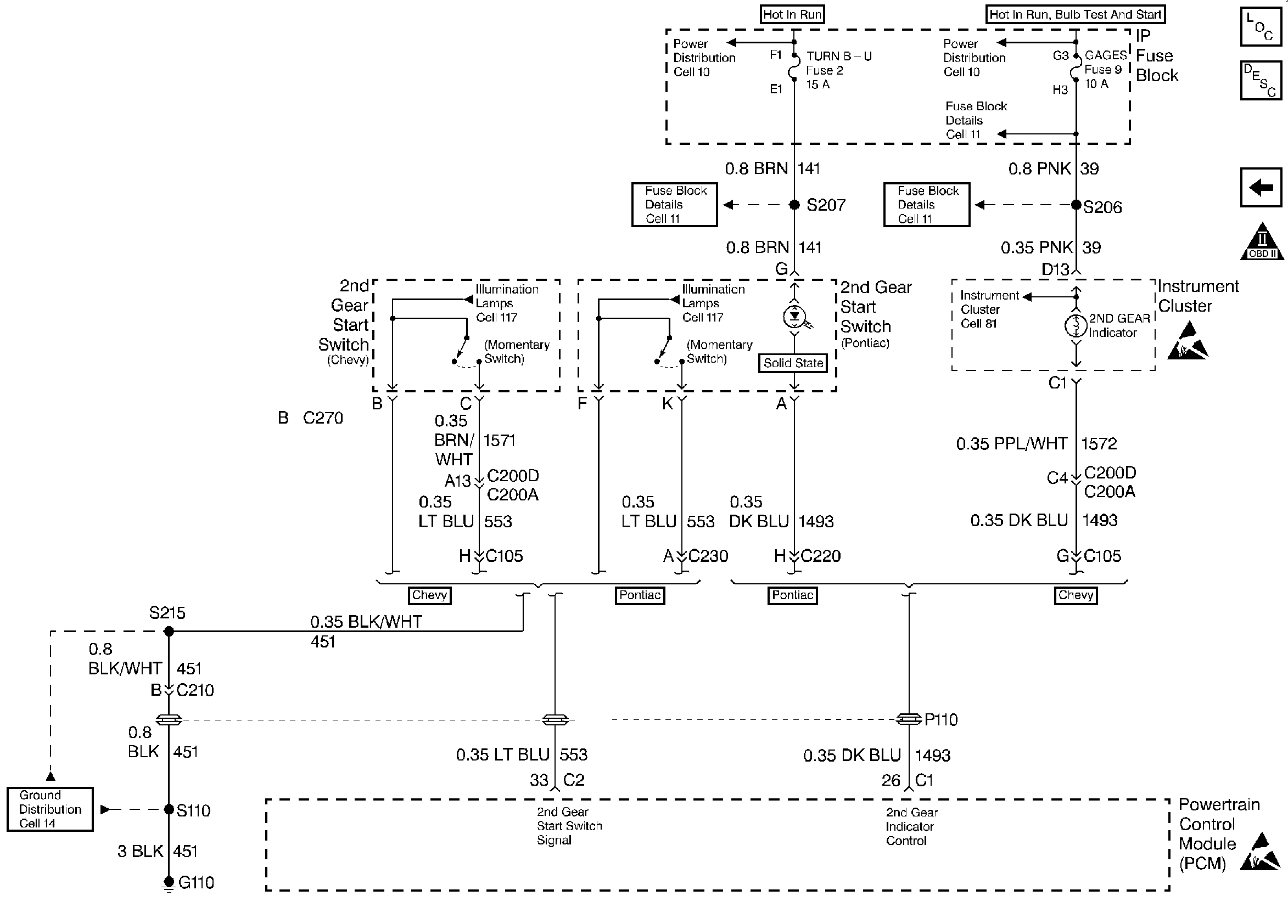
Second Gear Start Switch/Indicator Always On or Inoperative 3.8L VIN K only

Circuit Description

Important: Refer to Automatic Transmission Controls - Cell 39,

2nd Gear Start Switch


Object Number: 26712  Size: FS
for the appropriate schematic.

The 2nd gear start switch enables the operator to select a 2nd gear start for increased traction in slippery driving conditions. When the operator selects 2nd gear, the second gear start switch input signal momentarily toggles to zero volts. The PCM then turns ON the 2nd gear start mode indicator lamp and de-energizes the 1-2 shift solenoid, enabling second gear. This 2nd gear start mode indicator lamp is located within the switch itself on Pontiacs and in the instrument cluster on Chevys.

During light and medium acceleration conditions, the vehicle starts in 2nd gear when second gear is selected. However, 2nd gear starts are overridden and 1st gear starts occur if a hard acceleration condition (wide open throttle) is requested. Normal 1st gear start mode is obtained by toggling the 2nd gear start switch again, or when the ignition switch is cycled OFF then ON.

Diagnostic Aids

If the electrical circuit checks are OK and 2nd gear starts are not correct, then a mechanical/hydraulic malfunction might exist. Refer to Automatic Transmission Diagnosis, Section 7.

Test Description

The numbers below refer to the step numbers on the diagnostic chart.

  1. Step 1 tests the second gear start switch circuits.

  2. Step 2 tests for a faulty 2nd gear start switch.

  3. Step 4 tests for a voltage input from the PCM to the 2nd gear start switch.

  4. Step 6 tests for a voltage input from the fuse to the 2nd gear start switch.

  5. Step tests for a faulty indicator lamp circuit within the 2nd gear start switch.

2nd Gear Start Switch and Indicator Lamp Circuit Check

Step

Action

Value(s)

Yes

No

1

  1. Install the scan tool.
  2. With the engine OFF, turn the ignition switch to the Run position.
  3. While cycling the switch to the Run position then to the OFF position, observe 2nd Gear Start Lamp on the scan tool.

Is ON displayed the first time you press the switch, and OFF when you press the switch a second time?

--

Go to Step 6

Go to Step 2

2

Install a fused jumper between terminals K and F (Pontiac) or B and C (Chevrolet) at the 2nd gear start switch while observing the scan tool display.

Does the scan tool indicate On?

--

Go to Step 10

Go to Step 3

3

Inspect and repair circuit 451 for an open circuit. Refer to Electrical Diagnosis, Section 8.

Did you find and correct a problem?

--

Go to Step 12

Go to Step 4

4

Using the J 39200 DVOM, check the voltage input at terminal K (Pontiac) or C (Chevrolet) of the 2nd gear start switch.

Was B+ measured?

--

Go to Step 11

Go to Step 5

5

Inspect and repair circuits 553 and 1571 for an open. Refer to Electrical Diagnosis, Section 8.

Did you find and correct a problem?

--

Go to Step 12

Go to Step 11

6

Pontiac: Install a test lamp to ground and probe terminal G of the 2nd gear start switch.

Chevrolet: Install a test lamp to ground and probe terminal D13 of the instrument cluster.

Is the test lamp On?

--

Go to Step 8

Go to Step 7

7

Inspect and repair the ignition voltage feed circuits 141 (Pontiac) and 39 (Chevrolet) for an open or short to ground. Refer to Electrical Diagnosis, Section 8.

Did you find and correct a problem?

--

Go to Step 12

--

8

  1. Disconnect the second gear start switch connector.
  2. Important: Pontiac: Connect the positive meter lead to terminal G and the negative meter lead to terminal A.

  3. Pontiac: Using the J 39200 DVOM, inspect the continuity between terminals G and A of the 2nd gear start switch.
  4. Chevrolet: Inspect for continuity between terminals D13 and C1. Use the J 39200 DVOM.

Did you measure the continuity?

--

Go to Step 9

Go to Step 10

9

Inspect and repair circuits 1493 and 1572 for an open. Refer to Electrical Diagnosis, Section 8.

Did you find and correct a problem?

--

Go to Step 12

--

10

  1. Pontiac: Replace the 2nd gear start switch. Refer to 2nd Gear Start Switch Replacement.
  2. Chevrolet: Inspect the 2nd Gear start indicator bulb within the instrument cluster. If the bulb is OK, replace the instrument cluster. Refer to Instrument Cluster Replacement.

--

Go to Step 12

 

11

Replace the PCM. Refer to PCM Replacement, Section 6.

Is the replacement complete?

--

Go to Step 12

--

12

After the repair is complete, select 2nd Gear Start Lamp on the scan tool.

Does the scan tool display On when you first press the 2nd gear start switch, and then Off when you press the 2nd gear start switch a second time, and does the 2nd gear start switch indicator lamp turn On after you first press the second gear start switch, and then turn Off after you press the 2nd gear start switch a second time?

--

System OK

Begin the diagnosis again. Go to Step 1.