GM Service Manual Online
For 1990-2009 cars only
Makes
🢒
Pontiac
🢒
1996
🢒
Firebird
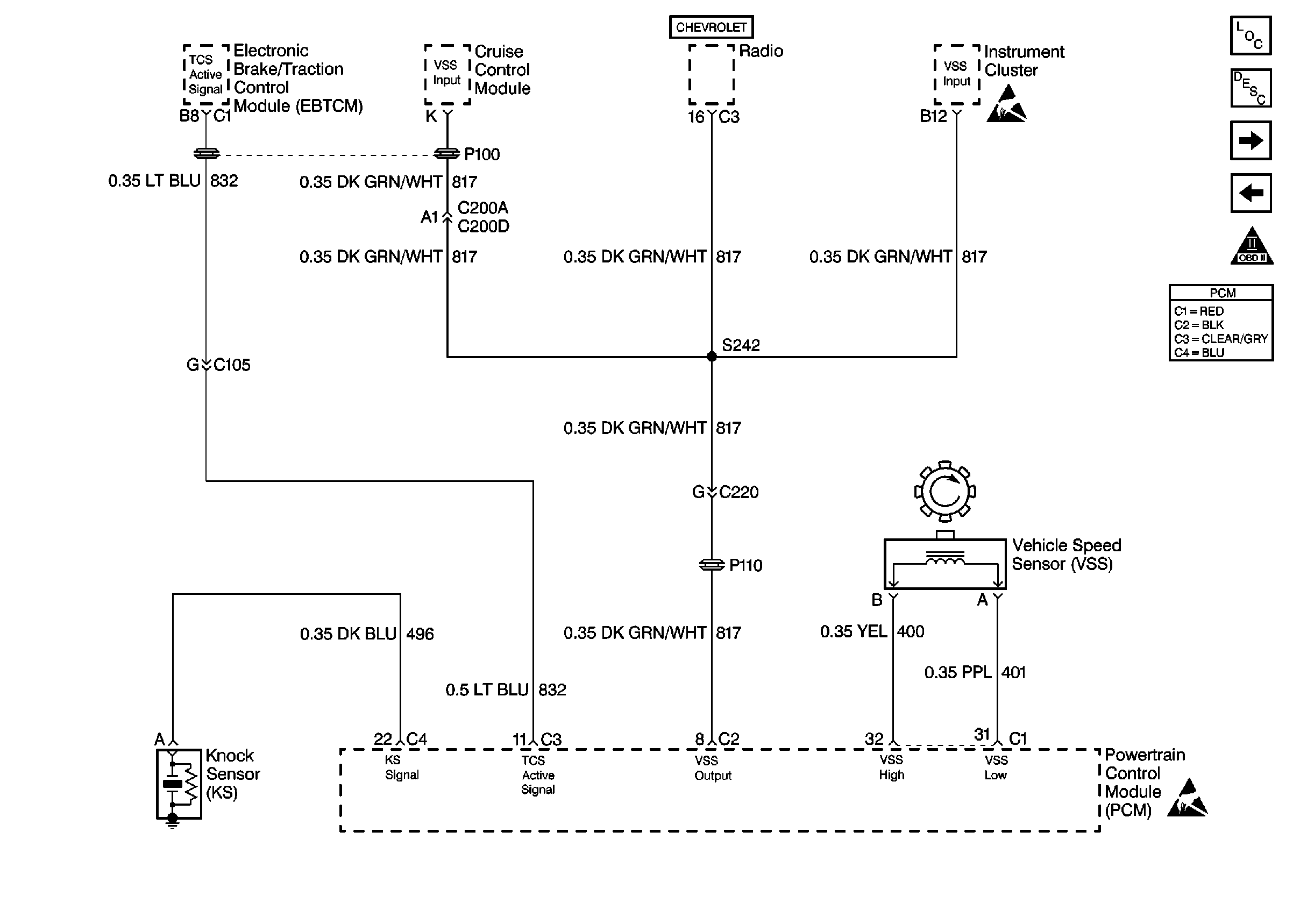
🢒 Engine Data Sensors, TCS Active Signal, VSS Output
Engine Data Sensors, TCS Active Signal, VSS Output
Engine Data Sensors, TCS Active Signal, VSS Output
Engine Controls Components
Information Sensors
MAF, EVAP and EGR
Heated Oxygen Sensors
OBD II Symbol Description Notice
Handling ESD Sensitive Parts Notice
Handling ESD Sensitive Parts Notice