GM Service Manual Online
For 1990-2009 cars only

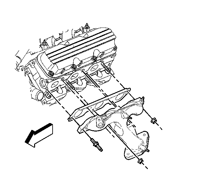
Exhaust Manifold Installation Left Side


    Object Number: 36635  Size: SH
  1. Install the exhaust manifold gasket to the cylinder head.
  2. Install the exhaust manifold to the cylinder head.
  3. Install the manifold bolts and studs.
  4. Tighten
    Tighten the bolts and studs to 12 N·m (107 lb in).

    Notice: Use the correct fastener in the correct location. Replacement fasteners must be the correct part number for that application. Fasteners requiring replacement or fasteners requiring the use of thread locking compound or sealant are identified in the service procedure. Do not use paints, lubricants, or corrosion inhibitors on fasteners or fastener joint surfaces unless specified. These coatings affect fastener torque and joint clamping force and may damage the fastener. Use the correct tightening sequence and specifications when installing fasteners in order to avoid damage to parts and systems.

    Important: When you remove the EGR tube from the left exhaust manifold, inspect the outlet pipe for leaks during installation. Replace the EGR adapter if the pipe leaks.


    Object Number: 36609  Size: SH
  5. Install the EGR outlet pipe to the exhaust manifold.
  6. Install the heat shield.
  7. Install the heat shield nuts.
  8. Tighten
    Tighten the bolts to 9 N·m (80 lb in).

  9. Connect the heated oxygen electrical connector to the support bracket.

Exhaust Manifold Installation Right Side


    Object Number: 36652  Size: SH
  1. Install the exhaust manifold gasket to the cylinder head.
  2. Install the exhaust manifold to the cylinder head.
  3. Install the manifold bolts and studs.
  4. Tighten
    Tighten the bolts to 12 N·m (107 lb in).

    Notice: Use the correct fastener in the correct location. Replacement fasteners must be the correct part number for that application. Fasteners requiring replacement or fasteners requiring the use of thread locking compound or sealant are identified in the service procedure. Do not use paints, lubricants, or corrosion inhibitors on fasteners or fastener joint surfaces unless specified. These coatings affect fastener torque and joint clamping force and may damage the fastener. Use the correct tightening sequence and specifications when installing fasteners in order to avoid damage to parts and systems.

  5. Install the exhaust manifold heat shields and nuts.
  6. Tighten
    Tighten the heat shield nuts to 9 N·m (80 lb in).

  7. Install the heated oxygen sensor electrical connector to the lift bracket.