GM Service Manual Online
For 1990-2009 cars only
Makes
🢒
Pontiac
🢒
1997
🢒
Firebird
🢒
Engine
🢒
Engine Cooling
🢒 Cooling Fan Schematics
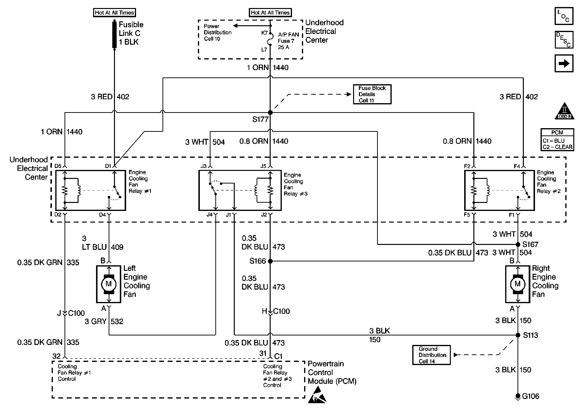
Figure
1:
Engine Cooling System Components
Electric Cooling Fan
3.8L Engine Cooling Fans
OBD II Symbol Description Notice
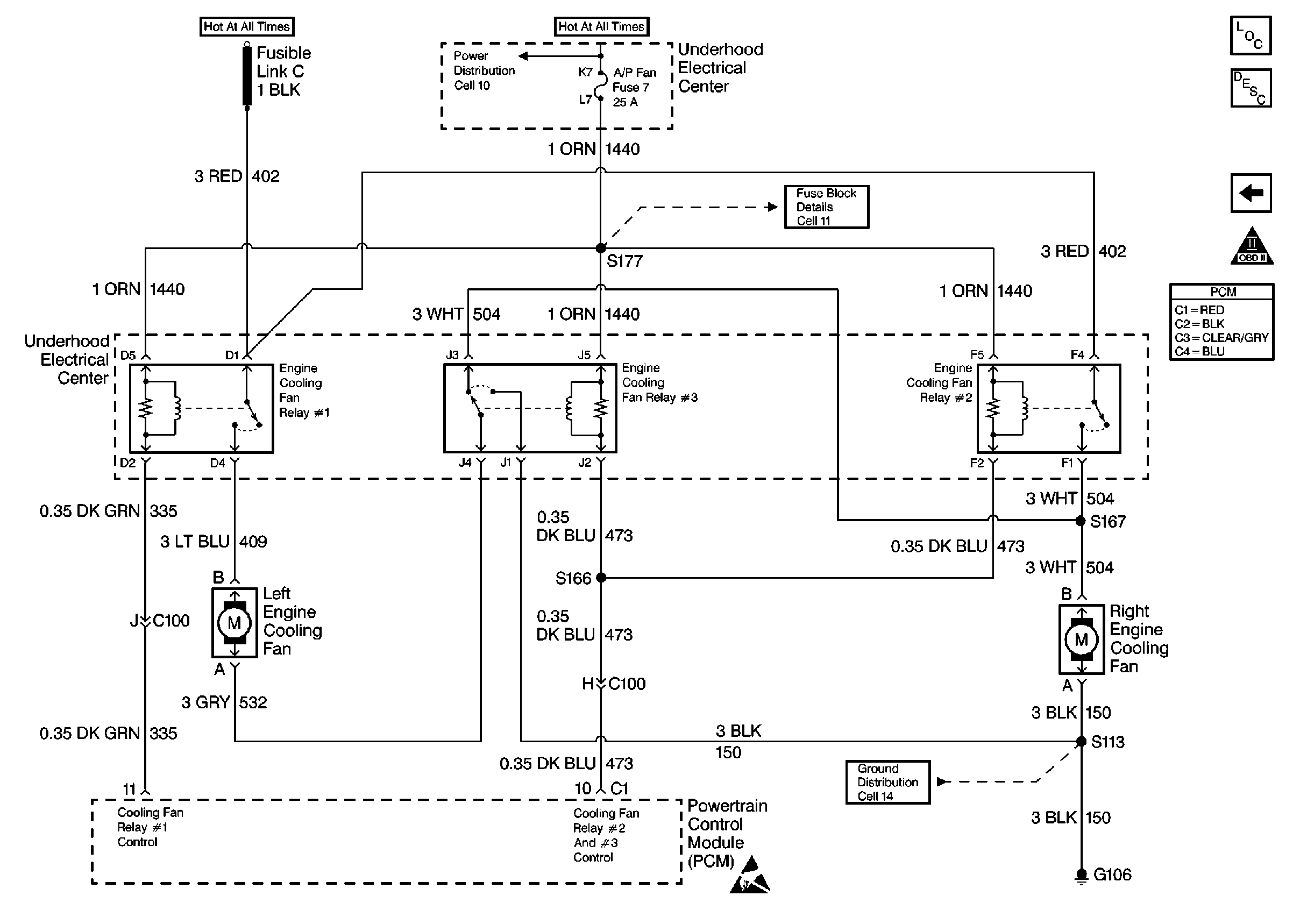
Figure
2:
Engine Cooling System Components
5.7L Engine Cooling Fans
OBD II Symbol Description Notice
Electric Cooling Fan