GM Service Manual Online
For 1990-2009 cars only

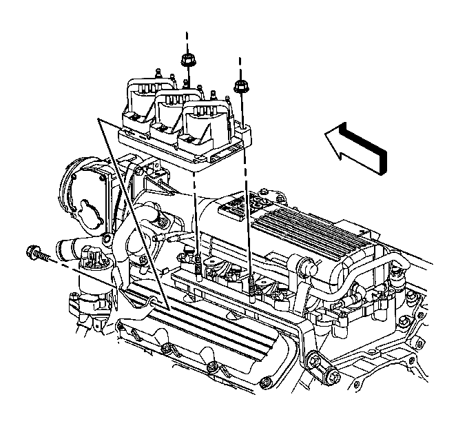
Removal Procedure


    Object Number: 43664  Size: SH

    Caution: Unless directed otherwise, the ignition and start switch must be in the OFF or LOCK position, and all electrical loads must be OFF before servicing any electrical component. Disconnect the negative battery cable to prevent an electrical spark should a tool or equipment come in contact with an exposed electrical terminal. Failure to follow these precautions may result in personal injury and/or damage to the vehicle or its components.

  1. Disconnect the negative battery cable.
  2. Disconnect the spark plug wire harness from the ignition control module.
  3. Disconnect the electrical connectors.
  4. Remove the ignition control module nuts.
  5. Remove the ignition control module.

Installation Procedure


    Object Number: 43664  Size: SH
  1. Install the ignition control module.
  2. Install the ignition control module nuts.
  3. Tighten
    Tighten the nuts to 10 N·m (89 lb in).

    Notice: Use the correct fastener in the correct location. Replacement fasteners must be the correct part number for that application. Fasteners requiring replacement or fasteners requiring the use of thread locking compound or sealant are identified in the service procedure. Do not use paints, lubricants, or corrosion inhibitors on fasteners or fastener joint surfaces unless specified. These coatings affect fastener torque and joint clamping force and may damage the fastener. Use the correct tightening sequence and specifications when installing fasteners in order to avoid damage to parts and systems.

  4. Connect the ignition control module electrical connectors.
  5. Connect the spark plug wire harness.