GM Service Manual Online
For 1990-2009 cars only

Accelerator Controls Cable

Removal Procedure


    Object Number: 12613  Size: SH
  1. Remove the left instrument panel insulator. Refer to Instrument Panel Insulator in the Instrument Panel, Gages and Console section.
  2. Disconnect the accelerator cable (3) from the accelerator pedal lever (2).
  3. Squeeze the accelerator cable cover tangs (1) and push the cable through the dash panel.

  4. Object Number: 21286  Size: SH
  5. Disconnect the fuel and EVAP pipes from the retainer on the accelerator cable shield.
  6. Remove the accelerator cable shield.

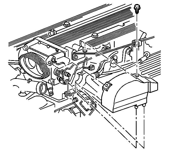
  7. Object Number: 21283  Size: SH
  8. Disconnect the accelerator cable (2) from the retaining clip (3).
  9. Disconnect the cruise control cable (if equipped) from the throttle body lever and the accelerator cable bracket.
  10. Disconnect the accelerator cable (2) from the throttle body lever (4).
  11. Remove the accelerator cable (2) from the accelerator cable bracket (1).

Installation Procedure

  1. Install the accelerator cable (3) through the dash panel. Snap the retainer (1) through the dash panel.
  2. Install the accelerator cable (3) through the slot in the accelerator pedal lever (2). Seat the retainer (4) in the accelerator pedal lever (2).

  3. Object Number: 21283  Size: SH
  4. Connect the accelerator cable (2) to the throttle body lever (4).
  5. Connect the accelerator cable (2) to the accelerator cable bracket (1).
  6. Connect the cruise control cable (if equipped) to the throttle body lever and the accelerator cable bracket.
  7. Install the accelerator cable (2) into the retaining clip (3).
  8. Check for complete throttle opening and closing positions by operating the accelerator pedal. Also check for poor carpet fit under the accelerator pedal. The throttle should operate freely without bind between full closed throttle and wide open throttle.
  9. Install the left instrument panel insulator. Refer to Instrument Panel Insulator in the Instrument Panel, Gages and Console section.

  10. Object Number: 21286  Size: SH
  11. Install the accelerator cable shield.
  12. Install the fuel and EVAP pipes into the retainer on the accelerator cable shield.

Accelerator Controls Accelerator Pedal

Removal Procedure

  1. Remove the accelerator pedal pivot pin.
  2. Remove the accelerator pedal from the accelerator pedal lever.

Installation Procedure

  1. Install the accelerator pedal and spring to the accelerator pedal lever.
  2. Install the accelerator pedal pivot pin.
  3. Check for complete throttle opening and closing positions by operating the accelerator pedal. Also check for poor carpet fit under the accelerator pedal. The throttle should operate freely without bind between full closed throttle and wide open throttle.