GM Service Manual Online
For 1990-2009 cars only

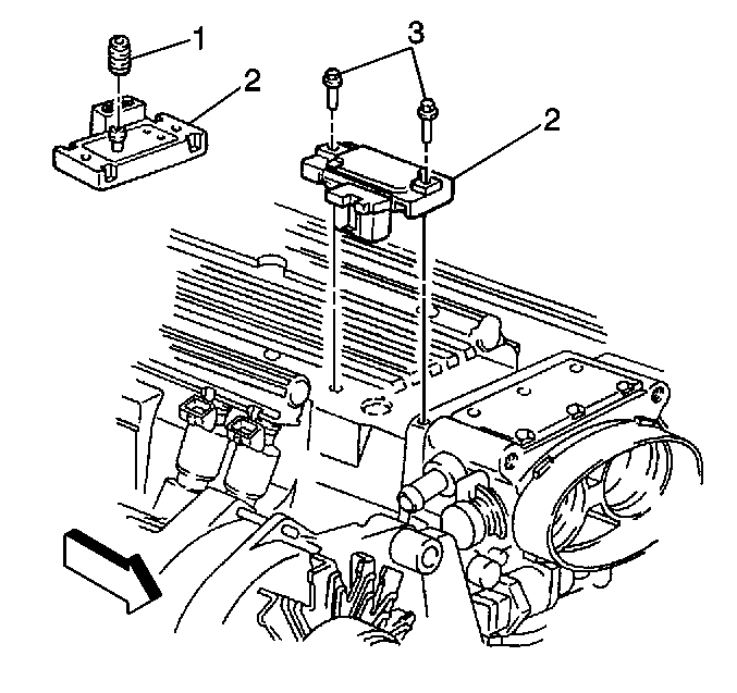
Removal Procedure


    Object Number: 21175  Size: SH
  1. Disconnect the MAP sensor electrical connector.
  2. Remove the Hold down bolts (3).
  3. Remove the MAP sensor (2) from the intake manifold.

Installation Procedure


    Object Number: 21175  Size: SH
  1. Install the New MAP sensor seal (1), lightly coated with clean engine oil.
  2. Install the MAP sensor (2) to the intake manifold.
  3. Install the Hold down bolts (3).
  4. Tighten
    Tighten the MAP sensor bolts to 6 N·m (50 lb in)

  5. Connect the MAP sensor electrical connector.