GM Service Manual Online
For 1990-2009 cars only
Makes
🢒
Pontiac
🢒
1997
🢒
Firebird
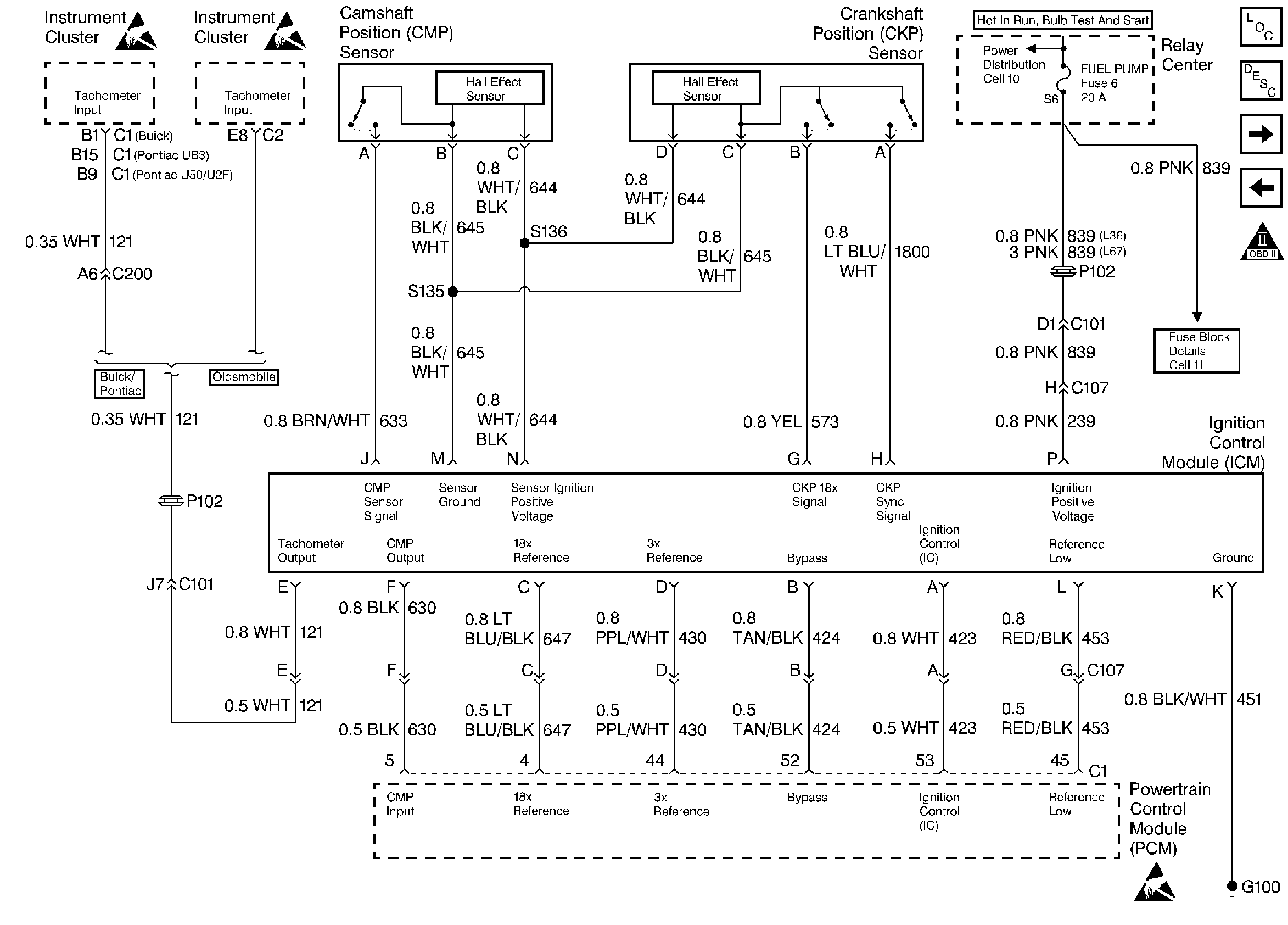
🢒 Ignition Control Module
Ignition Control Module
Ignition Control Module
VIN K Fuel Conrol
OBD II Symbol Description Notice
MIL Control
Handling ESD Sensitive Parts Notice
Handling ESD Sensitive Parts Notice
Handling ESD Sensitive Parts Notice