GM Service Manual Online
For 1990-2009 cars only
Makes
🢒
Pontiac
🢒
1997
🢒
Firebird
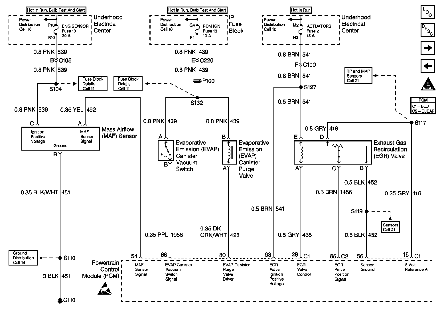
🢒 MAF Sensor, EVAP System, EGR Valve
MAF Sensor, EVAP System, EGR Valve
MAF Sensor, EVAP System, EGR Valve
Engine Controls Components
Information Sensors
HO2S Sensors
A/C Refrigerant Pressure, TP, MAP, ECT, IAT Sensors
OBD II Symbol Description Notice
Handling ESD Sensitive Parts Notice