GM Service Manual Online
For 1990-2009 cars only

DTC P0742 TCC System Stuck On 3.8L, VIN K


Object Number: 53641  Size: LF
Handling ESD Sensitive Parts Notice
OBD II Symbol Description Notice
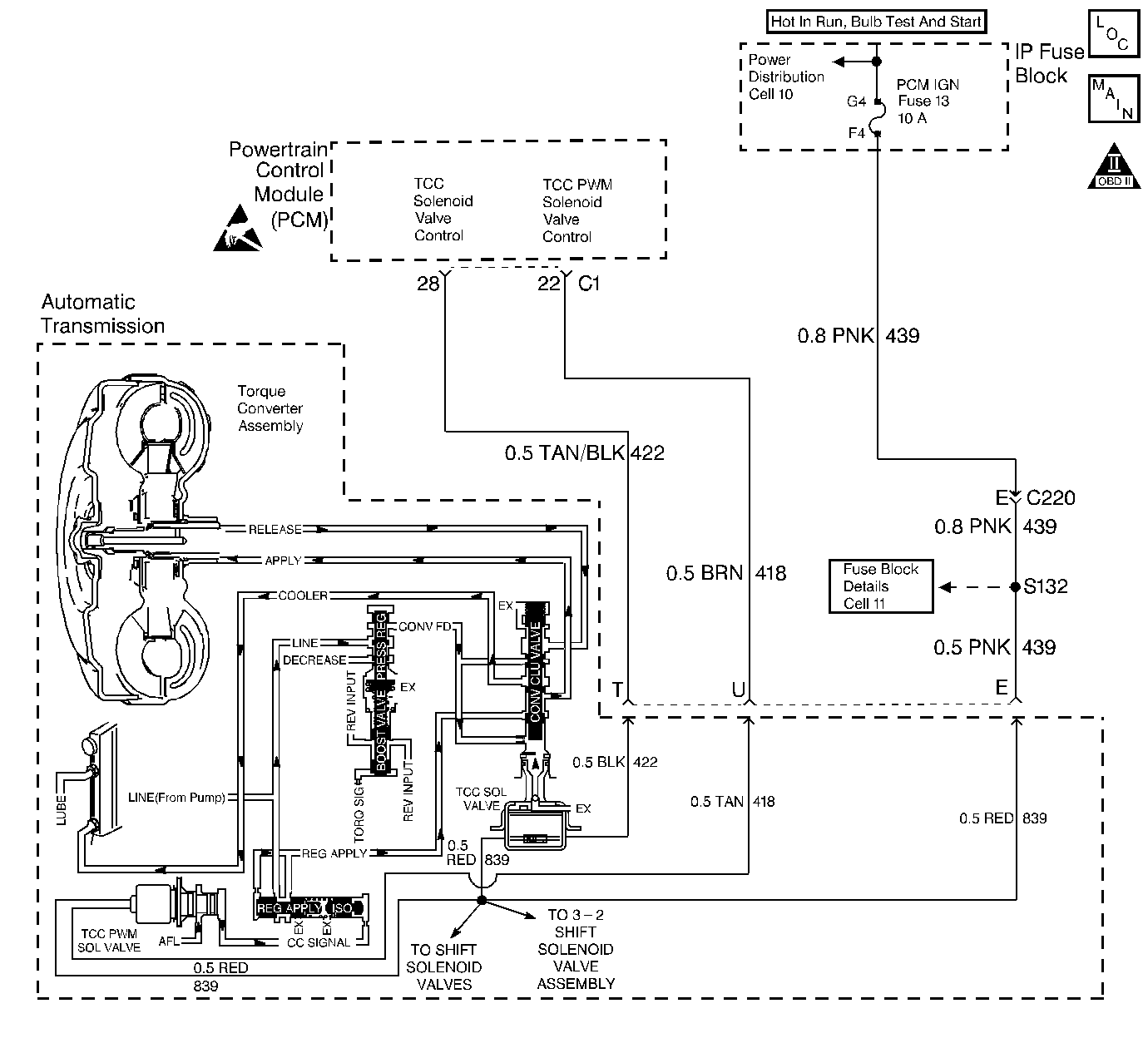
Automatic Transmission Components VIN K

Circuit Description

The PCM energizes the TCC Solenoid Valve by creating a ground path on circuit 422. When grounded (energized) by the PCM, the TCC Solenoid Valve stops converter signal oil exhaust. Converter signal oil pressure will increase. Increased converter signal oil pressure will move the TCC valve. The TCC Solenoid Valve will de-energize when the PCM no longer provides a ground path. When the TCC Solenoid Valve is de-energized, the valve will release fluid and release the TCC.

If the PCM detects a low torque converter slip when the TCC is OFF, in 2 consecutive ignition cycles, then DTC P0742 sets. DTC P0742 is a type B DTC.

Conditions for Setting the DTC

    • No TP DTCs P0122 or P0123
    • No VSS DTCs P0502 or P0503.
    • No TFP Valve Position Switch DTC P1810
    • No TCC PWM Solenoid Valve DTC P1860
    • No TCC Solenoid Valve DTC P0740.
    • The TP angle is 13-50%.
    • The engine speed is greater than 400 RPM for 5 seconds and not in fuel cutoff.
    • The engine vacuum is 0-105 kPa.
    • The engine torque is 50-400 lb ft.
    • The engine speed is 1000-3000 RPM.
    • The commanded gear is not 1st.
    • The speed ratio is 0.95-1.7 (Speed ratio is the engine speed divided by the output speed).
    • The vehicle speed is 32-80 km/h (20-50 mph).
    • No gear range change within 6 seconds.
    • No MAP DTCs P0107 or P0108.
    • The gear range is D4.
    • The TCC is commanded OFF.
    • The TCC slip speed is 20-30 RPM.
    • All conditions are met for 3 seconds in two consecutive ignition cycles.

Action Taken When the DTC Sets

    • The PCM freezes shift adapts from being updated.
    • The PCM illuminates the Malfunction Indicator Lamp (MIL).

Conditions for Clearing the MIL/DTC

    • The PCM turns OFF the MIL after three consecutive ignition cycles without a failure reported.
    • A scan tool can clear the DTC from the PCM history. The PCM clears the DTC from the PCM history if the vehicle completes 40 warm-up cycles without a failure reported.
    • The PCM cancels the DTC default actions when the fault no longer exists and the ignition is OFF long enough in order to power down the PCM.

Diagnostic Aids

    • The TCC may mechanically stick ON with the parking brake applied and any gear range selected. In this case, the TCC fluid mechanically applies the TCC. Mechanically applying the TCC may cause an engine stall.
    • A stuck TP sensor at greater than 15% will set this code.

Test Description

The numbers below refer to the step numbers on the diagnostic table.

  1. This step tests the TCC for a mechanical malfunction. When the PCM commands the TCC Solenoid Valve OFF, the slip speed should increase.

DTC P0742 Torque Converter Clutch (TCC) Stuck ON

Step

Action

Value(s)

Yes

No

1

Was the Powertrain On-Board Diagnostic (OBD) System Check performed?

--

Go to Step 2

Go to Powertrain On Board Diagnostic (OBD) System Check , Section 6.

2

  1. Install the Scan Tool ®.
  2. With the engine OFF, turn the ignition switch to the RUN position.
  3. Important: Before clearing the DTCs, use the scan tool in order to record the Freeze Frame and the Failure Records for reference. The Clear Info function will erase the data.

  4. Record the DTC Freeze Frame and Failure Records.
  5. Use the scan tool in order to verify the TP Sensor operation.

Are the TP Sensor values within the range shown?

0.6 - 5.0 volts

Go to Step 3

Go to Diagnostic Aids

3

Drive the vehicle in the D4 drive range in fourth gear under steady acceleration, with a TP angle greater than 25%.

Display the TCC Solenoid Valve state on the scan tool. While the valve state is OFF, does the scan tool display a TCC Slip Speed in the range shown?

-20 to +20 RPM

Go to Step 4

Go to Diagnostic Aids

4

The TCC is mechanically stuck ON. Inspect the TCC for the following problems:

    • A clogged exhaust orifice in the TCC Solenoid Valve
    • The converter clutch apply valve is stuck in the apply position.
    • A misaligned valve body gasket
    •  A damaged valve body gasket
    • Restricted release passage

Refer to On-Vehicle Service.

Did you find and correct a problem?

--

Go to Step 5

--

5

  1. After the repair is complete, select DTC.
  2. Select Clear Info.
  3. • Hold the throttle at 25%. Accelerate to 88 km/h (55 mph). If the throttle moves more than 3%, stop the vehicle and begin again.
    • Ensure that the TCC slip speed is 100-1000 RPM for 5  seconds, with the TCC OFF.
  4. Select Specific DTC. Enter DTC P0742.

Has the test run and passed?

--

System OK

Begin the diagnosis again. Go to Step 1

DTC P0742 TCC System Stuck On 5.7L, VIN P


Object Number: 53646  Size: LF
Automatic Transmission Components VIN P
OBD II Symbol Description Notice
Handling ESD Sensitive Parts Notice

Circuit Description

The PCM energizes the TCC Solenoid Valve by creating a ground path on circuit 422. When grounded (energized) by the PCM, the TCC Solenoid Valve stops converter signal oil exhaust. Converter signal oil pressure will increase. Increased converter signal oil pressure will move the TCC valve. The TCC Solenoid Valve will de-energize when the PCM no longer provides a ground path. When the TCC Solenoid Valve is de-energized, the valve will release fluid and release the TCC.

If the PCM detects a low torque converter slip when the TCC is OFF in two consecutive ignition cycles, then DTC P0742 sets. DTC P0742 is a type B DTC.

Conditions for Setting the DTC

DTC P0742 will set if the following conditions occur once per TCC cycle, three consecutive times.

    • No TP DTCs P0122 or P0123
    • No VSS DTC P0502
    • No TFP Valve Position Switch DTC P1810
    • No TCC PWM Solenoid Valve DTC P1860
    • No TCC Solenoid Valve DTC P0740.
    • The TP angle is greater than 13%.
    • The engine speed is greater than 450 RPM for greater than 2 seconds and less than 5500 RPM.
    • The engine vacuum is 40-80 kPa.
    • The commanded gear is not 1st.
    • The gear range is D4, D3, or D2.
    • The TCC is commanded OFF.
    • The TCC slip speed is -20 to +20 RPM for greater than 5.6 seconds.

Action Taken When the DTC Sets

    • The PCM freezes shift adapts from being updated.
    • The PCM illuminates the Malfunction Indicator Lamp (MIL).

Conditions for Clearing the MIL/DTC

    • The PCM turns OFF the MIL after three consecutive ignition cycles without a failure reported.
    • A scan tool can clear the DTC from the PCM history. The PCM clears the DTC from the PCM history if the vehicle completes 40 warm-up cycles without a failure reported.
    • The PCM cancels the DTC default actions when the fault no longer exists and the ignition is OFF long enough in order to power down the PCM.

Diagnostic Aids

    • The TCC may mechanically stick ON with the parking brake applied and any gear range selected. In this case, the TCC fluid will mechanically apply the TCC. Mechanically applying the TCC may cause an engine stall.
    • A stuck TP sensor will set this code.

Test Description

The numbers below refer to the step numbers on the diagnostic table.

  1. This step tests the TCC for a mechanical malfunction. When the PCM commands the TCC Solenoid Valve OFF, the slip speed should increase.

DTC P0742 Torque Converter Clutch (TCC) Stuck ON

Step

Action

Value(s)

Yes

No

1

Was the Powertrain On-Board Diagnostic (OBD) System Check performed?

--

Go to Step 2

Go to Powertrain On Board Diagnostic (OBD) System Check , Section 6.

2

  1. Install the Scan Tool ®.
  2. With the engine OFF, turn the ignition switch to the RUN position.
  3. Important: Before clearing the DTCs, use the scan tool in order to record the Freeze Frame and the Failure Records for reference. The Clear Info function will erase the data.

  4. Record the DTC Freeze Frame and Failure Records.
  5. Use the scan tool in order to verify the TP Sensor operation.

Are the TP Sensor values within the range shown?

0.6 - 5.0 volts

Go to Step 3

Go to Diagnostic Aids

3

Drive the vehicle in the D4 drive range in fourth gear under steady acceleration, with a TP angle greater than 25%.

Display the TCC Solenoid Valve state on the scan tool. While the valve state is OFF, does the scan tool display a TCC Slip Speed in the range shown?

-20 to +20 RPM

Go to Step 4

Go to Diagnostic Aids

4

The TCC is mechanically stuck ON. Inspect the TCC for the following problems:

    • A clogged exhaust orifice in the TCC Solenoid Valve
    • The converter clutch apply valve is stuck in the apply position.
    • A misaligned valve body gasket
    •  A damaged valve body gasket
    • Restricted release passage
    • Refer to On-Vehicle Service

Did you find and correct a problem?

--

Go to Step 5

--

5

  1. After the repair is complete, select DTC.
  2. Select Clear Info.
  3. • Hold the throttle at 25%. Accelerate to 88 km/h (55 mph). If the throttle moves more than 3%, stop the vehicle and begin again.
    • Ensure that the TCC slip speed is -50 to 2500 RPM for 10  seconds, with the TCC OFF.
  4. Select Specific DTC. Enter DTC P0742.

Has the test run and passed?

--

System OK

Begin the diagnosis again. Go to Step 1