GM Service Manual Online
For 1990-2009 cars only

Exhaust Manifold Replacement Right Side

Removal Procedure


    Object Number: 220594  Size: SH
  1. Remove the oil level indicator and tube. Refer to Oil Level Indicator and Tube Replacement .
  2. Raise and suitably support the vehicle. Refer to Lifting and Jacking the Vehicle .
  3. Remove the right exhaust manifold pipe nuts.
  4. Lower the vehicle.

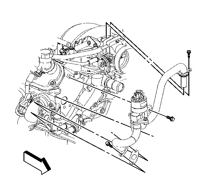
  5. Object Number: 178465  Size: SH
  6. Loosen the AIR hose clamps and remove the hose.

  7. Object Number: 178464  Size: SH
  8. Remove the AIR pipe (with check valve), bolts and gasket from the right exhaust manifold.

  9. Object Number: 211648  Size: SH
  10. Disconnect the coil harness main connector.

  11. Object Number: 211641  Size: SH
  12. Remove the spark plug wires from the ignition coils.
  13. Remove the spark plug wires from the spark plugs.

  14. Object Number: 14824  Size: SH
  15. Remove the spark plugs.
  16. Remove the valve rocker arm cover. Refer to Valve Rocker Arm Cover Replacement .

  17. Object Number: 220595  Size: SH
  18. Disconnect the EGR valve connector.

  19. Object Number: 220596  Size: SH
  20. Remove the EGR valve pipe.

  21. Object Number: 178460  Size: SH
  22. Remove the exhaust manifold, bolts and gasket.
  23. Discard the gasket and the bolts.

Installation Procedure

  1. Install the exhaust manifold to the cylinder head. Refer to Exhaust Manifold Installation .
  2. Notice: Refer to Fastener Notice in the Preface section.


    Object Number: 220596  Size: SH
  3. Install the EGR valve pipe.
  4. Tighten

        • Tighten the EGR valve pipe to exhaust manifold bolts to 25 N·m (18 lb ft).
        • Tighten the EGR valve pipe to cylinder head bolt to 50 N·m (37 lb ft).
        • Tighten the EGR valve pipe to intake manifold bolt to 12 N·m (106 lb in).

    Object Number: 220595  Size: SH
  5. Connect the EGR valve connector.
  6. Install the valve rocker arm cover. Refer to Valve Rocker Arm Cover Replacement .

  7. Object Number: 14824  Size: SH
  8. Install the spark plugs.
  9. Tighten
    Tighten the spark plugs to 15 N·m (12 lb ft).


    Object Number: 211641  Size: SH
  10. Install the spark plug wires to the spark plugs.
  11. Install the spark plug wires to the ignition coils.

  12. Object Number: 211648  Size: SH
  13. Connect the coil harness main connector.

  14. Object Number: 178464  Size: SH
  15. Install the AIR pipe (with check valve), bolts and gasket to the right exhaust manifold.
  16. Tighten
    Tighten the AIR pipe to exhaust manifold bolts to 20 N·m (15 lb ft).


    Object Number: 178465  Size: SH
  17. Install the AIR hose and clamps.
  18. Raise and suitably support the vehicle. Refer to Lifting and Jacking the Vehicle .

  19. Object Number: 220594  Size: SH
  20. Install the right exhaust manifold pipe nuts.
  21. Tighten
    Tighten the right exhaust manifold pipe nuts to 35 N·m (26 lb ft).

  22. Install the oil level indicator and tube. Refer to Oil Level Indicator and Tube Replacement .
  23. Lower the vehicle.

Exhaust Manifold Replacement Left Side

Removal Procedure

Tools Required

J 34730-1A Fuel Pressure Gauge


    Object Number: 220597  Size: SH
  1. Relieve the fuel system pressure using the J 34730-1A .
  2. Remove the fuel lines from the vehicle.

  3. Object Number: 220613  Size: SH
  4. Remove the PCV hose from the rocker arm cover.

  5. Object Number: 211641  Size: SH
  6. Remove the spark plug wires from the ignition coils.
  7. Remove the spark plug wires from the spark plugs.

  8. Object Number: 14824  Size: SH
  9. Remove the spark plugs.

  10. Object Number: 178465  Size: SH
  11. Loosen the AIR hose clamps and remove the hose.

  12. Object Number: 178463  Size: SH
  13. Remove the AIR pipe (with check valve), bolts and gasket from the left exhaust manifold.

  14. Object Number: 50974  Size: SH
  15. Remove the coolant sensor from the left cylinder head.
  16. Remove the left side exhaust manifold bolts.
  17. Raise and suitably support the vehicle. Refer to Lifting and Jacking the Vehicle .

  18. Object Number: 53269  Size: SH
  19. Remove the oxygen sensor from the exhaust manifold.

  20. Object Number: 220599  Size: SH
  21. Remove the exhaust manifold pipe nuts.

  22. Object Number: 220600  Size: SH
  23. Remove the catalytic converter nuts.

  24. Object Number: 178462  Size: SH
  25. Remove the exhaust manifold from the vehicle.
  26. Discard the bolts and gasket.

Installation Procedure


    Object Number: 178462  Size: SH
  1. Install the exhaust manifold to the cylinder head. Refer to Exhaust Manifold Installation .
  2. Notice: Refer to Fastener Notice in the Preface section.


    Object Number: 220600  Size: SH
  3. Install the catalytic converter nuts.
  4. Tighten
    Tighten the catalytic converter nuts to 25 N·m (18 lb ft).


    Object Number: 220599  Size: SH
  5. Install the exhaust manifold pipe nuts.
  6. Tighten
    Tighten the exhaust manifold pipe nuts to 35 N·m (26 lb ft).


    Object Number: 53269  Size: SH
  7. Install the oxygen sensor to the exhaust manifold.
  8. Tighten
    Tighten the oxygen sensor to 42 N·m (31 lb ft).

  9. Lower the vehicle.

  10. Object Number: 50974  Size: SH
  11. Instal the coolant sensor to the left cylinder head.

  12. Object Number: 178463  Size: SH
  13. Install the AIR pipe (with check valve), bolts and gasket to the left exhaust manifold.
  14. Tighten
    Tighten the AIR pipe bolts 20 N·m (15 lb ft).


    Object Number: 178465  Size: SH
  15. Install the AIR hose and clamps.

  16. Object Number: 14824  Size: SH
  17. Install the spark plugs.
  18. Tighten
    Tighten the spark plugs to 15 N·m (11 lb ft).


    Object Number: 211641  Size: SH
  19. Install the spark plug wires to the spark plugs.
  20. Install the spark plug wires to the ignition coils.

  21. Object Number: 220613  Size: SH
  22. Install the PCV hose to the rocker arm cover.

  23. Object Number: 220597  Size: SH
  24. Install the fuel lines to the vehicle.