GM Service Manual Online
For 1990-2009 cars only

Removal Procedure

Tools Required

    • J 39580 Engine Support Table
    • J 36221 Hydraulic Clutch Line Separator
    • J 39549 Ball Joint /Tie Rod Separator
    • J 21366 Converter Holding Strap

Caution: Unless directed otherwise, the ignition and start switch must be in the OFF or LOCK position, and all electrical loads must be OFF before servicing any electrical component. Disconnect the negative battery cable to prevent an electrical spark should a tool or equipment come in contact with an exposed electrical terminal. Failure to follow these precautions may result in personal injury and/or damage to the vehicle or its components.


    Object Number: 208241  Size: SH
  1. Disconnect the negative battery cable. Refer to Battery Negative Cable Disconnection and Connection in Engine Electrical.

  2. Object Number: 211587  Size: SH
  3. Disconnect the positive battery cable.

  4. Object Number: 208554  Size: SH
  5. Disconnect the intake air temperature (IAT) sensor electrical connector.

  6. Object Number: 208572  Size: SH
  7. Remove the air intake duct.
  8. Recover the refrigerant. Refer to Refrigerant Recovery and Recharging in HVAC Systems with A/C-Manual.
  9. Relieve the fuel pressure. Refer to Fuel Pressure Relief in Engine Controls-3.8L.
  10. Raise and suitably support the vehicle. Refer to Lifting and Jacking the Vehicle in General Information.
  11. Drain the engine oil.
  12. Remove the front wheels. Refer to Wheel Removal in Tires and Wheels.
  13. Drain the engine coolant. Refer to Cooling System Draining and Filling in Engine Cooling.
  14. Remove the 3-way catalytic converter. Refer to Catalytic Converter Replacement in Engine Exhaust.
  15. Drain the transmission fluid, if equipped with a manual transmission.
  16. Remove the propeller shaft. Refer to One-Piece Propeller Shaft Replacement or Two-Piece Propeller Shaft Replacement in Propeller Shaft.
  17. Remove the torque arm. Refer to Torque Arm Replacement in Rear Suspension.
  18. Remove the starter motor. Refer to Starter Motor Replacement in Engine Electrical.

  19. Object Number: 208264  Size: SH
  20. On vehicles equipped with a automatic transmission, unsnap the transmission range selector lever cable from the range selector lever at the transmission.

  21. Object Number: 341079  Size: SH
  22. Remove the retainer from the range selector lever cable.

  23. Object Number: 208276  Size: SH
  24. Remove the range selector lever cable from the cable bracket.

  25. Object Number: 43255  Size: SH
  26. On vehicles equipped with a manual transmission, disconnect the clutch actuator cylinder line from the actuator cylinder using J 36221 .
  27. Remove the left side front air deflector.
  28. Remove the stabilizer bar bracket bolts.
  29. Remove the stabilizer bar brackets.

  30. Object Number: 220630  Size: SH
  31. Remove the steering gear coupling shield.
  32. Remove the intermediate steering shaft bolt and shaft from the rack.

  33. Object Number: 346034  Size: SH
  34. Remove the wiring harness ground bolt and RF (Radio Frequency) ground strap and cruise control ground lead from the front rail.
  35. Disconnect the knock sensors electrical connectors.

  36. Object Number: 346036  Size: SH
  37. Disconnect the wheel speed sensors electrical connectors.

  38. Object Number: 365423  Size: SH
  39. Remove the A/C compressor and condenser hose bolt.
  40. Discard the O-ring.

  41. Object Number: 365450  Size: SH
  42. Remove the A/C compressor and condenser hose nut at the condenser.
  43. Discard the O-ring.

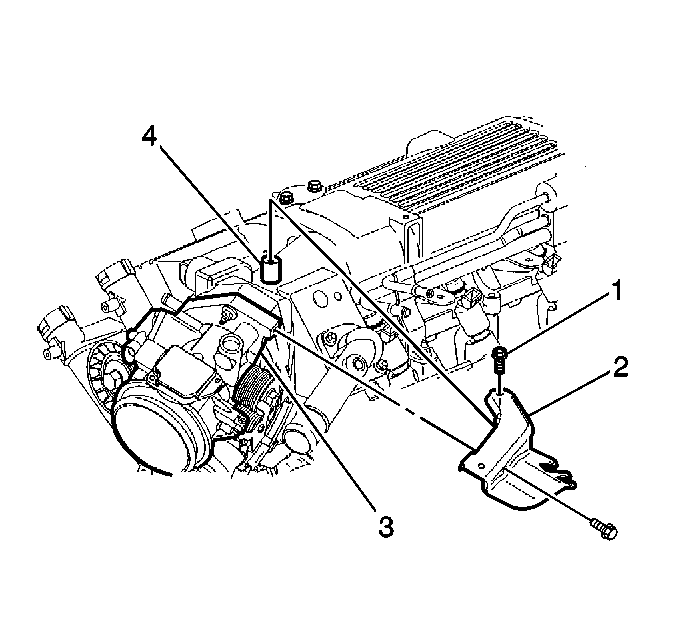
  44. Object Number: 173551  Size: SH
  45. Remove the front fuel pipe heat shield nuts (1).
  46. Remove the front fuel pipe heat shield (2).
  47. Disconnect the brake lines from the brake pipe clip.
  48. Lower the vehicle.

  49. Object Number: 445688  Size: SH
  50. Remove the engine wiring harness ground bolt (1).
  51. Remove the engine ground.

  52. Object Number: 282936  Size: SH
  53. Remove the A/C compressor and condenser hose bolt at the accumulator.
  54. Discard the O-ring.

  55. Object Number: 282933  Size: SH
  56. Remove the heater hoses from the drive belt tensioner.

  57. Object Number: 215517  Size: SH
  58. Disconnect the fuel feed pipe (1) from the fuel rail.
  59. Disconnect the fuel return pipe (2) from the fuel rail.
  60. Disconnect the EVAP pipe (6) at the engine.

  61. Object Number: 296581  Size: SH
  62. Remove the cruise control and accelerator control cables from the throttle body and bracket.

  63. Object Number: 444135  Size: SH
  64. Remove the accelerator control cable bracket bolts (1) and bracket (2).

  65. Object Number: 221680  Size: SH
  66. Remove the inlet hose from the water outlet.

  67. Object Number: 221689  Size: SH
  68. Remove the outlet hose from the water pump.

  69. Object Number: 439407  Size: SH
  70. Remove the brake booster vacuum hose (2) from the intake manifold fitting (1).
  71. Remove the front two brake pipes from the brake modulator.

  72. Object Number: 346047  Size: SH
  73. Disconnect the secondary captured locks.
  74. Disconnect the forward lamp harness from the engine harness.
  75. Disconnect the engine harness vacuum tube from the bottom of the vacuum check valve.

  76. Object Number: 346043  Size: SH
  77. Disconnect the powertrain control module (PCM) connectors.
  78. Remove the PCM from the vehicle.
  79. Remove the right side insulator panel.
  80. Remove the hinge pillar trim panel.

  81. Object Number: 346039  Size: SH
  82. Disconnect the engine wiring harness from the instrument panel wiring harness.

  83. Object Number: 346041  Size: SH
  84. Remove the engine wire harness through the front of dash. Place the harness on top of the engine.
  85. Remove the floor shift control, if equipped. Refer to Transmission Control Replacement in Automatic Transmssion-4L60E.
  86. Remove the transmission control, if equipped. Refer to Control Assembly in Manual Transmission-M49.
  87. Raise and suitably support the vehicle. Refer to Lifting and Jacking the Vehicle in General Information.

  88. Object Number: 220629  Size: SH
  89. Remove the right and left lower shock bolts from the lower control arms.
  90. Remove the cotter pins and nuts from the left and right upper ball joints.
  91. Using J 39549 separate the upper control arms from the steering knuckles.
  92. Support both steering knuckles.
  93. Position the J 39580 below the vehicle.
  94. Lower the vehicle.
  95. Lay the engine wire harness on top of the engine.

  96. Object Number: 220632  Size: SH
  97. Remove the front crossmember bolts.

  98. Object Number: 208587  Size: SH
  99. Remove the transmission support bolts.
  100. Raise the vehicle and remove the engine and transmission from the vehicle.
  101. Secure the crossmember to the J 39580 .

  102. Object Number: 41363  Size: SH
  103. Position a hex-head socket on the belt tensioner pulley bolt.
  104. Rotate the drive belt tensioner (2) clockwise to relieve the tension on the drive belt (1).
  105. Remove the drive belt (1) from the tensioner (2) and pulleys.

  106. Object Number: 365440  Size: SH
  107. Remove the A/C compressor rear bolts (2, 3).
  108. Remove the A/C compressor rear bracket stud (1).
  109. Remove the A/C compressor rear bracket.

  110. Object Number: 282953  Size: SH
  111. Remove the A/C compressor bolts.
  112. Remove the A/C compressor.

  113. Object Number: 35804  Size: SH
  114. Remove the drive belt tensioner bolts.
  115. Remove the drive belt tensioner.

  116. Object Number: 290569  Size: SH
  117. Remove the power steering pump nuts (3).
  118. Reposition the power steering pump to crossmember.

  119. Object Number: 211637  Size: SH
  120. Disconnect the generator electrical connector.

  121. Object Number: 43670  Size: SH
  122. Remove the positive cable nut from the generator terminal.
  123. Remove the generator from the engine.
  124. Install a lifting devise to the engine.

  125. Object Number: 50517  Size: SH
  126. Remove the right engine mount bracket bolts (1, 2) and the right engine mount bracket (3).

  127. Object Number: 50546  Size: SH
  128. Remove the left engine mount bracket bolts (3).
  129. Remove the left engine mount bracket stud (2) and the left engine mount bracket (1).
  130. With the aide of an assistant, raise the engine and transmission from the crossmember.
  131. If equipped with the automatic transmission remove the following:

  132. Object Number: 208574  Size: SH
  133. Right side transmission support brace bolts (1, 2, 3).
  134. Right side transmission support nut (6).
  135. Right side transmission support (4).

  136. Object Number: 208577  Size: SH
  137. Left side transmission support brace bolts (3, 5).
  138. Left side transmission support nut (1).
  139. Left side transmission support (4).
  140. Remove the torque converter cover (2).

  141. Object Number: 208580  Size: SH
  142. Remove the flywheel to torque converter bolts.
  143. If equipped with the manual transmission remove the following:

  144. Object Number: 448855  Size: SH
  145. Right side transmission support bolts (3, 4).
  146. Right side transmission support (1).

  147. Object Number: 349561  Size: SH
  148. Left side transmission support bolts (2, 3).
  149. Left side transmission support (1).
  150. Disconnect the electrical connectors from the transmission.

  151. Object Number: 208594  Size: SH
  152. For the automatic transmission, remove the transmission to engine bolts and nut.
  153. Separate the transmission from the engine.
  154. Attach the J 21366 the transmission.

  155. Object Number: 441492  Size: SH
  156. For the manual transmission, remove the flywheel housing to engine bolts (1, 2) and nuts (3).
  157. Separate the flywheel housing from the engine.

  158. Object Number: 441865  Size: SH
  159. For the manual transmission, remove the pressure plate bolts (1).
  160. Remove the pressure plate (2) and the clutch disc (6) from the flywheel (5).

  161. Object Number: 441271  Size: SH
  162. For the automatic transmission, remove the flywheel bolts (1) and flywheel (2).

  163. Object Number: 441112  Size: SH
  164. For the manual transmission, remove the flywheel bolts (1) and flywheel (2).
  165. Install the engine to a engine stand.

Installation Procedure

Tools Required

J 36660-A Torque Angle Meter


    Object Number: 441112  Size: SH
  1. Install engine lifting devise and remove engine from stand.
  2. Notice: Use the correct fastener in the correct location. Replacement fasteners must be the correct part number for that application. Fasteners requiring replacement or fasteners requiring the use of thread locking compound or sealant are identified in the service procedure. Do not use paints, lubricants, or corrosion inhibitors on fasteners or fastener joint surfaces unless specified. These coatings affect fastener torque and joint clamping force and may damage the fastener. Use the correct tightening sequence and specifications when installing fasteners in order to avoid damage to parts and systems.

  3. For the manual transmission, install the flywheel (2) and flywheel bolts (1).
  4. Tighten
    Tighten the flywheel bolts (1) to 15 N·m (11 lb ft). Using J 36660-A tighten the flywheel bolts an additional 50 degrees.


    Object Number: 441271  Size: SH
  5. For the automatic transmission, install the flywheel (2) and flywheel bolts (1).
  6. Tighten
    Tighten the flywheel bolts (1) to 15 N·m (11 lb ft). Using J 36660-A tighten the flywheel bolts an additional 50 degrees.


    Object Number: 441865  Size: SH
  7. For the manual transmission, install the clutch disc (6) and pressure plate (2) to the flywheel (5).
  8. Install the pressure plate bolts (1).
  9. Tighten
    Tighten the pressure plate bolts (1) to 20 N·m (15 lb ft). Using J 36660-A tighten the pressure plate bolts an additional 45 degrees.

  10. Align the flywheel housing to the engine.

  11. Object Number: 441492  Size: SH
  12. For the manual transmission, install the flywheel housing to engine bolts (1, 2) and nuts (3).
  13. Tighten
    Tighten the flywheel housing to engine bolts (1, 2) and nuts (3) to 95 N·m (70 lb ft).

  14. if equipped with a automatic transmission remove the J 21366 from the transmission.

  15. Object Number: 208594  Size: SH
  16. For the automatic transmission, install the transmission to engine bolts and nut.
  17. Tighten
    Tighten the transmission to engine bolts and nut to 95 N·m (70 lb ft).

  18. Connect the electrical connectors to the transmission.
  19. If equipped with the manual transmission install the following:

  20. Object Number: 349561  Size: SH
  21. Left side transmission support (1).
  22. Left side transmission support brace bolts (2, 3).
  23. Tighten

        • Tighten the left side transmission support brace bolts (2) to 50 N·m (37 lb ft).
        • Tighten the left side transmission support brace bolts (3) to 28 N·m (21 lb ft).

    Object Number: 448855  Size: SH
  24. Right side transmission support (1).
  25. Right side transmission support brace bolts (3, 4).
  26. Tighten
    Tighten the right side transmission support brace bolts (3, 4) to 50 N·m (37 lb ft).

  27. If equipped with the automatic transmission install the following:

  28. Object Number: 208580  Size: SH
  29. Install the torque converter to flywheel bolts.
  30. Tighten
    Tighten the torque converter to flywheel bolts to 63 N·m (47 lb ft).


    Object Number: 208577  Size: SH
  31. Install the torque converter cover (2).
  32. Left side transmission support (4).
  33. Left side transmission support bolts (3, 5).
  34. Left side transmission support nut (1).
  35. Tighten

        • Tighten the left side transmission support bolts (3) to 8.5 N·m (75 lb in).
        • Tighten the left side transmission support bolts (5) to 28 N·m (21 lb ft).
        • Tighten the left side support nut (1) to 80 N·m (59 lb ft).

    Object Number: 208574  Size: SH
  36. Right side transmission support (4).
  37. Right side transmission support brace bolts (1, 2, 3).
  38. Right side transmission support nut (6).
  39. Tighten

        • Tighten the right side transmission support brace bolts (1) to 8.5 N·m (75 lb in).
        • Tighten the right side transmission support bolts (2, 3) to 50 N·m (37 lb ft).
        • Tighten the right side support nut (6) to 80 N·m (59 lb ft).
  40. With the aide of an assistant, lower the engine and transmission to the crossmember.

  41. Object Number: 50546  Size: SH
  42. Install the left engine mount bracket (1) and mount bracket stud (2).
  43. Install the left engine mount bracket bolts (3).
  44. Tighten

        • Tighten the left engine mount bracket bolts (3) to 100 N·m (74 lb ft).
        • Tighten the left engine mount bracket stud (2) to 87 N·m (64 lb ft).

    Object Number: 50517  Size: SH
  45. Install the right engine mount bracket (3) and the engine mount bracket bolts (1, 2).
  46. Tighten

        • Tighten the two right engine mount bracket bolts (1) to 100 N·m (74 lb ft).
        • Tighten the right engine mount bracket bolt (2) to 50 N·m (37 lb ft).
  47. Remove the lifting devise from the engine.

  48. Object Number: 43670  Size: SH
  49. Install the generator to the engine.
  50. Install the positive cable nut to the generator terminal.
  51. Tighten
    Tighten the positive cable nut to generator terminal to 22 N·m (16 lb ft)


    Object Number: 211637  Size: SH
  52. Connect the generator electrical connector.

  53. Object Number: 290569  Size: SH
  54. Install the power steering pump.
  55. Install the power steering pump nuts (3).
  56. Tighten
    Tighten the power steering nuts (3) to 30 N·m (22 lb ft).


    Object Number: 35804  Size: SH
  57. Install the drive belt tensioner.
  58. Install the drive belt tensioner bolts.
  59. Tighten
    Tighten the drive belt tensioner bolts to 50 N·m (37 lb ft).


    Object Number: 282953  Size: SH
  60. Install the A/C compressor.
  61. Install the A/C compressor bolts.
  62. Tighten
    Tighten the A/C compressor bolts to 50 N·m (37 lb ft).


    Object Number: 365440  Size: SH
  63. Install the A/C compressor rear bracket.
  64. Install the A/C compressor rear bracket stud (1).
  65. Install the A/C compressor rear bolts (2, 3).
  66. Tighten

        • Tighten the A/C compressor rear bracket stud (1) to 50 N·m (37 lb ft).
        • Tighten the A/C compressor rear bolts (2, 3) to 30 N·m (22 lb ft).

    Object Number: 41363  Size: SH
  67. Route the drive belt (1) around the pulleys.
  68. Position a hex-head socket on the belt tensioner pulley bolt.
  69. Rotate the drive belt tensioner (2) clockwise to relieve the tension on the drive belt (1).
  70. Install the drive belt (1) onto the tensioner (2).
  71. Remove the crossmember to the J 39580 security straps.
  72. Lower the vehicle and install the engine and transmission to the vehicle.
  73. Align the crossmember to the vehicle body.

  74. Object Number: 220632  Size: SH
  75. Install the front crossmember bolts.
  76. Tighten

        • Tighten the upper four cradle bolts to 125 N·m (92 lb ft).
        • Tighten the lower two cradle bolts to 145 N·m (107 lb ft).

    Object Number: 208587  Size: SH
  77. Install the transmission support bolts.
  78. Tighten
    Tighten the transmission support bolts to 57 N·m (42 lb ft).

  79. Raise and suitably support the vehicle. Refer to Lifting and Jacking the Vehicle in General Information.
  80. Remove the J 39580 from below the vehicle.
  81. Remove the supports from both steering knuckles.
  82. Connect the ball stud to the steering knuckle.

  83. Object Number: 220629  Size: SH
  84. Install the nuts and cotter pins to the left and right upper ball joints.
  85. Tighten
    Tighten the upper ball joint nuts to 53 N·m (39 lb ft).

  86. Install the right and left lower shock bolts to the lower control arms.
  87. Tighten
    Tighten the shock bolts to 65 N·m (48 lb ft).

  88. Lower the vehicle.
  89. Install the transmission control, if equipped. Refer to Control Assembly in Manual Transmission-M49.
  90. Install the floor shift control, if equipped. Refer to Transmission Control Replacement in Automatic Transmssion-4L60E.

  91. Object Number: 346041  Size: SH
  92. Install the engine wire harness through the front of dash.

  93. Object Number: 346039  Size: SH
  94. Connect the engine wiring harness to the instrument panel wiring harness.
  95. Install the hinge pillar trim panel.
  96. Install the right side insulator panel.

  97. Object Number: 346043  Size: SH
  98. Install the PCM to the vehicle.
  99. Connect the powertrain control module (PCM) connectors.

  100. Object Number: 346047  Size: SH
  101. Connect the engine harness vacuum tube from the bottom of the vacuum check valve.
  102. Connect the forward lamp harness from the engine harness.
  103. Connect the secondary captured locks.
  104. Install the front two brake pipes to the brake modulator.

  105. Object Number: 439407  Size: SH
  106. Install the brake booster vacuum hose (2) to the intake manifold fitting (1).

  107. Object Number: 221689  Size: SH
  108. install the outlet hose to the water pump.

  109. Object Number: 221680  Size: SH
  110. Install the inlet hose to the water outlet.

  111. Object Number: 444135  Size: SH
  112. Install the accelerator control cable bracket (2) and bolts (1).
  113. Tighten
    Tighten the accelerator control cable bracket bolts (1) to 16 N·m (12 lb ft).


    Object Number: 296581  Size: SH
  114. Install the accelerator control and cruise control cables to the throttle body and bracket.

  115. Object Number: 215517  Size: SH
  116. Connect the EVAP pipe (6) at the engine.
  117. Connect the fuel return pipe (2) to the fuel rail.
  118. Connect the fuel feed pipe (1) to the fuel rail.

  119. Object Number: 282933  Size: SH
  120. Install the heater hoses to the drive belt tensioner.

  121. Object Number: 282936  Size: SH
  122. Install a new O-ring.
  123. Install the A/C compressor and condenser hose bolt at the accumulator.
  124. Tighten
    Tighten the A/C compressor and condenser hose bolt at the accumulator to 48 N·m (36 lb ft).


    Object Number: 445688  Size: SH
  125. Install the engine ground.
  126. Install the engine wiring harness ground bolt (1).
  127. Tighten
    Tighten the engine wiring harness ground bolt (1) to 25 N·m (18 lb ft).

  128. Raise and suitably support the vehicle. Refer to Lifting and Jacking the Vehicle in General Information.
  129. Connect the brake lines to the brake pipe clip.

  130. Object Number: 173551  Size: SH
  131. Install the front fuel pipe heat shield (2).
  132. Install the front fuel pipe heat shield nuts (1).
  133. Tighten
    Tighten the front fuel pipe heat shield nuts (1) to 5 N·m (44 lb in).


    Object Number: 365450  Size: SH
  134. Install a new O-ring.
  135. Install the A/C compressor and condenser hose nut at the condenser.
  136. Tighten
    Tighten the A/C compressor and condenser hose nut at the condenser to 16 N·m (12 lb ft).


    Object Number: 365423  Size: SH
  137. Install a new O-ring.
  138. Install the A/C compressor and condenser hose bolt.
  139. Tighten
    Tighten the A/C compressor and condenser hose bolt to 33 N·m (24 lb ft).


    Object Number: 346036  Size: SH
  140. Connect the wheel speed sensors electrical connectors.
  141. Connect the knock sensors electrical connectors.

  142. Object Number: 346034  Size: SH
  143. Install the RF (Radio Frequency) ground strap, cruise control ground lead and wiring harness ground bolt to the front rail.
  144. Tighten
    Tighten the wiring harness ground bolt to 12 N·m (106 lb in).


    Object Number: 220630  Size: SH
  145. Install the intermediate steering shaft and bolt to the rack.
  146. Tighten
    Tighten the intermediate shaft bolt to 47 N·m (35 lb ft).

  147. Install the steering gear coupling shield.
  148. Install the stabilizer bar brackets.
  149. Install the stabilizer bar bracket bolts.
  150. Tighten
    Tighten the stabilizer bar bolts to 55 N·m (41 lb ft).

  151. Install the left side front air deflector.

  152. Object Number: 43255  Size: SH
  153. On vehicles equipped with a manual transmission, connect the clutch actuator cylinder line to the actuator cylinder.

  154. Object Number: 208276  Size: SH
  155. On vehicles equipped with a automatic transmission, Install the range selector lever cable to the cable bracket.

  156. Object Number: 341079  Size: SH
  157. Install the retainer to the range selector lever cable.

  158. Object Number: 208264  Size: SH
  159. Snap the transmission range selector lever cable to the range selector lever at the transmission.
  160. Install the starter motor. Refer to Starter Motor Replacement in Engine Electrical.
  161. Install the torque arm. Refer to Torque Arm Replacement in Rear Suspension.
  162. Install the propeller shaft. Refer to One-Piece Propeller Shaft Replacement or Two-Piece Propeller Shaft Replacement in Propeller Shaft.
  163. Install the 3-way catalytic converter. Refer to Catalytic Converter Replacement in Engine Exhaust.
  164. Install the front wheels. Refer to Wheel Installation in Tires and Wheels.
  165. Lower the vehicle.

  166. Object Number: 208572  Size: SH
  167. Install the air intake duct.

  168. Object Number: 208554  Size: SH
  169. Connect the intake air temperature (IAT) sensor electrical connector.

  170. Object Number: 211587  Size: SH
  171. Connect the positive battery cable.
  172. Refill the engine oil.
  173. Refill the transmission fluid.
  174. Refill the engine coolant. Refer to Cooling System Draining and Filling in Engine Cooling.
  175. Recharge the refrigerant. Refer to Refrigerant Recovery and Recharging in HVAC Systems with A/C-Manual.
  176. Bleed the brakes. Refer to Hydraulic Brake System Bleeding in Hydraulic Brakes.
  177. Bleed the clutch hydraulic system. Refer to Hydraulic Clutch Bleeding in Clutch.

  178. Object Number: 208241  Size: SH
  179. Connect the negative battery cable. Refer to Battery Negative Cable Disconnection and Connection in Engine Electrical.