GM Service Manual Online
For 1990-2009 cars only

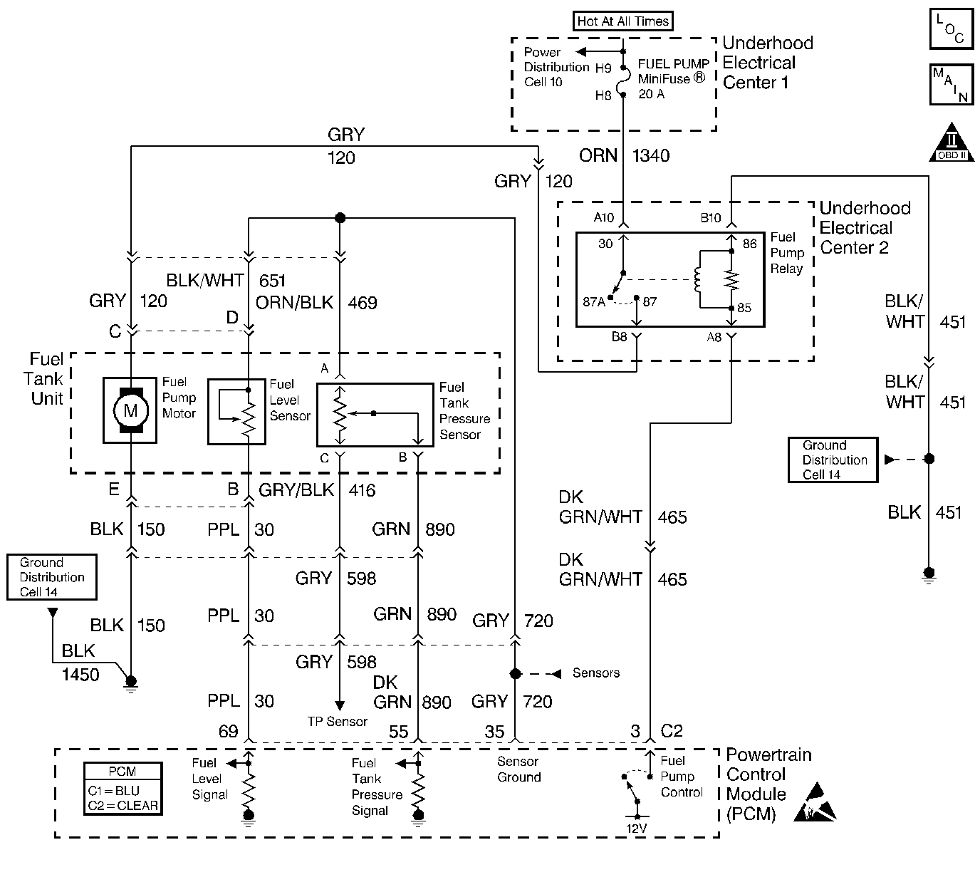
Object Number: 244306  Size: LF
Engine Controls Components
Fuel Pump Controls
OBD II Symbol Description Notice
Handling ESD Sensitive Parts Notice

Circuit Description

When the ignition switch is first turned ON, the PCM energizes the fuel pump relay. The fuel pump relay will remain ON as long as the engine is running or cranking and the PCM is receiving reference pulses. If no reference pulses are present, the PCM de-energizes the fuel pump relay within 2 seconds after the ignition is turned ON or the engine is stopped. The fuel pump delivers fuel to the fuel rail and injectors, then to the fuel pressure regulator. The fuel pressure regulator controls fuel pressure by allowing excess fuel to be returned to the fuel tank. With the engine stopped, the fuel pump can be turned ON by using the scan tool output controls function.

Diagnostic Aids

An intermittent may be caused by a poor connection, rubbed through the wire insulation or a wire broken insideof the insulation.

Check for a poor connection or a damaged harness. Inspect the PCM harness and connectors for the following items:

    • Improper mating
    • Broken locks
    • Improperly formed or damaged terminals
    • Poor terminal to wire connections
    • Damaged harnesses

Test Description

Number(s) below refer to the Step number(s) on the Diagnostic Table:

  1. Verifies that the fuel pump feed circuit is OK between the fuel pump relay and the fuel pump, and that the fuel pump can deliver adequate pressure to the fuel rail.

  2. Checks the battery feed circuit to the fuel pump relay.

  3. Ensures that the fuel pump relay control circuit and the PCM are capable of controlling the fuel pump relay.

  4. Checks the fuel pump control circuit for a short to ground.

  5. Checks the fuel pump control circuit for an open.

  6. If the fuel pump is operating but incorrect pressure is noted, the fuel pump wiring is OK and the Fuel System Pressure Test should be used for diagnosis.

  7. Checks the fuel pump feed circuit between the fuel pump relay and the fuel pump. Also checks the fuel pump ground circuit.

  8. Determines whether the problem is being caused by an open in the fuel pump feed circuit or the fuel pump ground circuit.

  9. This vehicle is equipped with a PCM which utilizes an Electrically Erasable Programmable Read Only Memory (EEPROM). When the PCM is being replaced, the new PCM must be programmed.

Step

Action

Value(s)

Yes

No

1

Was the Powertrain On-Board Diagnostic (OBD) System Check performed?

--

Go to Step 2

Go to the Powertrain On Board Diagnostic (OBD) System Check

2

  1. Turn OFF the ignition switch.
  2. Connect a fuel pressure gauge.
  3. Disconnect the fuel pump relay.
  4. Connect a fused jumper between the fuel pump feed circuit at the fuel pump relay connector and B+.
  5. Note the fuel pressure.

Is fuel pressure indicated at the specified value?

333-376 kPa (48-55 psi)

Go to Step 3

Go to Step 10

3

  1. Disconnect the jumper from the fuel pump relay connector.
  2. Connect a J 35616-200 Unpowered Test Light between fuel pump relay connector cavities for the battery feed circuit and the ground circuit.
  3. Turn ON the ignition switch.
  4. Observe the test light.

Is the test light ON?

--

Go to Step 4

Go to Step 9

4

  1. Turn OFF the ignition switch.
  2. Connect a J 35616-200 Unpowered Test Light between fuel pump relay connector cavities for the fuel pump relay control circuit and the ground circuit.
  3. Observe the test light while turning ON the ignition switch.

Did the test light turn ON for approximately 2 seconds?

--

Go to Step 8

Go to Step 5

5

  1. Disconnect the test light from the fuel pump relay connector.
  2. Turn OFF the ignition switch.
  3. Disconnect the PCM.
  4. Probe the fuel pump relay control circuit at the PCM connector with the test light to B+.

Is the test light ON?

--

Go to Step 15

Go to Step 6

6

  1. Check for continuity in the fuel pump relay control circuit between the PCM and the fuel pump relay.
  2. If a problem is found, repair as necessary. Refer to Wiring Repairs .

Was a problem found?

--

Go to Step 21

Go to Step 7

7

  1. Check the fuel pump relay control circuit for a poor terminal connection at the PCM.
  2. If a problem is found, repair as necessary. Refer to Wiring Repairs .

Was a problem found?

--

Go to Step 21

Go to Step 20

8

  1. Check for a poor terminal connection at the fuel pump relay
  2. If a problem is found, repair as necessary. Refer to Wiring Repairs .

Was a problem found?

--

Go to Step 21

Go to Step 18

9

Probe the battery feed circuit at the fuel pump relay connector with the test light to ground.

Is the test light ON?

--

Go to Step 17

Go to Step 16

10

Remove the fuel filler cap and listen for the fuel pump running.

Is the fuel pump running?

--

Go to the Fuel System Pressure Test

Go to Step 11

11

  1. Raise the vehicle (leave the fuel pump feed circuit jumped to B+).
  2. Disconnect the modular fuel sender electrical connector at the fuel tank.
  3. Connect the test light between the fuel pump feed circuit and the fuel pump ground circuit at the modular fuel sender harness connector.

Is the test light ON?

--

Go to Step 19

Go to Step 12

12

Probe the fuel pump feed circuit at the modular fuel sender harness connector with the test light to chassis ground.

Is the test light ON?

--

Go to Step 14

Go to Step 13

13

Locate and repair open in the fuel pump feed circuit. Refer to Wiring Repairs .

Is the action complete?

--

Go to Step 21

--

14

Locate and repair open in the fuel pump ground circuit. Refer to Wiring Repairs .

Is the action complete?

--

Go to Step 21

--

15

Locate and repair short to ground in the fuel pump relay control circuit. Refer to Wiring Repairs .

Is the action complete?

--

Go to Step 21

--

16

Locate and repair open in battery feed to the fuel pump relay. Refer to Wiring Repairs .

Is the action complete?

--

Go to Step 21

--

17

Locate and repair open in ground circuit to the fuel pump relay. Refer to Wiring Repairs .

Is the action complete?

--

Go to Step 21

--

18

Replace the fuel pump relay.

Is the action complete?

--

Go to Step 21

--

19

Replace the fuel pump. Refer to Fuel Sender Assembly Replacement

Is the action complete?

--

Go to Step 21

--

20

Replace the PCM

Important: : Replacement PCM must be programmed. Refer to Powertrain Control Module Replacement/Programming

Is the action complete?

--

Go to Step 21

--

21

  1. Turn ON the ignition switch.
  2. Select FP Relay output control with the scan tool.
  3. Observe the fuel pressure gauge while turning the fuel pump ON with the scan tool.

Is fuel pressure indicated at the specified value?

333-376 kPa (48-55 psi)

System OK

Go to Step 2