GM Service Manual Online
For 1990-2009 cars only
Makes
🢒
Pontiac
🢒
1998
🢒
Firebird
🢒
Suspension
🢒
Rear Suspension
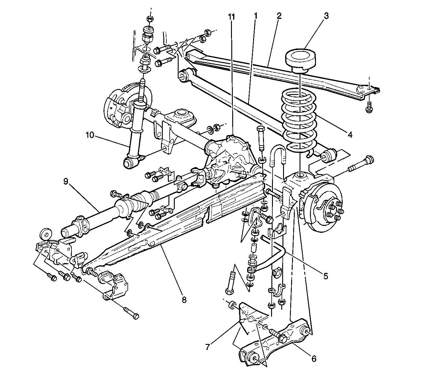
🢒 Rear Suspension Components
(1)
Rear Axle Tie Rod
(2)
Rear Axle Tie Rod Bracket Brace
(3)
Rear Spring Upper Insulator
(4)
Rear Spring
(5)
Rear Stabilizer Shaft
(6)
Rear Axle Lower Control Arm
(7)
Floor Panel
(8)
Rear Axle Torque Arm
(9)
Propeller Shaft
(10)
Rear Shock Absorber
(11)
Rear Axle