GM Service Manual Online
For 1990-2009 cars only
Makes
🢒
Pontiac
🢒
1998
🢒
Firebird
🢒
HVAC
🢒
HVAC Systems - Manual
🢒 HVAC Compressor Control Schematics
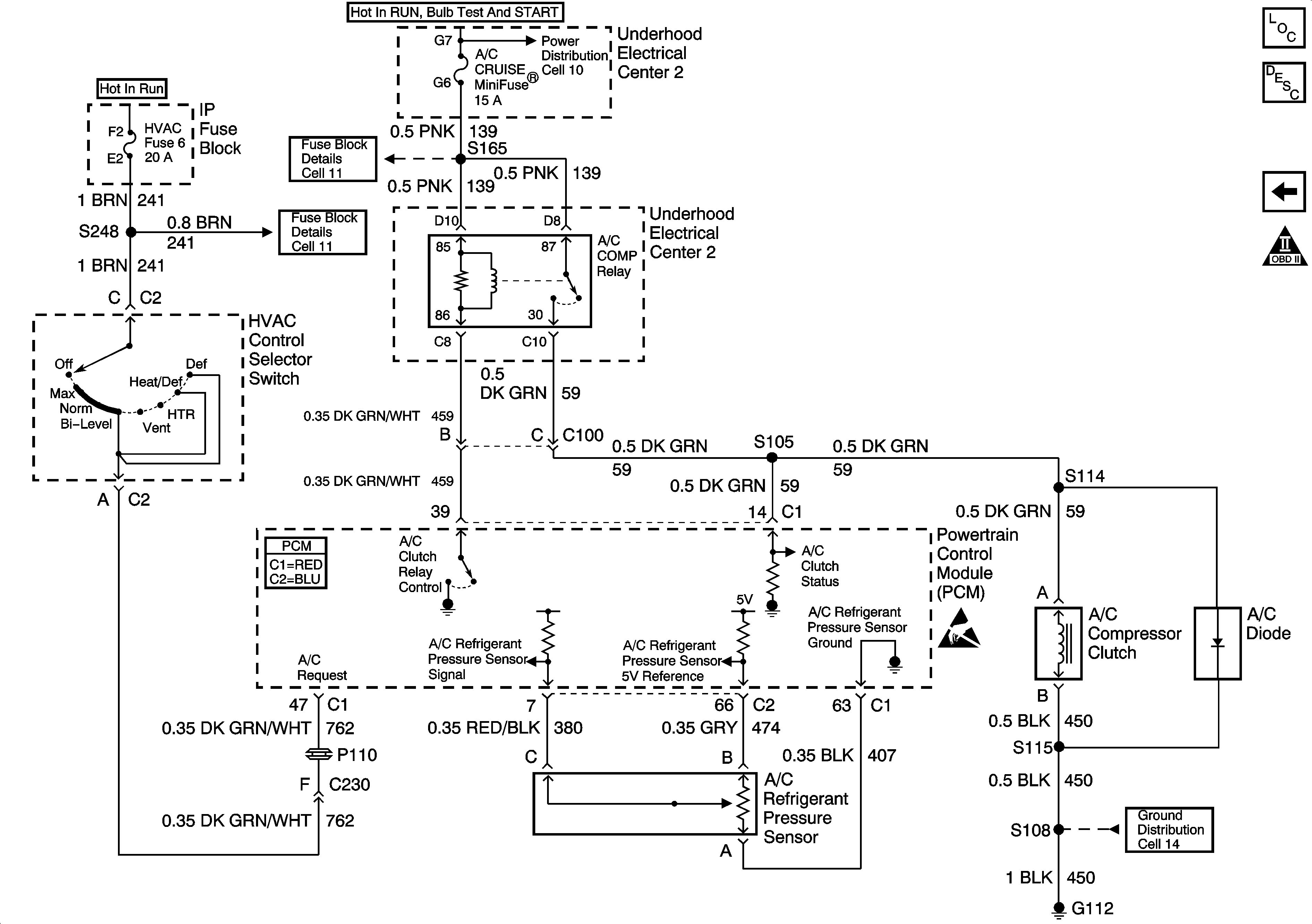
Figure
1:
Cell 64 (V6 VIN K)
HVAC Components
Air Conditioning (A/C) Refrigerant Pressure Sensor Description
Cell 64 (V8 VIN G)
OBD II Symbol Description Notice
Fuse Block Schematics
Power Distribution Schematics
Ground Distribution Schematics
Power Distribution Schematics
Fuse Block Schematics
Handling ESD Sensitive Parts Notice
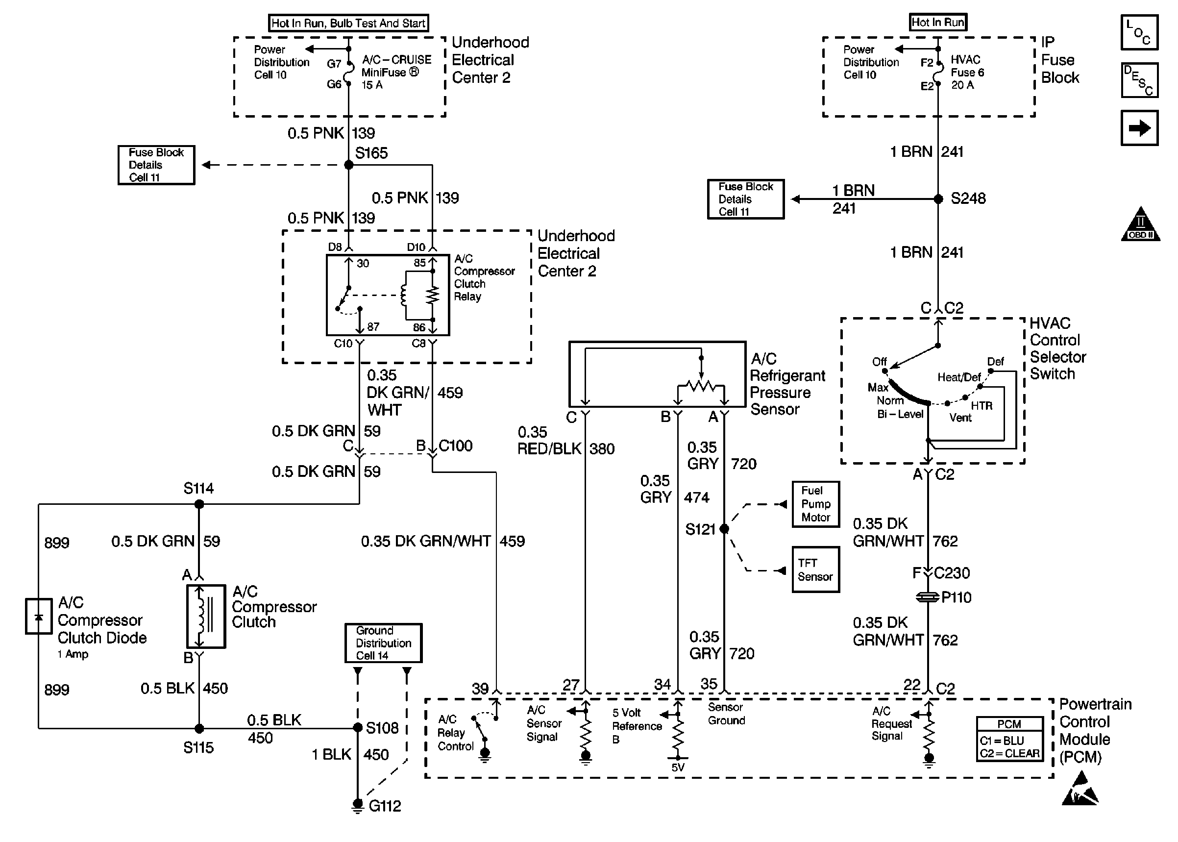
Figure
2:
Cell 64 (V8 VIN G)
HVAC Components
Air Conditioning (A/C) Refrigerant Pressure Sensor Description
Cell 64 (V6 VIN K)
OBD II Symbol Description Notice
Fuse Block Schematics
Fuse Block Schematics
Power Distribution Schematics
Handling ESD Sensitive Parts Notice
Ground Distribution Schematics