GM Service Manual Online
For 1990-2009 cars only
Makes
🢒
Pontiac
🢒
1998
🢒
Firebird
🢒
Body and Accessories
🢒
Lighting Systems
🢒 Interior Lights Dimming Schematics
Figure
1:
Cell 117: IP Dimmer Switch
Lighting Systems Components
Interior Lights Dimming Circuit Description
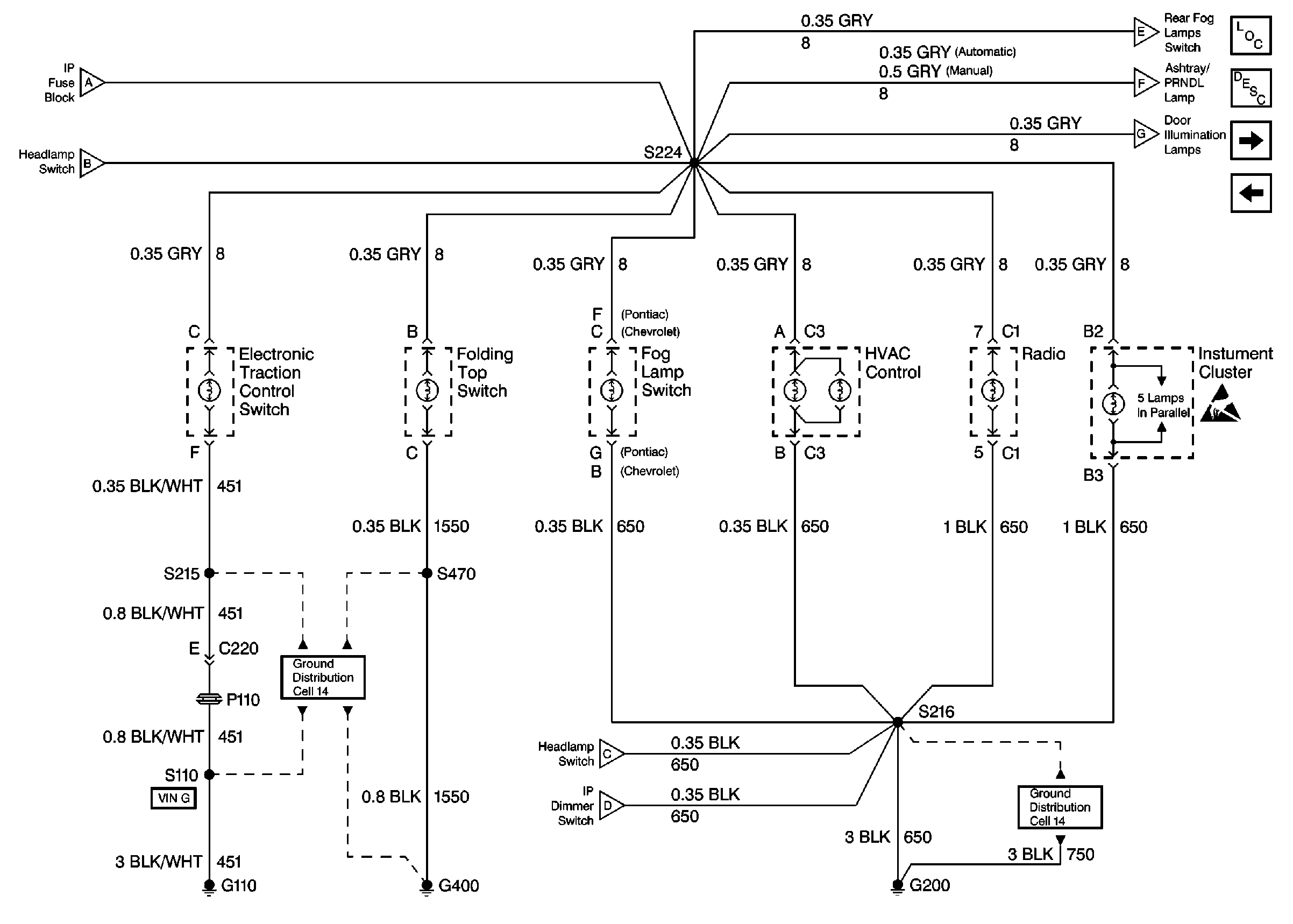
Cell 117: Instrument Cluster, Radio and Switches
Power Distribution Schematics
Power Distribution Schematics
Fuse Block Schematics
Interior Lights Schematics With Door Jamb Switches
Exterior Lights Schematics Domestic
Cell 117: Instrument Cluster, Radio and Switches
Cell 117: Instrument Cluster, Radio and Switches
Cell 117: Instrument Cluster, Radio and Switches
Cell 117: Instrument Cluster, Radio and Switches
Figure
2:
Cell 117: Instrument Cluster, Radio and Switches
Lighting Systems Components
Interior Lights Dimming Circuit Description
Cell 117: Doors, PRNDL, Rear Fog Lamp Switch, Steering and Wheel Controls
Cell 117: IP Dimmer Switch
Handling ESD Sensitive Parts Notice
Ground Distribution Schematics
Ground Distribution Schematics
Cell 117: Doors, PRNDL, Rear Fog Lamp Switch, Steering and Wheel Controls
Cell 117: Doors, PRNDL, Rear Fog Lamp Switch, Steering and Wheel Controls
Cell 117: Doors, PRNDL, Rear Fog Lamp Switch, Steering and Wheel Controls
Cell 117: IP Dimmer Switch
Cell 117: IP Dimmer Switch
Cell 117: IP Dimmer Switch
Cell 117: IP Dimmer Switch
Figure
3:
Cell 117: Doors, PRNDL, Rear Fog Lamp Switch, Steering and Wheel Controls
Lighting Systems Components
Interior Lights Dimming Circuit Description
Cell 117: Instrument Cluster, Radio and Switches
Cell 117: Instrument Cluster, Radio and Switches
Cell 117: Instrument Cluster, Radio and Switches
Cell 117: Instrument Cluster, Radio and Switches
Power Distribution Schematics
SIR Handling Caution
SIR Handling Caution
Ground Distribution Schematics
Ground Distribution Schematics
Ground Distribution Schematics