GM Service Manual Online
For 1990-2009 cars only
Figure 1:

Forward Lamp Harness Grounds


Object Number: 483599  Size: MF
(01)G106
(02)Radiator Support
(03)G105
(04)Forward Lamp Harness
Figure 2:

Rear Left Side of Engine (V6 VIN K)


Object Number: 483600  Size: MF
(1)G112
(2)Left Hand Manifold Heated 02 Sensor Connector
Figure 3:

Behind Lower Left Side of I/P


Object Number: 490630  Size: MF
(1)C212
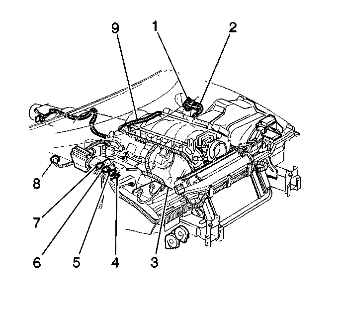
(2)C211
(3)Traction control module
(4)P100
(5)Forward lamps harness
Figure 4:

Engine Compartment


Object Number: 490808  Size: SH
(01)P100
(02)Forward Lamp Harness
(03)Battery
(04)C102
(05)C100
(06)C105
(07)C101
(08)P110
(09)Engine Harness
Figure 5:

Left Frame Rail


Object Number: 483618  Size: MF
(1)Brake pressure modulator valve (BPMV) bracket
(2)G109 cruise control ground
(3)G109
(4)Left front frame rail
Figure 6:

Lower Right Front Side of Engine (V6 VIN K)


Object Number: 490793  Size: SH
(01)G110
Figure 7:

Lower Left Side of Engine (V6 VIN K)


Object Number: 490796  Size: SH
(01)Left Engine Mount
(02)Steering Geer
(03)G111
Figure 8:

Lower Right Side of Engine (V8 VIN G)


Object Number: 490797  Size: SH
(01)Engine Mount Bracket
(02)Battery Cable
(03)G100
Figure 9:

Lower Left Front of Engine (V8 VIN G)


Object Number: 490801  Size: SH
(01)G111
(02)Generator
Figure 10:

Lower Right Side of IP


Object Number: 490811  Size: SH
(01)C240
(02)Instrument Panel
(03)Cross Car Wiring Harness
(04)Right "A" Pillar
(05)Dash Mat
(06)C210
(07)C230
(08)C220
(09)C219
Figure 11:

Left Side of Rear Compartment (Coupe)


Object Number: 490813  Size: SH
(01)C400
(02)IP Wiring Harness
(03)G400
(04)P400
(05)RR Body Harness
Figure 12:

Lower Right Side of Engine (V6 VIN K)


Object Number: 483701  Size: SF
(01)Right Engine Mount
(02)G100
Figure 13:

Rear Fascia


Object Number: 490803  Size: SH
(01)C430
(02)Rear Fascia
Figure 14:

Seats


Object Number: 490814  Size: MF
(1)Passenger seat
(2)Driver seat
(3)C300
(4)C305
Figure 15:

Right Front Engine Compartment (Left Side Similar)


Object Number: 490805  Size: SH
(01)Forward Lamp Harness
(02)C165 Right / C160 Left
(03)Body
Figure 16:

Rear Compartment (Coupe)


Object Number: 490807  Size: SH
(01)Rear Body Harness
(02)Rear Fascia Harness
(03)P400
(04)C400
(05)IP Harness
Figure 17:

Underhood Electrical Centers


Object Number: 490809  Size: SH
(1)Left Front Wheelhouse
(2)Forward Lamp Harness
(3)G101
Figure 18:

Upper Left Rear Side of Engine (V8 VIN G)


Object Number: 483710  Size: SF
(01)Knock Sensor Connector
(02)Engine Oil Pressure Sensor
(03)Engine Harness
(04)G110
(05)G112
(06)Left Cylinder Head
Figure 19:

Right Front Engine Compartment


Object Number: 490795  Size: SH
(1)Right Front Wheelhouse
(2)G102
Figure 20:

Steering Column


Object Number: 490655  Size: MF
(1)Steering column
(2)Ignition Switch Connector C1
(3)I/P wiring harness
(4)C217
(5)Ignition key lock cylinder (Resistor Pellet) connector
(6)C218
(7)C216
(8)Forward lamp harness
(9)Ignition Switch Connector C2
(10)Ignition switch
Figure 21:

Base of Steering Column


Object Number: 483732  Size: SF
(01)Steering Column
(02)Ignition Switch
(03)Ignition Switch Connector C2
(04)C215 (Not Attached to Column)
(05)Headlamp Dimmer Switch Connector
(06)Isolation Diode (Wipers)
(07)Forward Lamp Harness
Figure 22:

Clutch Jumper Harness Combinations (V6 VIN K) Manual Transmission


Object Number: 490668  Size: MF
(1)Forward lamp harness
(2)Cruise control/clutch anticipate switch connector
(3)I/P wiring harness
(4)C270 with manual transmission with cruise control
(5)Cruise control release (Brake) switch connector
(6)C270 with manual transmission, w/o cruise control
(7)Cruise control/clutch anticipate switch connector
Figure 23:

Clutch Jumper Harness Combinations (V8 VIN G)


Object Number: 490675  Size: MF
(1)Foward lamp harness
(2)C250 with automatic transmission and cruise control
(3)Cruise control release (Brake) switch connector
(4)Cruise control (Clutch) switch connector
(5)Cruise control release (Brake) switch connector
(6)C250 With manual transmission and cruise control
(7)Forward lamp harness
Figure 24:

Chevrolet I/P Ground (Pontiac Similar)


Object Number: 490680  Size: MF
(1)G201
(2)I/P wiring harness
(3)I/P wiring harness
(4)Cross car wiring harness
(5)G200
Figure 25:

Dash Panel


Object Number: 483745  Size: SF
(01)Cross Car Harness
(02)P600
(03)Door Jamb Switch, RH Connector
(04)Power Window Control Module
(05)Door Jamb Switch, LH Connector
(06)P500
Figure 26:

Under Console, Left Side (Automatic Transmission)


Object Number: 483749  Size: SF
(01)Park Brake Switch
(02)Park Brake
(03)G202
(04)Inflatable Restraint Sensing and Diagnostic Module (SDM)
(05)Seatbelt Switch Connector
(06)IP Wiring Harness
(07)PRNDL Lamp
(08)BTSI Connector
(09)Traction Control or Second Gear Start Switch Connector
(10)Folding Top Switch Connector
(11)Cigar Lighter Connector
(12)Auxiliary Power Connector
Figure 27:

Under Console, Left Side (Manual Transmission)


Object Number: 483750  Size: SF
(1)Park Brake Switch
(2)Park Brake
(3)G202
(4)Seat Belt Switch Connector
(5)Inflatable Restraint Sensing and Diagnostic (SDM) Module
(6)Ash Tray Lamp
(7)IP Wiring Harness
(8)Convertible Top Switch Connector
(9)Cigar Lighter Connector
(10)Traction Control Switch Connector (Pontiac)
(11)Auxiliary Power Connector
Figure 28:

Rear Left Side of I/P


Object Number: 490702  Size: MF
(1)Forward lamp harness
(2)C200D
(3)I/P wiring harness
(4)C200B
(5)C200C
(6)Cross Car Wiring Harness
(7)C200A
Figure 29:

Left Rocker Panel


Object Number: 490706  Size: MF
(1)Number 2 Floor Pan Rail
(2)I/P wiring harness
(3)C310
(4)Number 3 floor pan rail
(5)G305
(6)Rocker panel
Figure 30:

Outside Left of Rear Floor Pan, Forward of Rear Axle


Object Number: 490719  Size: MF
(1)C405B
(2)I/P wiring harness
(3)C405C
(4)Rear wheel speed sensor harness
Figure 31:

Underside of Rear Compartment Lid (Coupe)


Object Number: 490726  Size: MF
(1)Rear defogger grid connector (Left Side)
(2)C420
(3)Rear defogger grid connector (Right Side)
(4)Hatch harness
(5)P300
Figure 32:

Center Rear of Roof Panel


Object Number: 483756  Size: SF
(01)Hatch Wiring Harness
(02)IP Wiring Harness
(03)G310
(04)C330
(05)Roof Panel
(06)Dome Lamp Connector
Figure 33:

Underside of Rear Compartment Lid (Pontiac Convertible)


Object Number: 483758  Size: SF
(01)CHMSL Harness
(02)C420
(03)IP Wiring Harness
(04)Deck Lid
Figure 34:

Underside of Rear Compartment Lid (Chevrolet Convertible)


Object Number: 483763  Size: SF
(01)CHMSL Wiring Harness
(02)C420
(03)IP Wiring Harness
(04)Deck Lid
Figure 35:

Inside Rear Convertible Top


Object Number: 478269  Size: SF
(01)C320
(02)Folding Top Glass