GM Service Manual Online
For 1990-2009 cars only
Makes
🢒
Pontiac
🢒
1998
🢒
Firebird
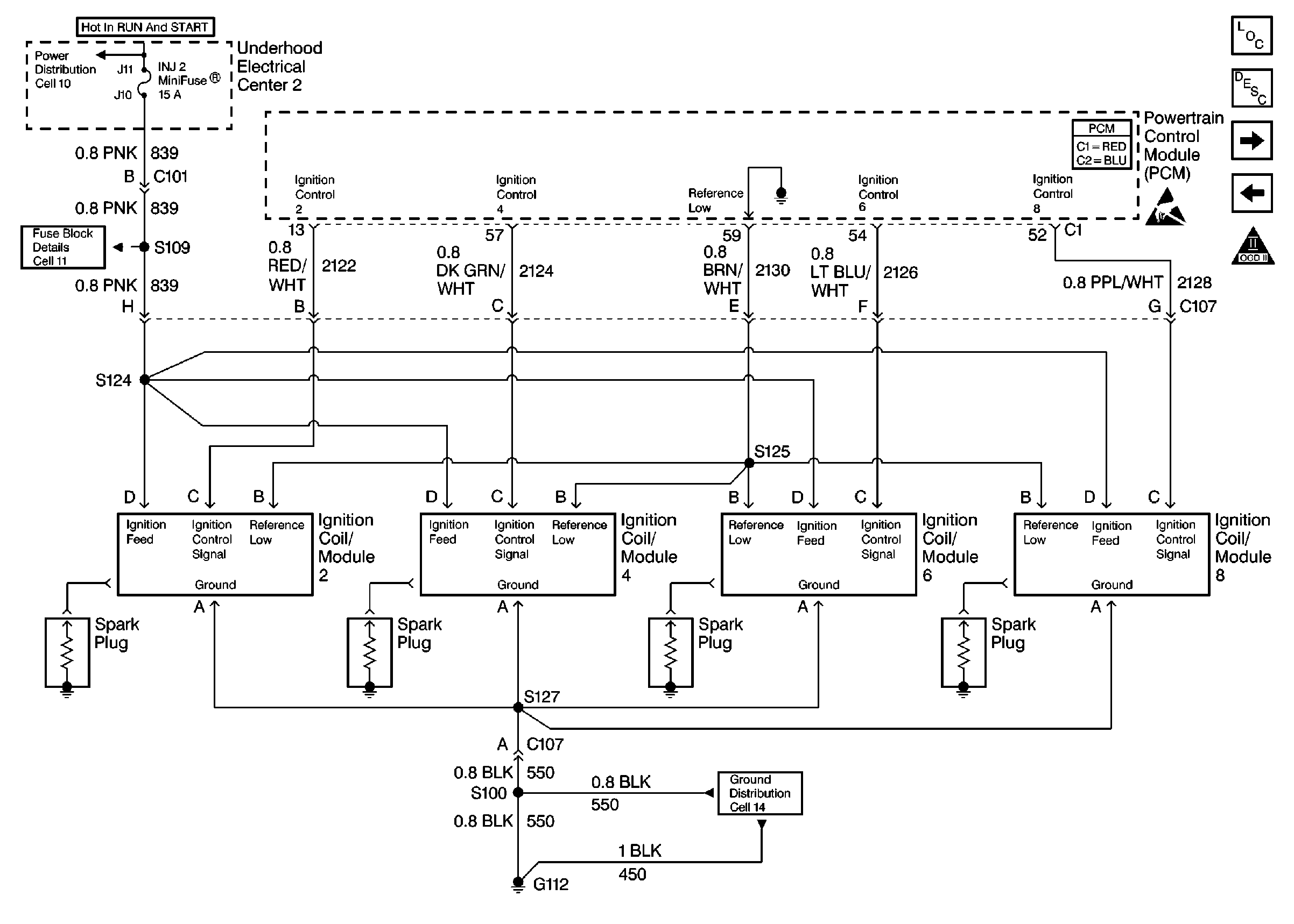
🢒 Bank 2 Ignition Coil/Modules
Bank 2 Ignition Coil/Modules
Bank 2 Ignition Coil/Modules
Engine Controls Components
Electronic Ignition (EI) System Description
Engine Speed Output, CKP and CMP Sensors
Bank 1 Ignition Coil/Modules
OBD II Symbol Description Notice
Handling ESD Sensitive Parts Notice
Power Distribution Schematics
Fuse Block Schematics
Ground Distribution Schematics