GM Service Manual Online
For 1990-2009 cars only
Makes
🢒
Pontiac
🢒
1998
🢒
Firebird
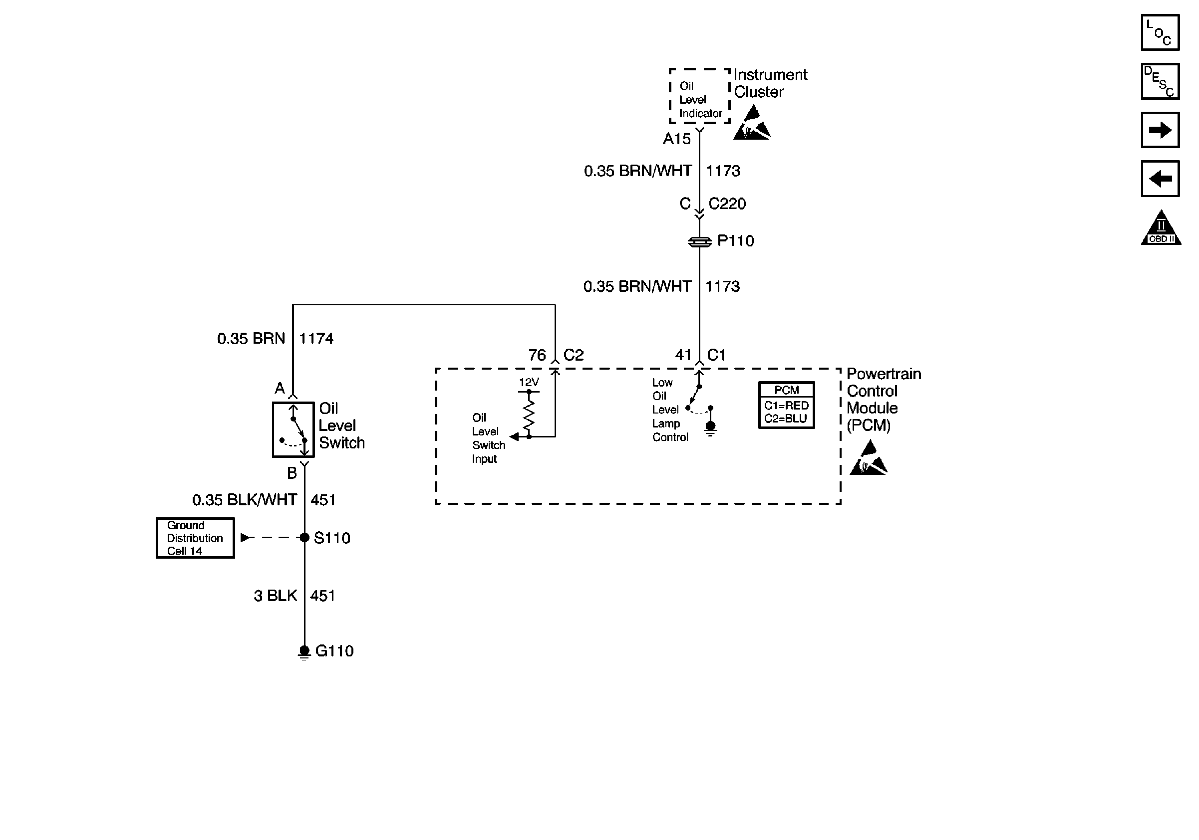
🢒 Oil Level
Oil Level
Oil Level
Engine Controls Components
Information Sensors/Switches Description
Reverse Inhibit and Skip Shift Solenoids
EVAP and EGR
OBD II Symbol Description Notice
Handling ESD Sensitive Parts Notice
Handling ESD Sensitive Parts Notice
Ground Distribution Schematics