GM Service Manual Online
For 1990-2009 cars only
Makes
🢒
Pontiac
🢒
1998
🢒
Firebird
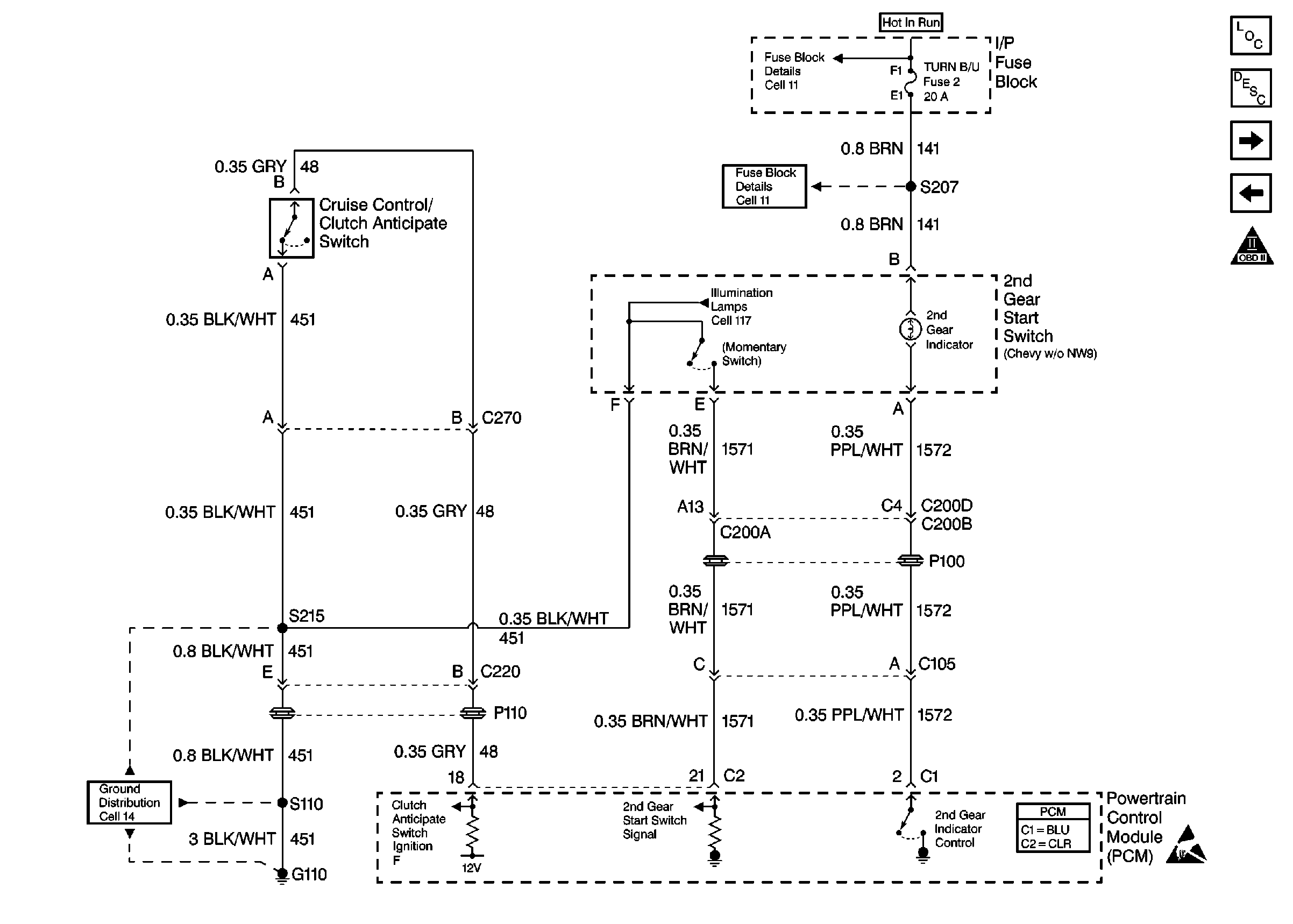
🢒 2nd Gear, Clutch Anticipate Switch
2nd Gear, Clutch Anticipate Switch
2nd Gear, Clutch Anticipate Switch
Engine Controls Components
Powertrain Control Module Description
Brake Switch, TCC Solenoid
Ground for TAC Module
OBD II Symbol Description Notice
G110 V6 VIN K
Ignition Switch and IP Fuse Block
I/P Fuses 1, 2, 5 and 6
Instrument Panel Lamps
Handling ESD Sensitive Parts Notice