GM Service Manual Online
For 1990-2009 cars only

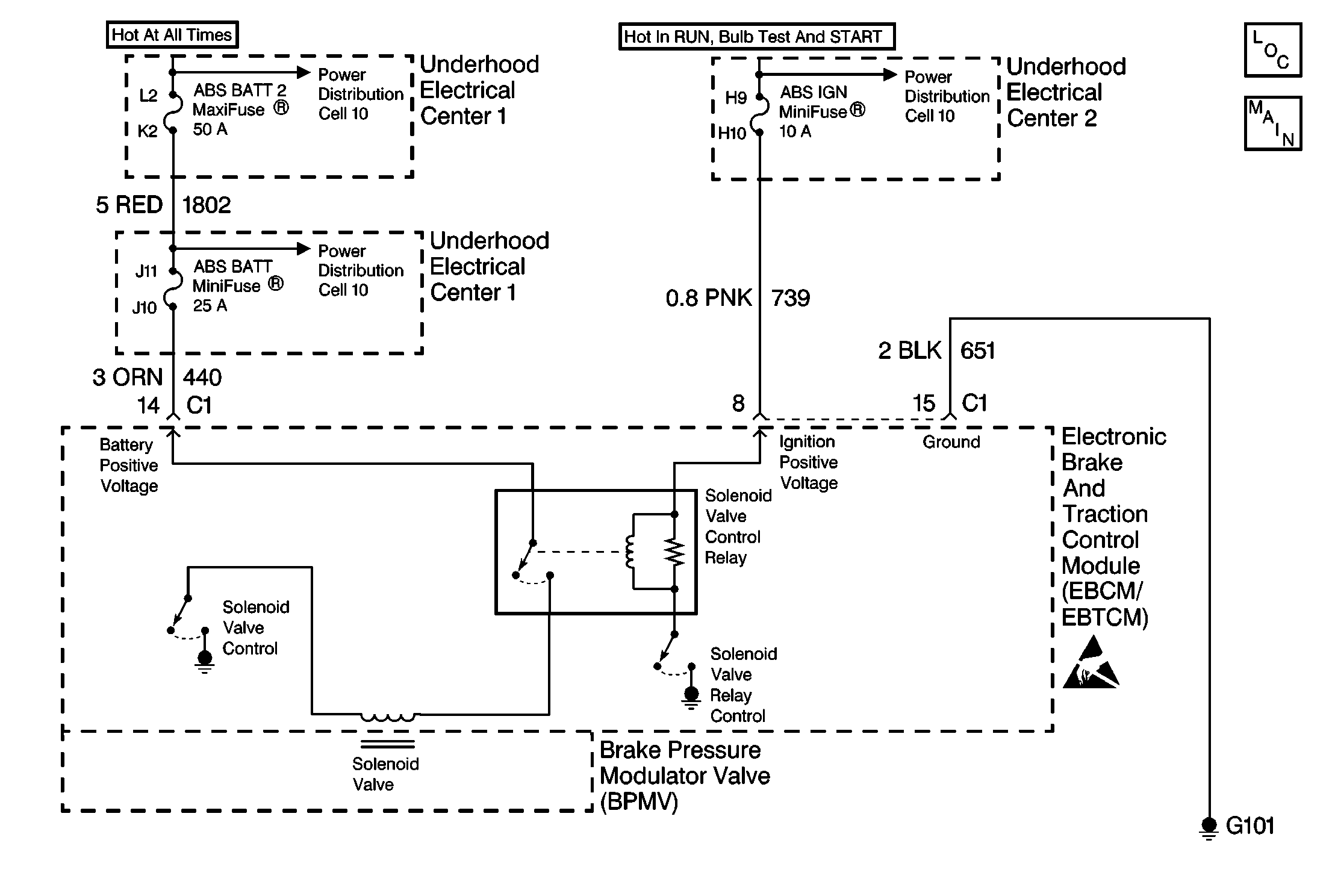
Object Number: 213289  Size: MF
ABS Components
ABS/TCS Schematics
Handling ESD Sensitive Parts Notice
Power Distribution Schematics
Power Distribution Schematics
Power Distribution Schematics

Circuit Description

The solenoid valve relay supplies power to the solenoid valve coils in the EBCM/EBTCM. The solenoid valve relay, located in the EBCM/EBTCM, is activated whenever the ignition switch is in the RUN position and no faults are present. The solenoid valve relay remains engaged until the ignition is turned OFF or a failure is detected.

Conditions for Setting the DTC

    • DTC C0121 will set anytime the solenoid valve relay is commanded on and the EBCM/EBTCM does not see battery voltage at the solenoid valves.
    •  DTC C0121 will set anytime the EBCM/EBTCM commands the solenoid valve relay off and battery voltage is still present at the solenoid valves.

Action Taken When the DTC Sets

    • A malfunction DTC stores.
    • The ABS/TCS disables.
    • The amber ABS/TCS indicator(s) turn on.
    • The Red BRAKE Warning indicator turns on.

Conditions for Clearing the DTC

    • The condition responsible for setting the DTC no longer exists and the scan tool Clear DTCs function is used.
    • 100 ignition cycles pass with no DTC(s) detected.

Diagnostic Aids

    • It is very important that a thorough inspection of the wiring and connectors be performed. Failure to carefully and fully inspect wiring and connectors may result in misdiagnosis, causing part replacement with reappearance of the malfunction.
    • Thoroughly inspect any circuitry that may be causing the complaint for the following conditions:
       - Backed out terminals
       - Improper mating
       - Broken locks
       - Improperly formed or damaged terminals
       - Poor terminal-to-wiring connections
       - Physical damage to the wiring harness
    • The following conditions may cause an intermittent malfunction:
       - A poor connection
       - Rubbed-through wire insulation
       - A broken wire inside the insulation
    • If an intermittent malfunction exists refer to Troubleshooting Procedures Cell 4 in Electrical Diagnosis for further diagnosis.
    • The solenoid valve relay is an integral part of the EBCM/EBTCM and is not serviced separately.

Test Description

The numbers below refer to the step numbers on the diagnostic table.

  1. This step checks for a short to ground in CKT 440.

  2. This step checks for an open in CKT 440.

DTC C0121 Valve Relay Circuit Malfunction

Step

Action

Value(s)

Yes

No

1

Was the Diagnostic System Check performed?

--

Go to Step 2

Go to Diagnostic System Check

2

Inspect the ABS BATT 2 Maxifuse in the Underhood electrical Center 1.

Is the fuse OK?

--

Go to Step 4

Go to Step 3

3

  1. Install a new ABS BATT 2 fuse.
  2. Inspect the ABS BATT 2 fuse.

Is the fuse OK?

--

Go to Diagnostic System Check

Go to Step 9

4

Inspect the ABS BATT Minifuse in the Underhood electrical Center 1.

Is the fuse OK?

--

Go to Step 10

Go to Step 5

5

  1. Install a new ABS BATT fuse.
  2. Inspect the ABS BATT fuse.

Is the fuse OK?

--

Go to Diagnostic System Check

Go to Step 6

6

  1. Turn the ignition switch to the OFF position.
  2. Remove the ABS BATT Minifuse.
  3. Disconnect the EBCM/EBTCM connector C1.
  4. Connect the J 39700 Universal Pinout Box using the J 39700-530 cable adapter to the EBCM/EBTCM harness connector only.
  5. Using the J 39200 DMM, measure the resistance between the J 39700 terminals 14 and 15.

Is the resistance within specifications?

OL (infinite)

Go to Step 7

Go to Step 8

7

Replace the EBCM/EBTCM. Refer to Electronic Brake Control Module Replacement .

Is the replacement complete?

--

Go to Diagnostic System Check

--

8

Repair the short to ground in CKT 440. Refer to Repair Procedures Cell 5 in Electrical Diagnosis.

Is the circuit repair complete?

--

Go to Diagnostic System Check

--

9

Repair the short to ground in CKT 1802. Refer to Repair Procedures Cell 5 in Electrical Diagnosis.

Is the circuit repair complete?

--

Go to Diagnostic System Check

--

10

Using the J 39200 DMM, probe between the ABS BATT 2 fuse test terminals and a good ground in order to measure the voltage.

Is the voltage within specifications?

Battery voltage

Go to Step 11

Go to Power Distribution Cell 10 in Electrical Diagnosis

11

Using the J 39200 DMM, probe between the ABS BATT Minifuse test terminals and a good ground in order to measure the voltage.

Is the voltage within specifications?

Battery voltage

Go to Step 13

Go to Step 12

12

Repair the open or high resistance in CKT 1802. Refer to Repair Procedures Cell 5 in Electrical Diagnosis.

Is the circuit repair complete?

--

Go to Diagnostic System Check

--

13

  1. Turn the ignition switch to the OFF position.
  2. Disconnect the EBCM/EBTCM connector C1.
  3. Connect the J 39700 Universal Pinout Box using the J 39700-530 cable adapter to the EBCM/EBTCM harness connector only.
  4. Turn the ignition switch to the RUN position, engine off.
  5. Using the J 39200 DMM, measure the voltage at terminal 14 of the J 39700 .

Is the voltage within specifications?

Battery voltage

Go to Step 7

Go to Step 14

14

Repair the open or high resistance in CKT 440. Refer to Repair Procedures Cell 5 in Electrical Diagnosis.

Is the circuit repair complete?

--

Go to Diagnostic System Check

--