GM Service Manual Online
For 1990-2009 cars only

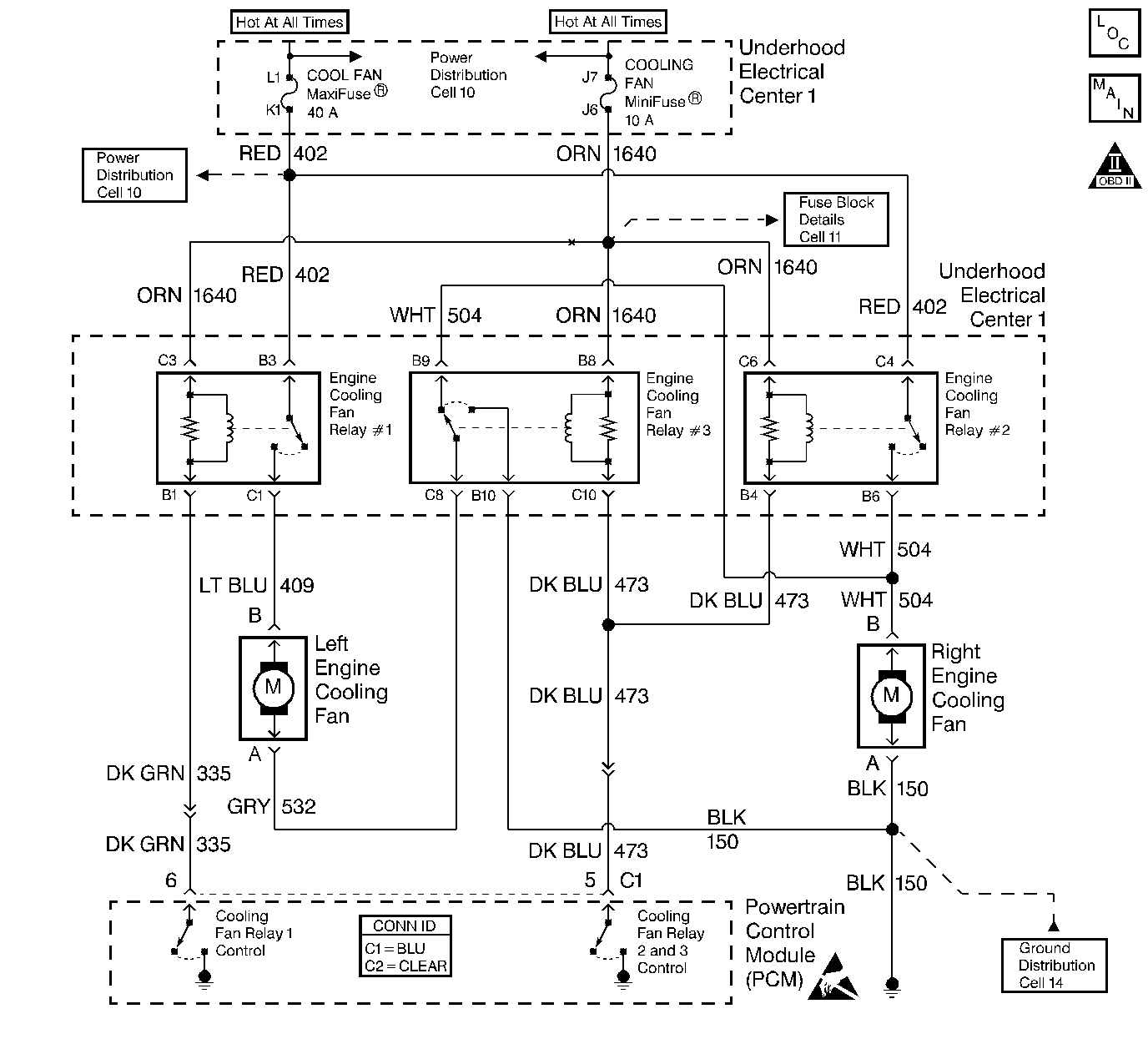
Object Number: 254432  Size: LF
Engine Controls Components
Cooling Fans
OBD II Symbol Description Notice
Handling ESD Sensitive Parts Notice

Circuit Description

Output Driver Modules (ODMs) are used by the PCM to turn on many of the current-driven devices that are needed to control various engine and Transaxle functions. Each ODM is capable of controlling up to 7 separate outputs by applying ground to the device which the PCM is commanding ON. Unlike the Quad Driver Modules (QDMs) used in prior model years, ODMs have the capability of diagnosing each output circuit individually. DTC P1651 set indicates an improper voltage level has been detected on the output circuit which controls the Fan 1 Relay.

Conditions for Setting the DTC

    • The ignition is ON.
    • An improper voltage level has been detected on the output circuit which controls the low speed fans.
    • The above conditions present for at least 30 seconds.

Action Taken When the DTC Sets

    • The PCM will illuminate the MIL during the second consecutive trip in which the diagnostic test has been run and failed.
    • The PCM will store conditions which were present when the DTC set as Freeze Frame and Fail Records data.

Conditions for Clearing the MIL/DTC

    • The PCM will turn the MIL OFF during the third consecutive trip in which the diagnostic has been run and passed.
    • The history DTC will clear after 40 consecutive warm-up cycles have occurred without a malfunction.
    • The DTC can be cleared by using the scan tool Clear Information function or by disconnecting the PCM battery feed.

Diagnostic Aids

Check for the following conditions:

    • Poor connection at PCM - Inspect harness connectors for the following items:
       - Backed out terminals
       - Improper mating
       - Broken locks
       - Improperly formed or damaged terminals
       - Poor terminal to wire connections
    • Damaged harness - Inspect the wiring harness for damage.
    • If the harness appears to be OK, disconnect the PCM, turn the ignition ON and observe a voltmeter connected between the Fan 1 relay driver circuit and ground at the PCM harness connector while moving connectors and wiring harnesses related to the Fan 1 relay. A change in voltage will indicate the location of the fault.

Review the Fail Records vehicle mileage since the diagnostic test last failed. This may help determine how often the condition that caused the DTC to be set occurs.

Test Description

Number(s) below refer to the step number(s) on the Diagnostic Table.

  1. Normally, battery feed voltage should be present on the control circuit with the PCM disconnected and the ignition turned ON.

  2. Checks for a shorted component or a short to B+ on the control circuit. Either condition would result in a measured current of over 500 milliamps. Also checks for a component that is going open while being operated, resulting in a measured current of 0 milliamps.

  3. Checks for a short to B+ on the cooling fan relay #1 control circuit.

  4. This vehicle is equipped with a PCM which utilizes an Electrically Erasable Programmable Read Only Memory (EEPROM). When the PCM is being replaced, the new PCM must be programmed.

DTC P1651 - Fan 1 Relay Control Circuit

Step

Action

Value(s)

Yes

No

1

Was the Powertrain On-Board Diagnostic (OBD) System Check performed?

--

Go to Step 2

Go to the Powertrain On Board Diagnostic (OBD) System Check

2

  1. Turn OFF the ignition switch.
  2. Disconnect the PCM.
  3. Turn ON the ignition switch.
  4. Using a J 39200 DMM, measure voltage between the cooling fan relay #1 control circuit at the PCM harness connector and ground.

Is voltage near the specified value?

B+

Go to Step 3

Go to Step 6

3

  1. Disconnect the cooling fans.
  2. Connect the J 39200 DMM to measure current between the cooling fan relay #1 control circuit at the PCM harness connector and ground.
  3. Monitor the current reading on the J 39200 DMM for at least 2 minutes.

Does the current reading remain between the specified values?

0.05-0.5 amps

(50-500 mA)

Go to Step 11

Go to Step 4

4

  1. Turn OFF the ignition switch.
  2. Reconnect the cooling fans.
  3. Disconnect cooling fan relay #1 (leave the PCM disconnected).
  4. Turn ON the ignition switch.
  5. Using the J 39200 DMM, measure voltage between the cooling fan relay #1 control circuit and ground.

Is voltage at the specified value?

0V

Go to Step 10

Go to Step 5

5

Locate and repair short to voltage in the cooling fan relay #1 control circuit. Refer to Wiring Repairs .

Is action complete?

--

Go to Step 16

--

6

  1. Turn OFF the ignition switch.
  2. Check the battery feed fuse for the low speed cooling fan relay coil.

Is the fuse open?

--

Go to Step 7

Go to Step 8

7

  1. Locate and repair short to ground in battery feed circuit for the low speed cooling fan relay coil. Refer to Wiring Repairs .
  2. Replace the fuse.

Is action complete?

--

Go to Step 16

--

8

  1. Disconnect cooling fan relay #1.
  2. Turn ON the ignition switch.
  3. Measure voltage between the battery feed circuit for the low speed cooling fan relay coil and ground.

Is voltage near the specified value?

B+

Go to Step 9

Go to Step 13

9

  1. Check the cooling fan relay #1 control circuit for an open or a short to ground.
  2. If a problem is found, repair the cooling fan relay #1 control circuit. Refer to Wiring Repairs .

Was a problem found?

--

Go to Step 16

Go to Step 10

10

  1. Check for the following conditions:
  2. • The cooling fan relay #1 control circuit for a poor connection at the PCM.
    • The cooling fan relay #1 control circuit for a poor connection at cooling fan relay #1.
    • The cooling fan relay #1 battery feed circuit for a poor connection at cooling fan relay #1.
  3. If a problem is found, replace faulty terminal(s) as necessary. Refer to Wiring Repairs .

Was a problem found?

--

Go to Step 16

Go to Step 14

11

  1. Turn OFF the ignition switch.
  2. Reconnect the cooling fans.
  3. Reconnect the PCM.
  4. Disconnect the low speed cooling fan relay.
  5. Turn ON the ignition switch.
  6. Connect a J 35616-200 test lamp between the cooling fan relay #1 control circuit and the battery feed circuit at the low speed cooling fan relay harness connector.
  7. Using the scan tool outputs test function, cycle the fan 1 output ON and OFF.

Does the test lamp flash ON and OFF?

--

Go to Diagnostic Aids

Go to Step 12

12

  1. Check the cooling fan relay #1 control circuit for a poor connection at the PCM.
  2. If a problem is found, replace faulty terminal. Refer to Wiring Repairs

Was a problem found?

--

Go to Step 16

Go to Step 15

13

Locate and repair open in the battery feed circuit to the low speed cooling fan relay coil. Refer to Wiring Repairs .

Is action complete?

--

Go to Step 16

--

14

Replace cooling fan relay #1.

Is action complete?

--

Go to Step16

--

15

Important:: The replacement PCM must be programmed. Refer to Powertrain Control Module Replacement/Programming .

Replace the PCM.

Is action complete?

--

Go to Step16

--

16

  1. Turn OFF the ignition switch.
  2. Reconnect any relay, cooling fan, and PCM connectors that were disconnected in the previous step.
  3. Turn ON the ignition switch.
  4. Review and record scan tool Fail Records data.
  5. Clear DTCs.
  6. Operate the vehicle within Fail Records conditions as noted.
  7. Using a scan tool, monitor Specific DTC info for DTC P1651 until the DTC P1651 test runs.

Note test result; does the scan tool indicate DTC P1651 failed this ign?

--

Go to Step 2

System OK