GM Service Manual Online
For 1990-2009 cars only

Exhaust Manifold Removal Left Side


    Object Number: 178465  Size: SH
  1. Loosen the Air Injection Reaction (AIR) hose clamps and remove the hose assembly.

  2. Object Number: 309866  Size: SH

    Important: Do not remove the check valve from the AIR pipe unless service is required.

  3. Remove the AIR pipe (with check valve), bolts and gasket from the left exhaust manifold.
  4. Remove the spark plug wires from the spark plugs.
  5. Do not remove the spark plug wires from the ignition coils unless required.


    Object Number: 222952  Size: SH

    Important: Do not remove the oxygen sensor from the manifold unless service is required.

  6. Remove the oxygen sensor from the manifold (if required).

  7. Object Number: 309856  Size: SH
  8. Remove the exhaust manifold, bolts and gasket.
  9. Discard the gasket.

Exhaust Manifold Removal Right Side


    Object Number: 178487  Size: SH

    Important: Do not remove the Exhaust Gas Recirculation (EGR) valve from the pipe assembly unless service is required.

  1. Remove the EGR valve, gasket, and bolts.

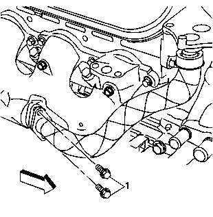
  2. Object Number: 492575  Size: SH
  3. Remove the EGR valve pipe bolt (1) from the intake manifold.

  4. Object Number: 492580  Size: SH
  5. Remove the EGR valve pipe bolts (1) and gasket from the exhaust manifold.

  6. Object Number: 178489  Size: SH
  7. Remove the EGR valve pipe bolts from the cylinder head.
  8. Remove the EGR valve pipe assembly.
  9. With mild force, pull the EGR valve pipe from the intake manifold.

  10. Remove the O-ring seal from the EGR valve pipe assembly.
  11. Discard the exhaust manifold gasket and O-ring seal.

  12. Object Number: 309868  Size: SH

    Important: Do not remove the check valve from the Air Injection Reaction (AIR) pipe unless service is required.

  13. Remove the AIR pipe (with check valve), bolts, and gasket from the right exhaust manifold.
  14. Remove the spark plug wires from the spark plugs.
  15. Do not remove the spark plug wires from the ignition coils unless required.


    Object Number: 492592  Size: SH

    Important: Do not remove the oxygen sensor from the manifold unless service is required.

  16. Remove the oxygen sensor from the manifold.
  17. Remove the exhaust manifold, bolts, and gasket.
  18. Discard the gasket.