GM Service Manual Online
For 1990-2009 cars only
Makes
🢒
Pontiac
🢒
1999
🢒
Firebird
🢒
Body and Accessories
🢒
Lighting Systems
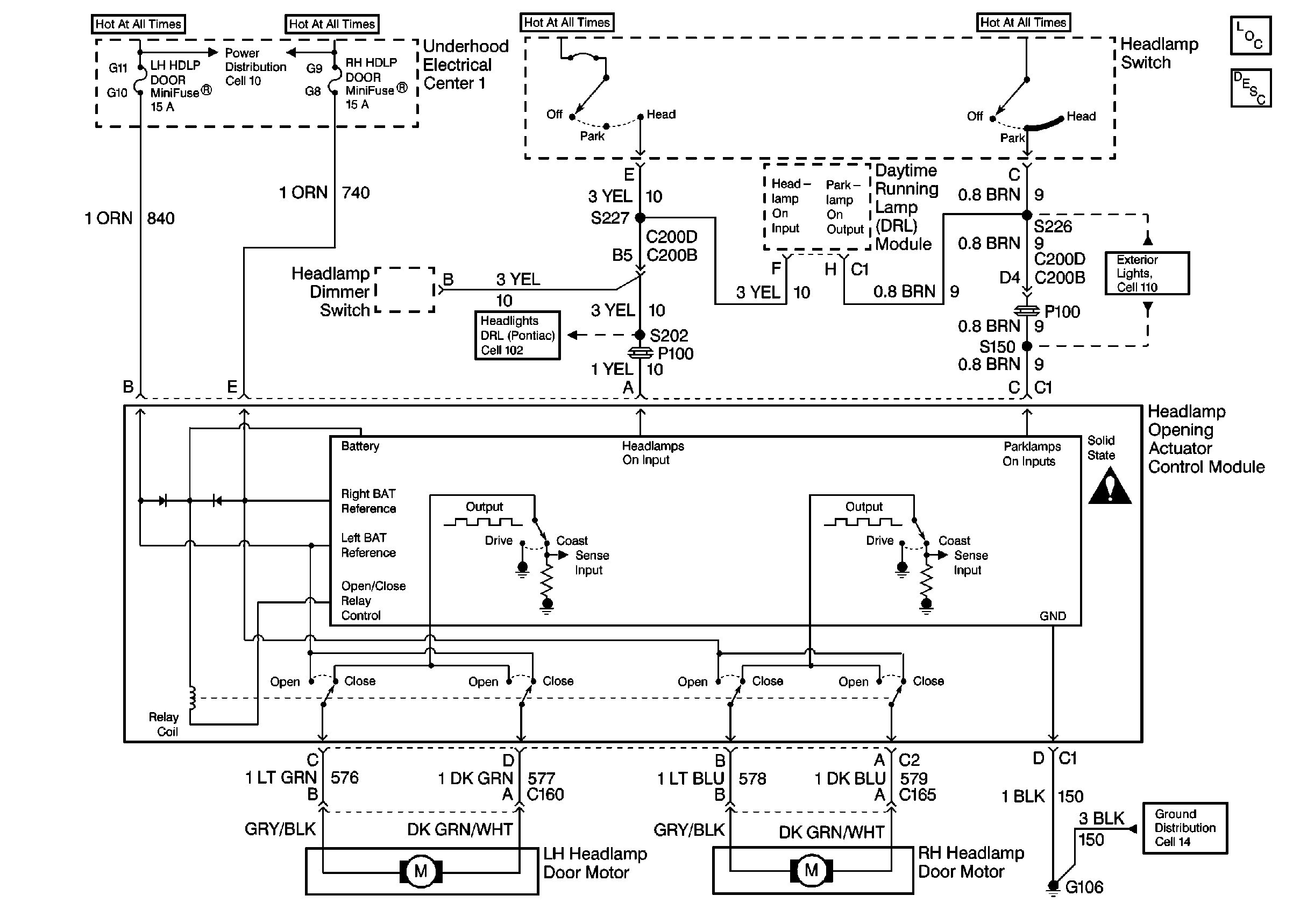
🢒 Headlight Doors Schematics
Pontiac Cell 104
Battery and Underhood Electrical Center 1
Pontiac: Headlamps Cell 102
G106
Park/Turnlamps, Foglamps Relay, Side Marker Lamps Cell 110
Headlight Doors Circuit Description
Lighting Systems Components