GM Service Manual Online
For 1990-2009 cars only
Makes
🢒
Pontiac
🢒
1999
🢒
Firebird
🢒
Body and Accessories
🢒
Doors
🢒 Outside Rearview Mirror Schematics
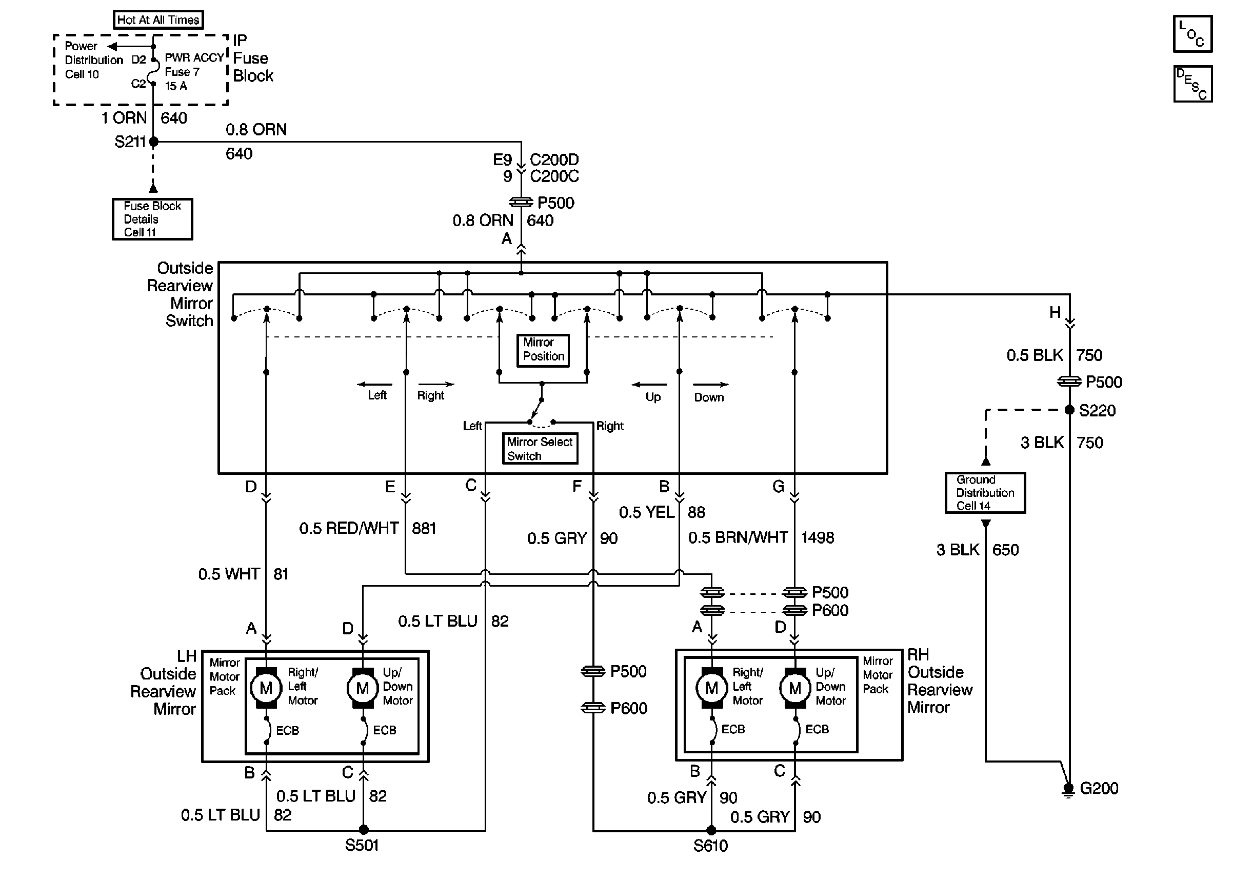
Figure
1:
Cell 147 (Chevrolet)
Power Door Systems Components
Outside Mirrors Circuit Description
I/P Fuses 7, 9, 10 and 11
Fusible Links, IP Fuse Block, and Underhood Electrical Centers
G200 Door Locks, Mirrors, Windows
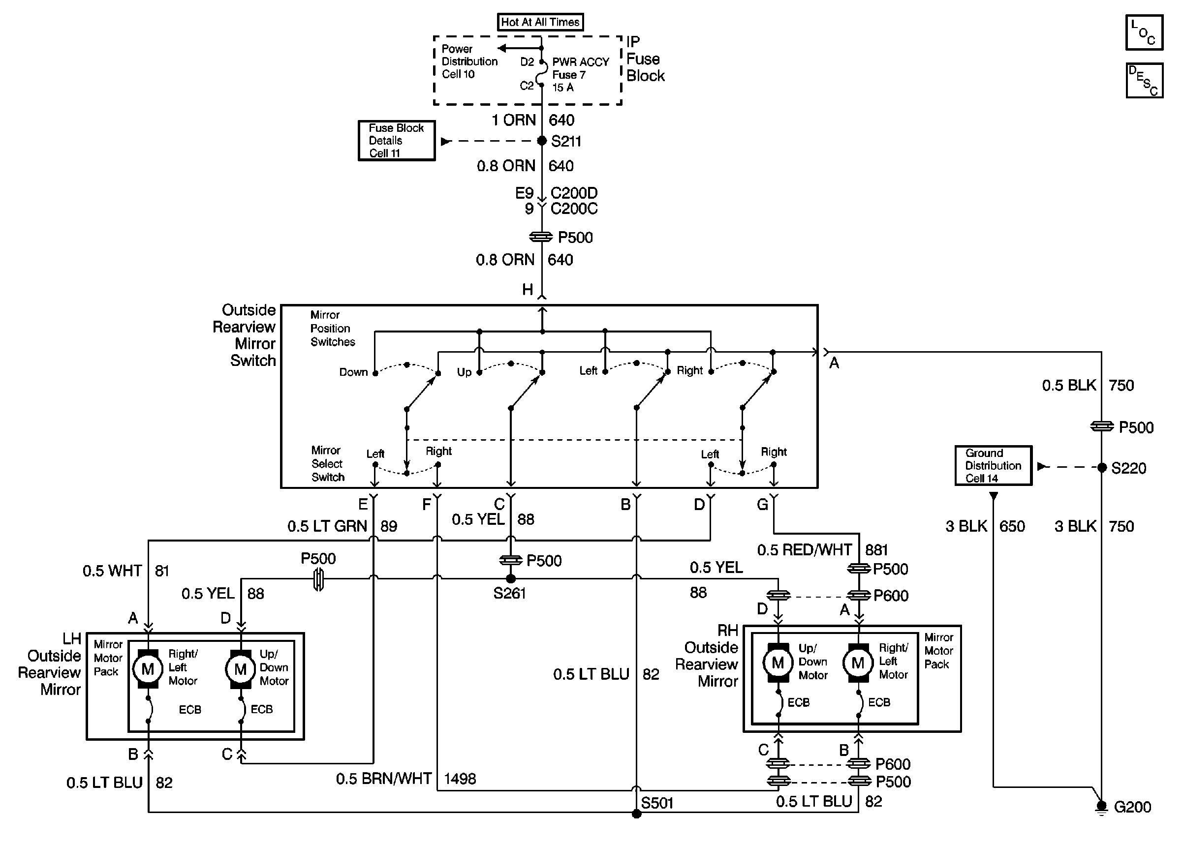
Figure
2:
Cell 147 (Pontiac)
Power Door Systems Components
Outside Mirrors Circuit Description
Fusible Links, IP Fuse Block, and Underhood Electrical Centers
I/P Fuses 7, 9, 10 and 11
G200 Door Locks, Mirrors, Windows