GM Service Manual Online
For 1990-2009 cars only
Makes
🢒
Pontiac
🢒
1999
🢒
Firebird
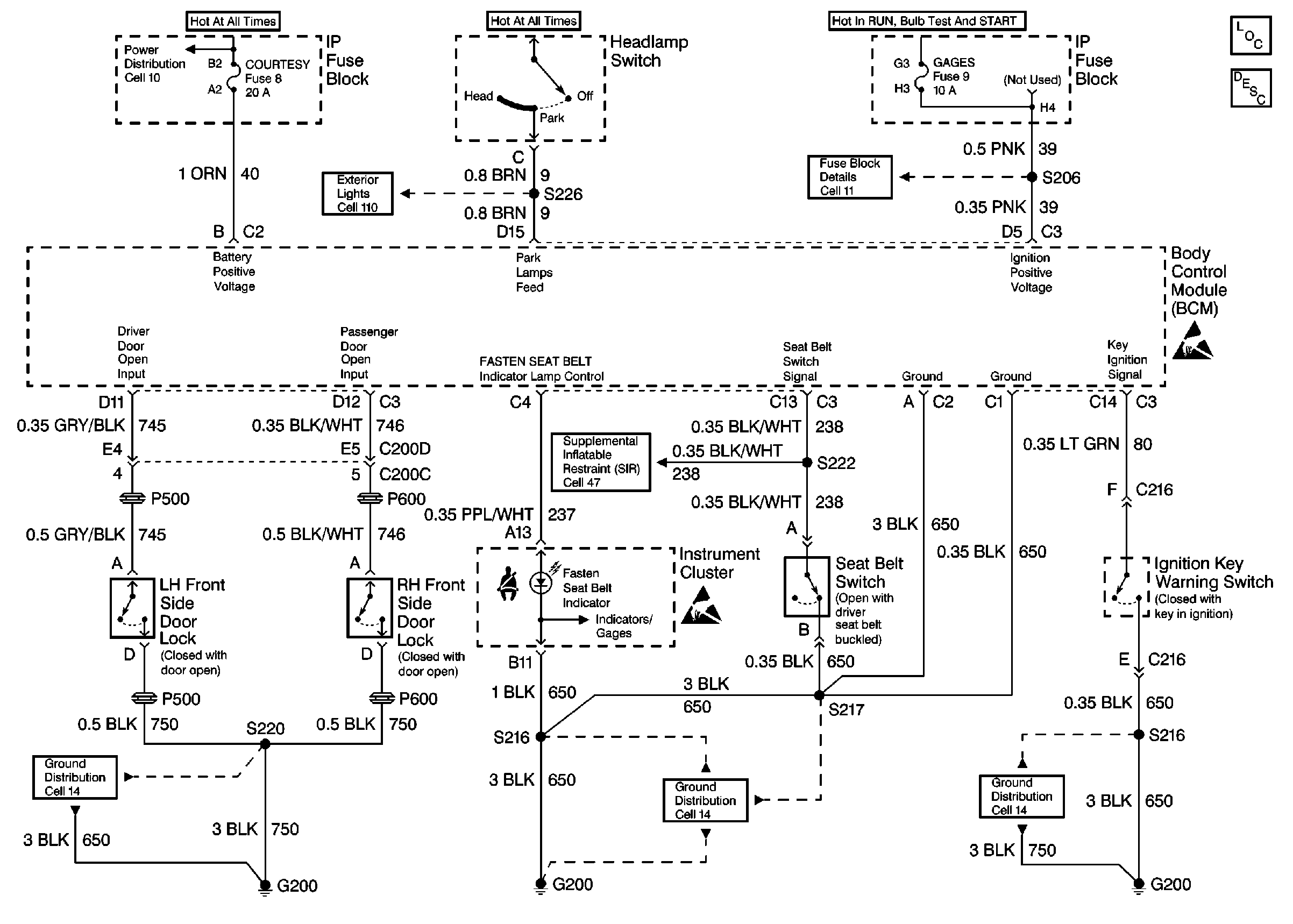
🢒 BCM and Audible Warning Inputs
BCM and Audible Warning Inputs
BCM and Audible Warning Inputs
Audible Warnings Components
Audible Warnings Circuit Description
Park/Turnlamps, Foglamps Relay, Side Marker Lamps Cell 110
I/P Fuses 7, 9, 10 and 11
G200 Door Locks, Mirrors, Windows
G200 Door Locks, Mirrors, Windows
G200 Door Locks, Mirrors, Windows
Handling ESD Sensitive Parts Notice
Handling ESD Sensitive Parts Notice
Fusible Links, IP Fuse Block, and Underhood Electrical Centers