GM Service Manual Online
For 1990-2009 cars only
Makes
🢒
Pontiac
🢒
1999
🢒
Firebird
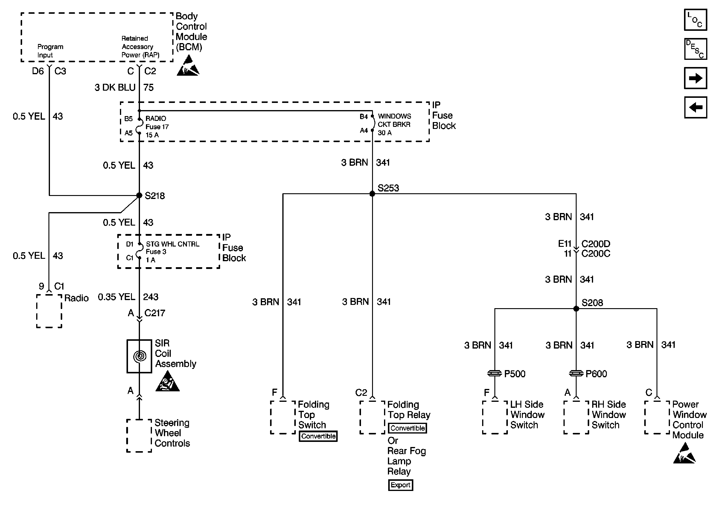
🢒 BCM RAP Components
BCM RAP Components
BCM RAP Components
Body Control Module Components
Body Control System Circuit Description
Door Lock Switches, Instrument Cluster, Seat Belt Switch
Ignition Switch, Instrument Cluster, IP Fuse Block, and Rear Compartment Lid Ajar Indication Switch
Handling ESD Sensitive Parts Notice
SIR Caution
Handling ESD Sensitive Parts Notice