GM Service Manual Online
For 1990-2009 cars only
Makes
🢒
Pontiac
🢒
1999
🢒
Firebird
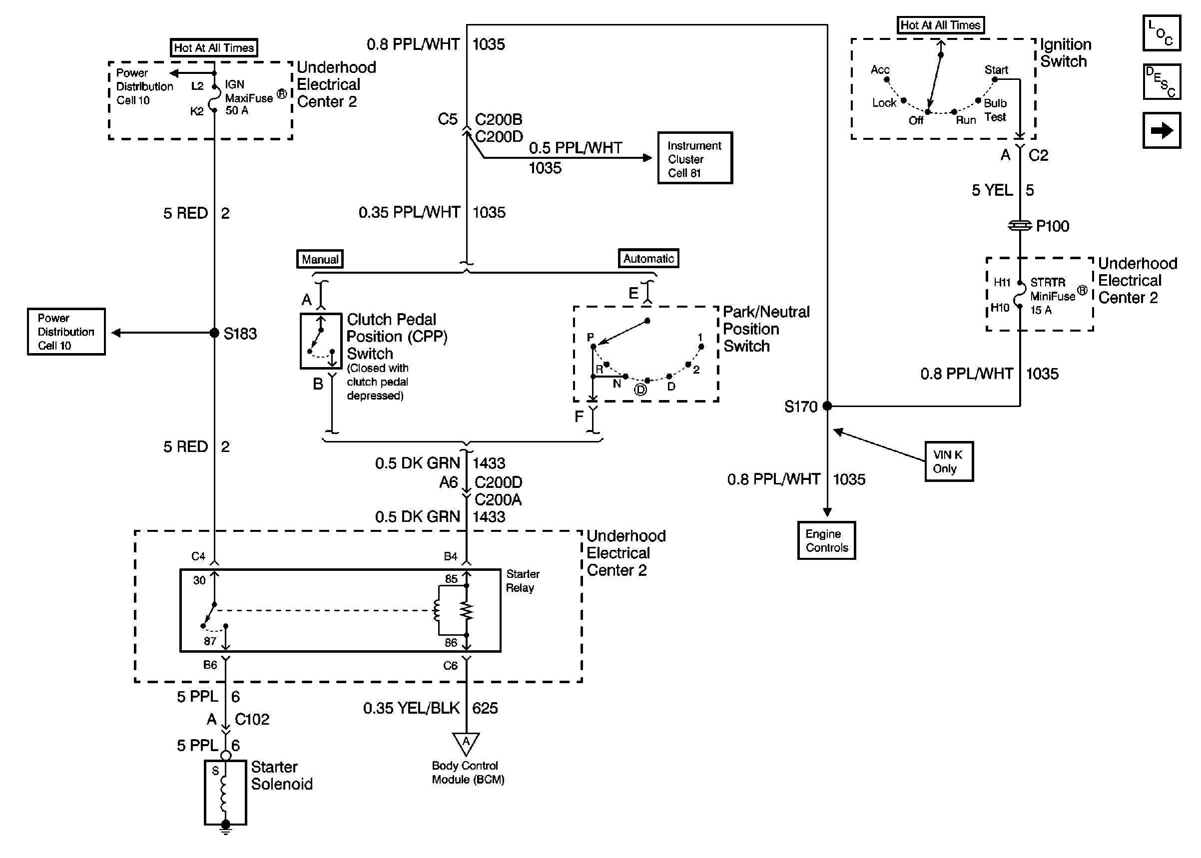
🢒 Clutch Pedal Position Switch, Ignition Switch, Park/Neutral Position Switch, Starter Relay, and Starter Solenoid
Clutch Pedal Position Switch, Ignition Switch, Park/Neutral Position Switch, Starter Relay, and Starter Solenoid
Clutch Pedal Position Switch, Ignition Switch, Park/Neutral Position Switch, Starter Relay, and Starter Solenoid
Theft Deterrent System Components
Vehicle Theft Deterrent (VTD)Circuit Description
BCM, Ignition Key Lock Cylinder, and PCM
Fusible Links, IP Fuse Block, and Underhood Electrical Centers
Data Link, Engine Oil Pressure Sensor, Instrument Cluster, and PCM
Ignition Switch and Underhood Electrical Center 2
Power, Ground and MIL
BCM, Ignition Key Lock Cylinder, and PCM