GM Service Manual Online
For 1990-2009 cars only

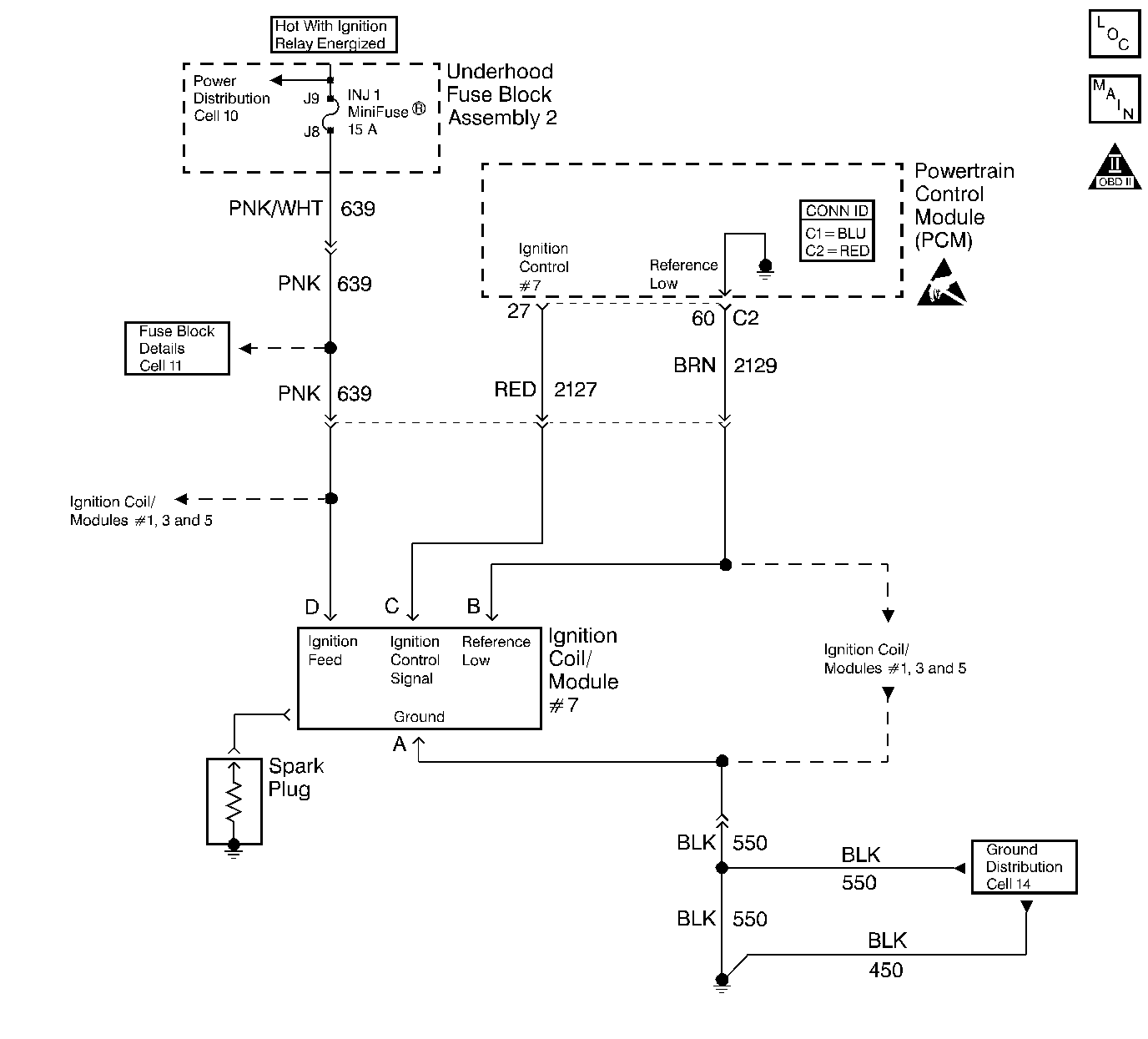
Object Number: 372972  Size: LF
Engine Controls Component Views
Bank 1 Ignition Coil/Modules
OBD II Symbol Description Notice

Circuit Description

The ignition system on this engine uses an individual ignition coil/module for each cylinder. The PCM controls the ignition system operation. The PCM controls each coil using one of eight Ignition Control (IC) circuits. The PCM commands the IC circuit low when a spark event is requested. This causes the IC module to energize the ignition coil to create a spark at the spark plug. Each ignition coil/module has the following circuits:

    • A power feed
    • A ground circuit
    • An ignition control (IC) circuit
    • A reference low circuit

Sequencing and timing are PCM controlled. This DTC sets when the IC circuit is out of range.

Conditions for Running the DTC

The engine is operating.

Conditions for Setting the DTC

    • The PCM detects the ignition control circuit is grounded, open or shorted to a voltage.
    • All conditions met for less than 1 second.

Action Taken When the DTC Sets

    • The PCM illuminates the malfunction indicator lamp (MIL) on the second consecutive ignition cycle that the diagnostic runs and fails.
    • The PCM records the operating conditions at the time the diagnostic fails. The first time the diagnostic fails, the PCM stores this information in the Failure Records. If the diagnostic reports a failure on the second consecutive ignition cycle, the PCM records the operating conditions at the time of the failure. The PCM writes the conditions to the Freeze Frame and updates the Failure Records.

Conditions for Clearing the MIL/DTC

    • The PCM turns OFF the malfunction indicator lamp (MIL) after 3 consecutive ignition cycles that the diagnostic runs and does not fail.
    • A last test failed, or current DTC, clears when the diagnostic runs and does not fail.
    • A history DTC clears after 40 consecutive warm-up cycles, if no failures are reported by this or any other emission related diagnostic.
    • Use a scan tool in order to clear the MIL and the DTC.

Diagnostic Aids

Important: 

   • Remove any debris from the PCM connector surfaces before servicing the PCM. Inspect the PCM connector gaskets when diagnosing/replacing the PCM. Ensure that the gaskets are installed correctly. The gaskets prevent contaminant intrusion into the PCM.
   • For any test that requires probing the PCM or component harness connectors, use the Connector Test Adapter Kit J 35616 . Using this kit prevents any damage to the harness connector terminals. Refer to Using Connector Test Adapters in Wiring Systems for procedures.

    • The following may cause an intermittent:
       - Poor connections: Refer to Intermittents and Poor Connections Diagnosis in Wiring Systems.
       - Corrosion
       - Mis-routed harness
       - Rubbed through wire insulation
       - Broken wire inside the insulation
    • Using Freeze Frame and/or Failure Records data may aid in locating an intermittent condition. If you cannot duplicate the DTC, the information included in the Freeze Frame and/or Failure Records data can aid in determining how many miles since the DTC set. The Fail Counter and Pass Counter can also aid determining how many ignition cycles the diagnostic reported a pass and/or a fail. Operate the vehicle within the same freeze frame conditions (RPM, load, vehicle speed, temperature etc.) that you observed. This isolates when the DTC failed.
    • For an intermittent condition, refer to Symptoms .

Test Description

The numbers below refer to the step numbers on the diagnostic table.

  1. This step verifies that the fault is present.

  2. This step verifies the integrity of the IC circuit and the PCM output.

  3. This step tests for a short to ground on the ignition control circuit.

Step

Action

Value(s)

Yes

No

1

Did you perform the Powertrain On-Board Diagnostic (OBD) System Check?

--

Go to Step 2

Go to Powertrain On Board Diagnostic (OBD) System Check

2

    Important: If all the Ignition Control (IC) DTCs are set at the same time, inspect the IC ground circuits or the B+ circuits for an open.

  1. Install a scan tool.
  2. Idle the engine.
  3. Monitor the (IC) Ignition Control status for the cylinder with the ignition control DTC using the scan tool in the Misfire Data List.

Does the scan tool indicate Fault?

--

Go to Step 4

Go to Step 3

3

  1. Turn ON the ignition leaving the engine OFF.
  2. Review the Freeze Frame and/or Failure Records data for this DTC and observe the parameters.
  3. Turn OFF the ignition for 15 seconds.
  4. Start the engine.
  5. Operate the vehicle within the conditions required for this diagnostic to run, and as close to the conditions recorded in Freeze Frame/Failure Records as possible. Special operating conditions that you need to meet before the PCM will run this diagnostic, where applicable, are listed in Conditions for Running the DTC.
  6. Select the Diagnostic Trouble Code (DTC) option, the Specific DTC option, then enter the DTC number using the scan tool.

Does the scan tool indicate that this diagnostic failed this ignition?

--

Go to Step 4

Go to Diagnostic Aids

4

  1. Turn OFF the engine.
  2. Disconnect the ignition coil/module electrical connector.
  3. Measure the frequency at the ignition control signal circuit using the DMM on the DC Hertz setting.
  4. Idle the engine.

Is the frequency within the specified range?

3.0-20 Hz

Go to Step 8

Go to Step 5

5

Measure the voltage at the ignition control signal circuit using the DMM.

Is the voltage greater than the specified value?

1V

Go to Step 14

Go to Step 6

6

  1. Turn OFF the ignition.
  2. Disconnect the PCM connector C2 located on the opposite side of the manufacturer's logo. Refer to Powertrain Control Module Replacement/Programming .
  3. Test the continuity from the IC circuit (at the ignition coil/module electrical connector) to the PCM connector using the DMM. Refer to Testing for Continuity in Wiring Systems.

Does the DMM indicate continuity?

--

Go to Step 7

Go to Step 15

7

Test the resistance from the IC circuit (at the ignition coil/module electrical connector) to ground using the DMM. Refer to Testing for Continuity in Wiring Systems.

Does the DMM indicate OL?

--

Go to Step 16

Go to Step 15

8

Probe the Ignition feed circuit for the coil/module using the test lamp J 35616-200 connected to battery ground. Refer to Probing Electrical Connectors in Wiring Systems.

Does the test lamp illuminate?

--

Go to Step 9

Go to Step 10

9

Probe the ground circuit for the coil/module using the test lamp J 35616-200 connected to B+. Refer to Probing Electrical Connectors in Wiring Systems.

Does the test lamp illuminate?

--

Go to Step 12

Go to Step 11

10

Repair the Ignition feed circuit for an open between the ignition coil/module electrical connector and the splice. Refer to Wiring Repairs in Wiring Systems.

Is the action complete?

--

Go to Step 18

--

11

Repair the ground circuit for an open between the ignition coil/module electrical connector and the splice. Refer to Wiring Repairs in Wiring Systems.

Is the action complete?

--

Go to Step 18

--

12

  1. Inspect for a poor connection at the coil/module. Refer to Testing for Electrical Intermittents in Wiring Systems.
  2. If you find a poor connection repair as necessary. Refer to Repairing Connector Terminals in Wiring Systems.

Did you find and correct the condition?

--

Go to Step 18

Go to Step 13

13

Replace the ignition coil/module. Refer to Ignition Coil Replacement in Engine Electrical .

Is the action complete?

--

Go to Step 18

--

14

Repair the Ignition Control circuit for a short to voltage. Refer to Wiring Repairs in Wiring Systems.

Is the action complete?

--

Go to Step 18

--

15

Repair the Ignition Control circuit for an open or grounded circuit. Refer to Wiring Repairs in Wiring Systems.

Is the action complete?

--

Go to Step 18

--

16

  1. Inspect for a poor connection at the PCM. Refer to Testing for Electrical Intermittents in Wiring Systems.
  2. If you find a poor connection repair as necessary. Refer to Repairing Connector Terminals in Wiring Systems.

Did you find and correct the condition?

--

Go to Step 18

Go to Step 17

17

Important:: Program the replacement PCM. Refer to Powertrain Control Module Replacement/Programming .

Replace the PCM.

Is the action complete?

--

Go to Step 18

--

18

  1. Select the Diagnostic Trouble Code (DTC) option and the Clear DTC Information option using the scan tool.
  2. Idle the engine at the normal operating temperature.
  3. Select the Diagnostic Trouble Code (DTC) option and the Specific DTC option, then enter the DTC number using the scan tool.
  4. Operate the vehicle within the Conditions for Running the DTC as specified in the supporting text, if applicable.

Does the scan tool indicate that this test ran and passed?

--

Go to Step 19

Go to Step 2

19

Select the Capture Info option and the Review Info option using the scan tool.

Does the scan tool display any DTCs that you have not diagnosed?

--

Go to the applicable DTC table

System OK