GM Service Manual Online
For 1990-2009 cars only

DTC P0742 TCC System Stuck On 5.7L


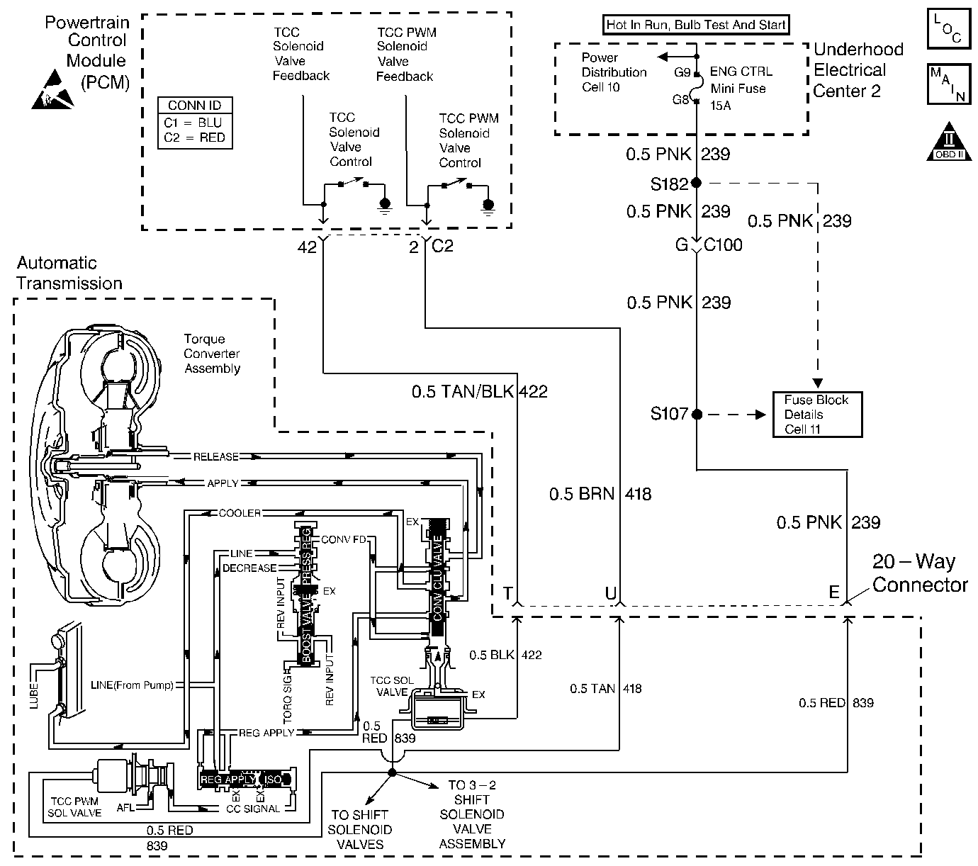
Object Number: 331464  Size: LF
Automatic Transmission Components V8 VIN G
Automatic Transmission Controls Schematics
OBD II Symbol Description Notice
Handling ESD Sensitive Parts Notice

Circuit Description

The torque converter clutch (TCC) solenoid valve is a normally-open exhaust valve that is used with the torque converter clutch pulse width modulation (TCC PWM) solenoid valve in order to control fluid acting on the converter clutch apply valve. The TCC solenoid valve attaches to the transmission case assembly extending into the pump cover. When grounded (energized) by the powertrain control module (PCM), the TCC solenoid valve stops converter signal oil from exhausting. This causes converter signal oil pressure to increase and move the converter clutch apply valve against spring force and into the apply position. In this position, release fluid is open to an exhaust port and converter feed fluid fills the apply fluid circuit. The converter feed fluid applies the TCC. When the PCM no longer provides a ground path, the TCC solenoid valve de-energizes and apply fluid exhausts, releasing the TCC.

When the PCM detects low torque converter slip when the PCM commands the TCC OFF, then DTC P0742 sets. DTC P0742 is a type B DTC.

Conditions for Running the DTC

    • No MAP sensor DTCs P0107 or P0108.
    • No TP sensor DTCs P0122 or P0123.
    • No VSS assembly DTCs P0502 or P0503.
    • No TCC solenoid valve DTC P0740
    • No TFP manual valve position switch DTC P1810.
    • No TCC PWM solenoid valve DTC P1860.
    • The TP angle is 10-45%.
    • The engine speed is greater than 300 RPM for 5 seconds.
    • The engine is not in fuel cutoff.
    • The engine speed is 1000-3500 RPM.
    • The engine torque is 40-400 lbs ft.
    • The engine vacuum is 0-105 kPa.
    • The speed ratio is 0.65-1.30 (the speed ratio is engine speed divided by output speed).
    • The vehicle speed is 32-88 km/h (20-55 mph).
    • The commanded gear is not 1st.
    • The gear range is D4.
    • The gear range does not change within 6 seconds.
    • The PCM commands the TCC OFF.

Conditions for Setting the DTC

DTC P0742 sets if the following condition occurs three times.

The TCC slip speed is -20 to +30 RPM for 4 seconds.

Action Taken When the DTC Sets

    • The PCM illuminates the malfunction indicator lamp (MIL) during the second consecutive trip in which the conditions for setting the DTC are met.
    • The PCM freezes shift adapts from being updated.
    • The PCM stores DTC P0742 in PCM history during the second consecutive trip in which the conditions for setting the DTC are met.

Conditions for Clearing the MIL/DTC

    • The PCM turns OFF the MIL during the third consecutive trip in which the diagnostic test runs and passes.
    • A scan tool clears the DTC from PCM history.
    • The PCM clears the DTC from PCM history if the vehicle completes 40 warm-up cycles without an emission-related diagnostic fault occurring.
    • The PCM cancels the DTC default actions when the fault no longer exists and the ignition switch is OFF long enough in order to power down the PCM.

Diagnostic Aids

    • The TCC fluid mechanically applies the TCC, possibly causing an engine stall, under the following conditions:
       - The TCC is mechanically stuck ON
       - The parking brake is applied
       - Any gear range is selected
    • A stuck TP sensor may set DTC P0742.

Test Description

The numbers below refer to the step numbers on the diagnostic table.

  1. This step inspects the mechanical state of the TCC. When the PCM commands the TCC solenoid valve OFF, the slip speed should increase.

DTC P0742 TCC System Stuck On (5.7L, VIN G)

Step

Action

Value(s)

Yes

No

1

Was the Powertrain On-Board Diagnostic (OBD) System Check performed?

--

Go to Step 2

Go to Powertrain On Board Diagnostic (OBD) System Check in Engine Controls

2

  1. Install the Scan Tool .
  2. With the engine OFF, turn the ignition switch to the RUN position.
  3. Important: Before clearing the DTC, use the scan tool in order to record the Freeze Frame and Failure Records. Using the Clear Info function erases the Freeze Frame and Failure Records from the PCM.

  4. Record the DTC Freeze Frame and Failure Records.
  5. Clear the DTC.
  6. Using the scan tool, verify the TP Sensor operation.

Are the TP Sensor values within the specified range?

0.3-5.0 volts

Go to Step 3

Go to Diagnostic Aids

3

Drive the vehicle in the D4 drive range in fourth gear under steady acceleration, with a TP angle greater than 25%.

While the scan tool TCC Enable status is No, does the scan tool display a TCC Slip Speed within the specified range?

-20 to +30 RPM

Go to Step 4

Go to Diagnostic Aids

4

The TCC is mechanically stuck ON. Inspect for the following conditions:

    • A clogged exhaust orifice in the TCC solenoid valve.
    • The converter clutch apply valve is stuck in the apply position.
    • A misaligned or damaged valve body gasket.
    • A restricted release passage.

Did you find and correct the condition?

--

Go to Step 5

--

5

Perform the following procedure in order to verify the repair:

  1. Select DTC.
  2. Select Clear Info.
  3. Drive the vehicle in D4 under the following conditions:
  4. Hold the throttle at 25% and accelerate to 88 km/h (55 mph). Ensure that the scan tool TCC Slip Speed is 130 to 2000 RPM for 4 seconds, with the TCC OFF.

  5. Select Specific DTC.
  6. Enter DTC P0742.

Has the test run and passed?

--

System OK

Go to Step 1

DTC P0742 TCC System Stuck On 3.8L


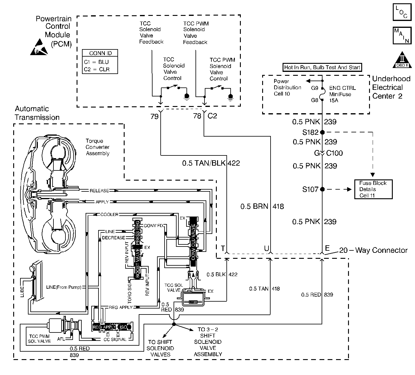
Object Number: 341152  Size: LF
Automatic Transmission Components V6 VIN K
Automatic Transmission Controls Schematics
OBD II Symbol Description Notice
Handling ESD Sensitive Parts Notice

Circuit Description

The torque converter clutch (TCC) solenoid valve is a normally-open exhaust valve that is used with the torque converter clutch pulse width modulation (TCC PWM) solenoid valve in order to control fluid acting on the converter clutch apply valve. The TCC solenoid valve attaches to the transmission case assembly extending into the pump cover. When grounded (energized) by the powertrain control module (PCM), the TCC solenoid valve stops converter signal oil from exhausting. This causes converter signal oil pressure to increase and move the converter clutch apply valve against spring force and into the apply position. In this position, release fluid is open to an exhaust port and converter feed fluid fills the apply fluid circuit. The converter feed fluid applies the TCC. When the PCM no longer provides a ground path, the TCC solenoid valve de-energizes and apply fluid exhausts, releasing the TCC.

When the PCM detects low torque converter slip when the PCM commands the TCC OFF, then DTC P0742 sets. DTC P0742 is a type B DTC.

Conditions for Running the DTC

    • No MAP sensor DTCs P0107 or P0108.
    • No TP sensor DTCs P0122 or P0123.
    • No VSS assembly DTCs P0502 or P0503.
    • No TCC solenoid valve DTC P0740.
    • No TFP manual valve position switch DTC P1810.
    • No TCC PWM solenoid valve DTC P1860.
    • The TP angle is 13-50%.
    • The engine speed is greater than 450 RPM for 5 seconds.
    • The engine is not in fuel cutoff.
    • The engine speed is 1000-3000 RPM.
    • The engine torque is 50-400 lbs ft.
    • The engine vacuum is 0-105 kPa.
    • The speed ratio is 0.95-1.7 (the speed ratio is engine speed divided by output speed).
    • The vehicle speed is 32-104 km/h (20-65 mph).
    • The commanded gear is not 1st.
    • The gear range is D4.
    • The gear range does not change within 6 seconds.
    • The PCM commands the TCC OFF.

Conditions for Setting the DTC

DTC P0742 sets if the following condition occurs three times.

The TCC slip speed is -20 to +50 RPM for 3.8 seconds.

Action Taken When the DTC Sets

    • The PCM illuminates the malfunction indicator lamp (MIL) during the second consecutive trip in which the conditions for setting the DTC are met.
    • The PCM freezes shift adapts from being updated.
    • The PCM stores DTC P0742 in PCM history during the second consecutive trip in which the conditions for setting the DTC are met.

Conditions for Clearing the MIL/DTC

    • The PCM turns OFF the MIL during the third consecutive trip in which the diagnostic test runs and passes.
    • A scan tool clears the DTC from PCM history.
    • The PCM clears the DTC from PCM history if the vehicle completes 40 warm-up cycles without an emission-related diagnostic fault occurring.
    • The PCM cancels the DTC default actions when the fault no longer exists and the ignition switch is OFF long enough in order to power down the PCM.

Diagnostic Aids

    • The TCC fluid mechanically applies the TCC, possibly causing an engine stall, under the following conditions:
       - The TCC is mechanically stuck ON
       - The parking brake is applied
       - Any gear range is selected
    • A stuck TP sensor may set DTC P0742.

Test Description

The numbers below refer to the step numbers on the diagnostic table.

  1. This step inspects the mechanical state of the TCC. When the PCM commands the TCC solenoid valve OFF, the slip speed should increase.

DTC P0742 TCC System Stuck On (3.8L, VIN K)

Step

Action

Value(s)

Yes

No

1

Was the Powertrain On-Board Diagnostic (OBD) System Check performed?

--

Go to Step 2

Go to Powertrain On Board Diagnostic (OBD) System Check in Engine Controls

2

  1. Install the Scan Tool .
  2. With the engine OFF, turn the ignition switch to the RUN position.
  3. Important: Before clearing the DTC, use the scan tool in order to record the Freeze Frame and Failure Records. Using the Clear Info function erases the Freeze Frame and Failure Records from the PCM.

  4. Record the DTC Freeze Frame and Failure Records.
  5. Clear the DTC.
  6. Using the scan tool, verify the TP Sensor operation.

Are the TP Sensor values within the specified range?

0.3-5.0 volts

Go to Step 3

Go to Diagnostic Aids

3

Drive the vehicle in the D4 drive range in fourth gear under steady acceleration, with a TP angle greater than 25%.

While the scan tool TCC Enable status is No, does the scan tool display a TCC Slip Speed within the specified range?

-20 to +50 RPM

Go to Step 4

Go to Diagnostic Aids

4

The TCC is mechanically stuck ON. Inspect for the following conditions:

    • A clogged exhaust orifice in the TCC solenoid valve.
    • The converter clutch apply valve is stuck in the apply position.
    • A misaligned or damaged valve body gasket.
    • A restricted release passage.

Did you find and correct the condition?

--

Go to Step 5

--

5

Perform the following procedure in order to verify the repair:

  1. Select DTC.
  2. Select Clear Info.
  3. Drive the vehicle in D4 under the following conditions:
  4. Hold the throttle at 25% and accelerate to 88 km/h (55 mph). Ensure that the scan tool TCC Slip Speed is 100 to +2000 RPM for 3 seconds, with the TCC OFF.

  5. Select Specific DTC.
  6. Enter DTC P0742.

Has the test run and passed?

--

System OK

Go to Step 1