GM Service Manual Online
For 1990-2009 cars only

Exhaust Manifold Replacement Left

Removal Procedure


    Object Number: 14824  Size: SH
  1. Remove the left valve rocker arm cover. Refer to Valve Rocker Arm Cover Replacement .
  2. Remove the spark plugs.
  3. Raise and suitably support the vehicle. Refer to Lifting and Jacking the Vehicle .
  4. Remove the left side catalytic converter. Refer to Oxidation Catalytic Converter Replacement .

  5. Object Number: 569981  Size: SH
  6. Remove and discard the left exhaust manifold bolts.
  7. Remove the left exhaust manifold and gasket.
  8. Discard the gasket.

  9. Object Number: 492586  Size: SH
  10. Remove the heat shield bolts (3) and heat shield (2) from the manifold (1), if required.

Installation Procedure

  1. Install the exhaust manifold to the cylinder head. Refer to Exhaust Manifold Installation .
  2. Install the left side catalytic converter. Refer to Oxidation Catalytic Converter Replacement .
  3. Lower the vehicle.
  4. Notice: Refer to Fastener Notice in the Preface section.


    Object Number: 14824  Size: SH
  5. Install the spark plugs.
  6. Tighten
    Tighten the spark plugs to 15 N·m (11 lb ft).

  7. Install the left valve rocker arm cover. Refer to Valve Rocker Arm Cover Replacement .

Exhaust Manifold Replacement Right

Removal Procedure


    Object Number: 14824  Size: SH
  1. Remove the valve rocker arm cover. Refer to Valve Rocker Arm Cover Replacement .
  2. Remove the right side catalytic converter. Refer to Oxidation Catalytic Converter Replacement .
  3. Remove the spark plugs.

  4. Object Number: 220595  Size: SH
  5. Disconnect the exhaust gas recirculation (EGR) valve electrical connector.

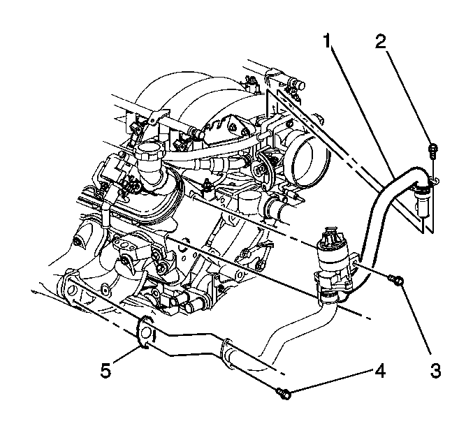
  6. Object Number: 569980  Size: SH
  7. Remove the EGR valve pipe bolts (2, 3, and 4).
  8. Using mild force, pull the EGR valve pipe (1) up out of the intake manifold.
  9. Remove the O-ring seal from the EGR valve pipe (1).
  10. Discard the exhaust manifold gasket (5) and O-ring seal.

  11. Object Number: 569980  Size: SH
  12. Remove and discard the left exhaust manifold bolts.
  13. Remove the left exhaust manifold and gasket.
  14. Discard the gasket.

  15. Object Number: 492583  Size: SH
  16. Remove the heat shield bolts (3) and heat shield (2) from the manifold (1), if required.

Installation Procedure

  1. Install the exhaust manifold to the cylinder head. Refer to Exhaust Manifold Installation .

  2. Object Number: 551485  Size: SH

    Important: Do not reuse EGR pipe gaskets or seals during assembly. Install NEW gaskets and seals.

  3. Apply a light coating of clean engine oil to a NEW O-ring seal and install the seal onto the EGR valve pipe (1).
  4. Install the EGR valve pipe (1) into the intake manifold.
  5. Finger start the EGR valve pipe (1) to intake manifold bolt (2).
  6. Finger start the EGR valve pipe (1) to cylinder head bolts (3).
  7. Notice: Refer to Fastener Notice in the Preface section.

  8. Finger start a NEW EGR valve pipe exhaust manifold gasket (5) and bolts (4).
  9. Tighten

    1. Tighten the EGR valve pipe to intake manifold bolt (2) to 10 N·m (89 lb in).
    2. Tighten the EGR valve pipe to cylinder head bolts (3) to 50 N·m (37 lb ft).
    3. Tighten the EGR valve pipe to the exhaust manifold bolts (4) to 30 N·m (22 lb ft).

    Object Number: 220595  Size: SH
  10. Connect the EGR valve electrical connector.

  11. Object Number: 14824  Size: SH
  12. Install the spark plugs.
  13. Tighten
    Tighten the spark plugs to 15 N·m (11 lb ft).

  14. Install the right side catalytic converter. Refer to Oxidation Catalytic Converter Replacement .
  15. Install the valve rocker arm cover. Refer to Valve Rocker Arm Cover Replacement .